Curiosii for ever!
: Car repair manuals for everyone.
Home
>>
Cadillac
>>
2010
>>
STS AWD V6-3.6L
>>
Repair and Diagnosis
>>
Powertrain Management
>>
Computers and Control Systems
>>
Information Bus
>>
Diagrams
>>
Electrical Diagrams
Electrical Diagrams
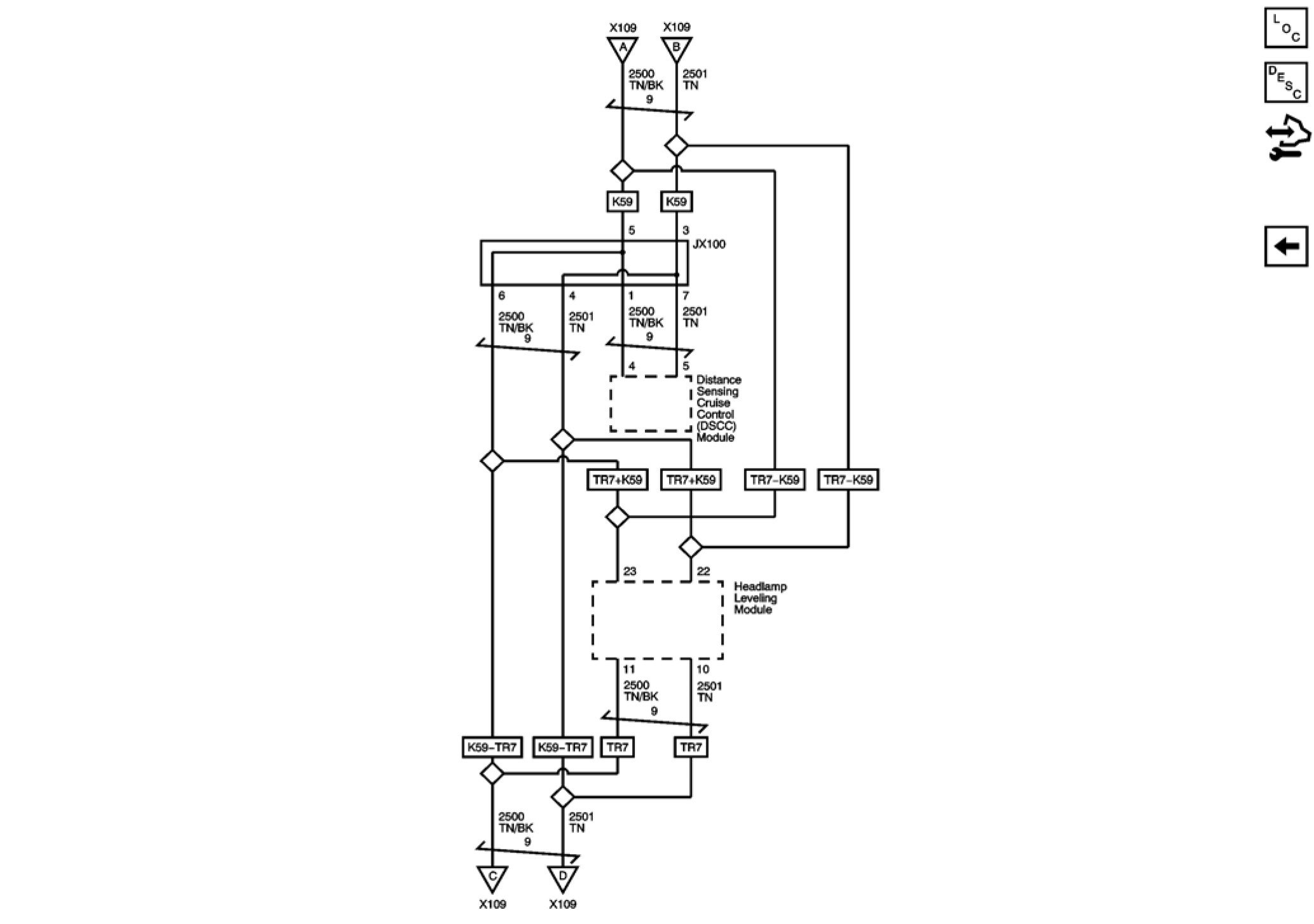
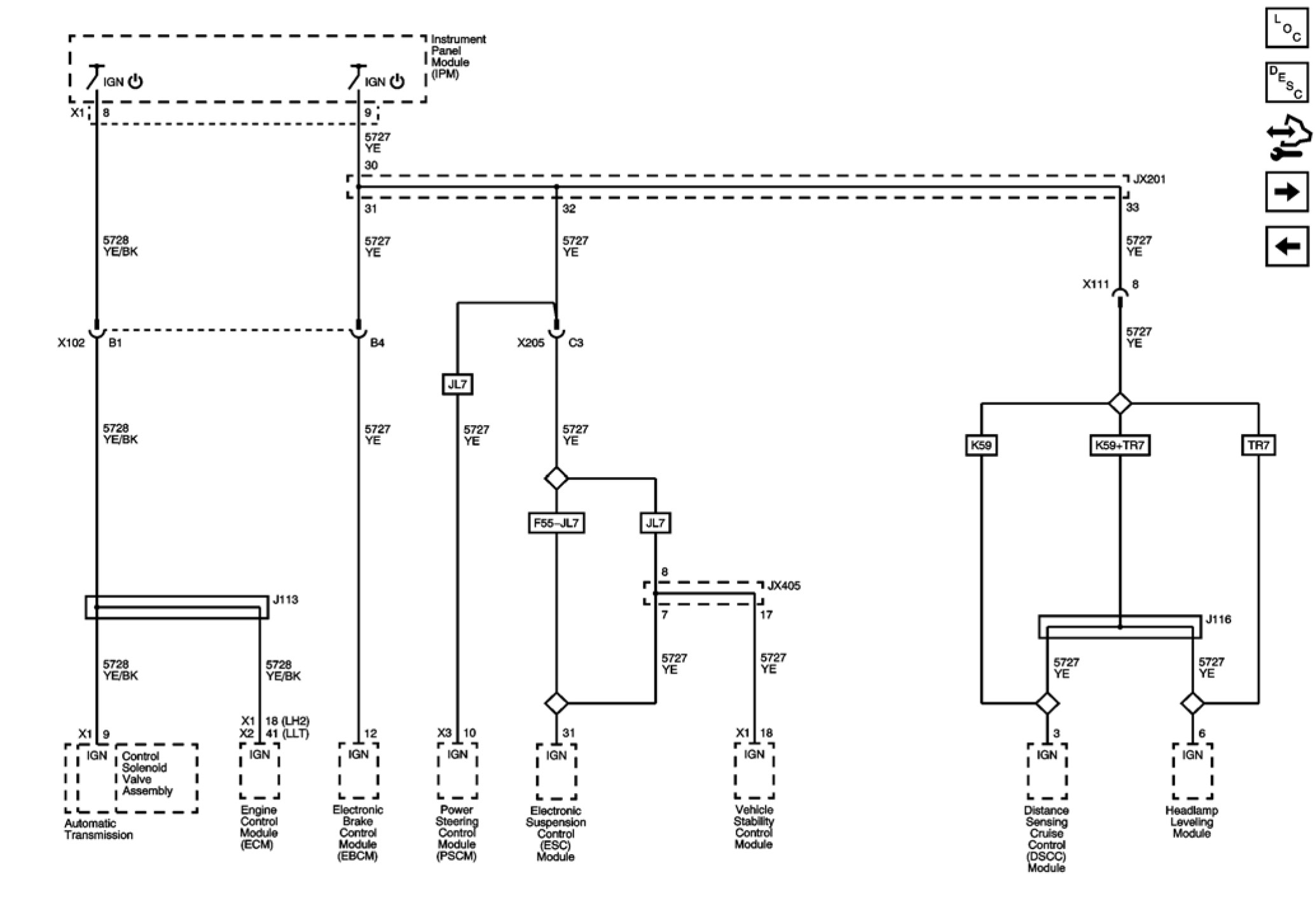
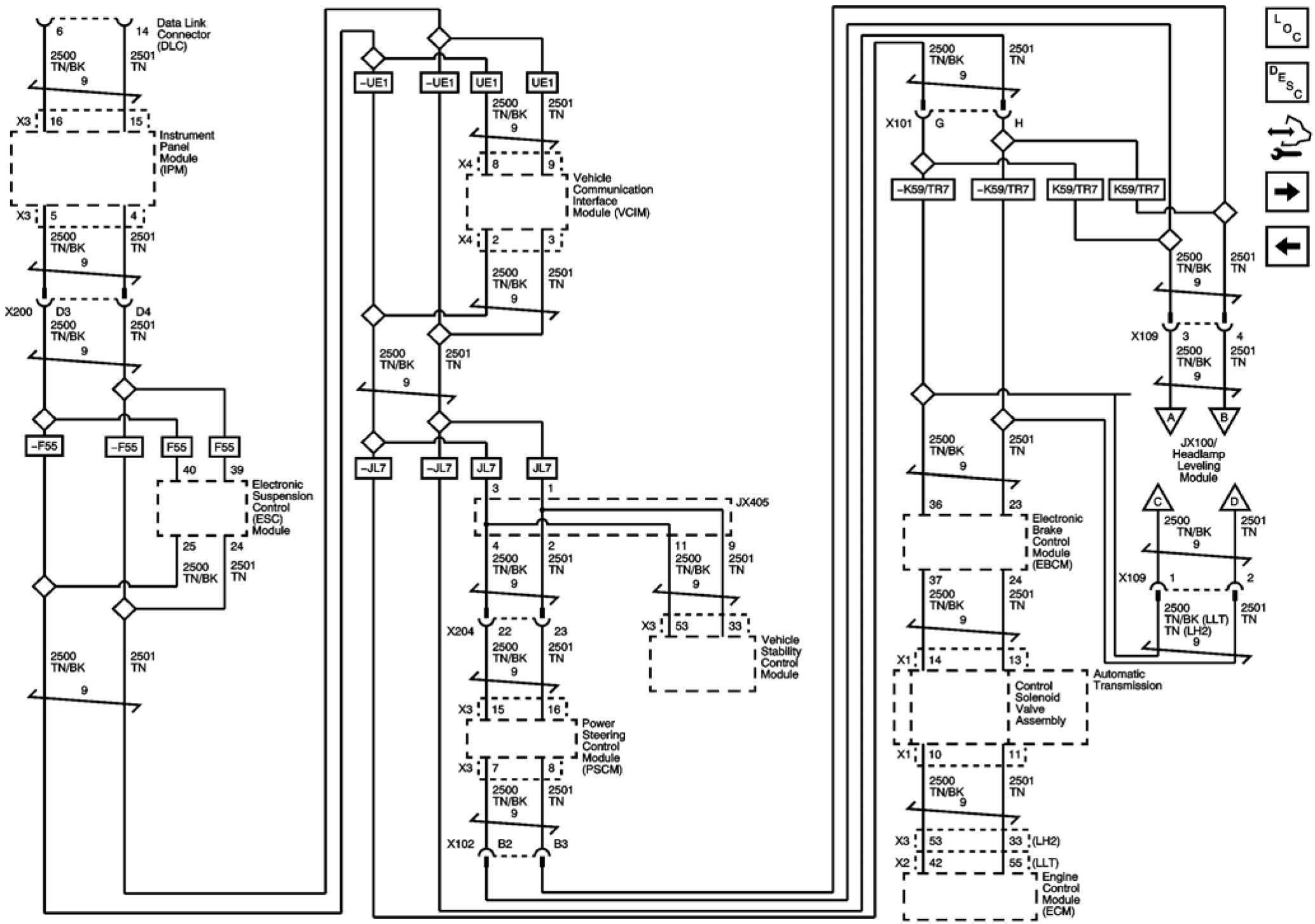
Data Communication Schematics
Power, Ground, and Low Speed GMLAN Serial Data
GMLAN - High Speed Serial Data Wake Up
GMLAN High Speed Serial Data (LH2 with LHD)
GMLAN High Speed Serial Data (LLT or LH2 with RHD)