Curiosii for ever!
: Car repair manuals for everyone.
Home
>>
Cadillac
>>
2010
>>
STS AWD V6-3.6L
>>
Repair and Diagnosis
>>
Power and Ground Distribution
>>
Diagrams
>>
Electrical Diagrams
>>
Power Distribution Schematics
>>
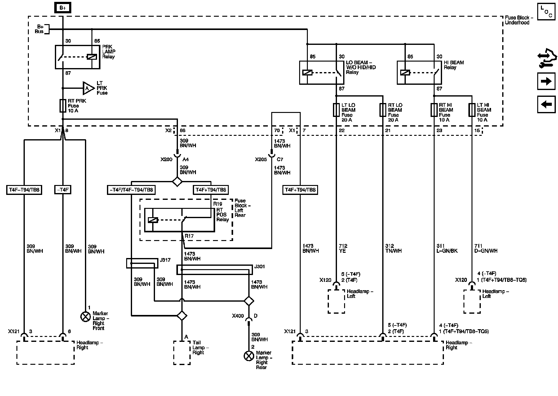
Power Distribution Schematics 5
Power Distribution Schematics 5
Power Distribution Schematics
LT HI BEAM, LT LO BEAM, RT HI BEAM, RT LO BEAM, and RT PRK Fuses