Curiosii for ever!: Car repair manuals for everyone.

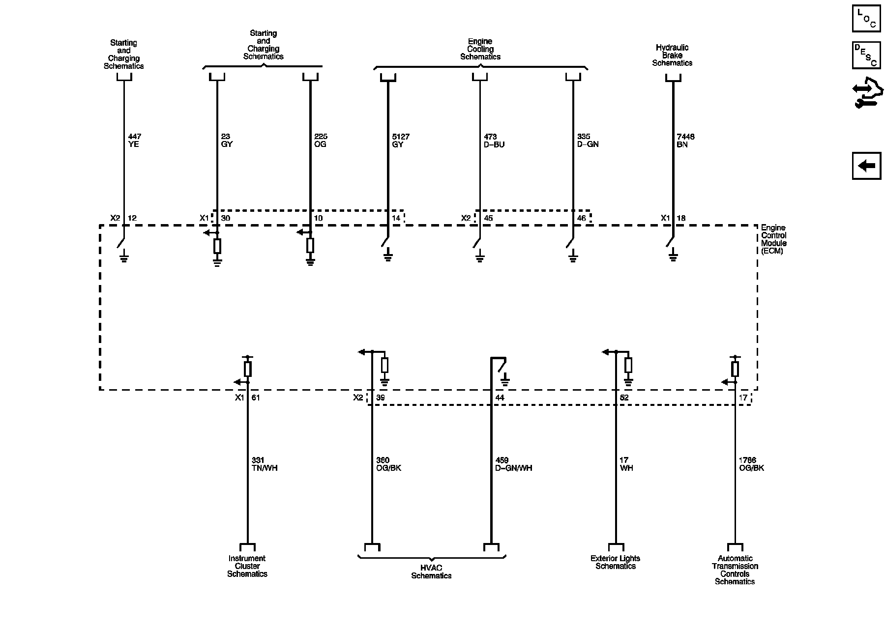
System Diagram



Engine Controls Schematics

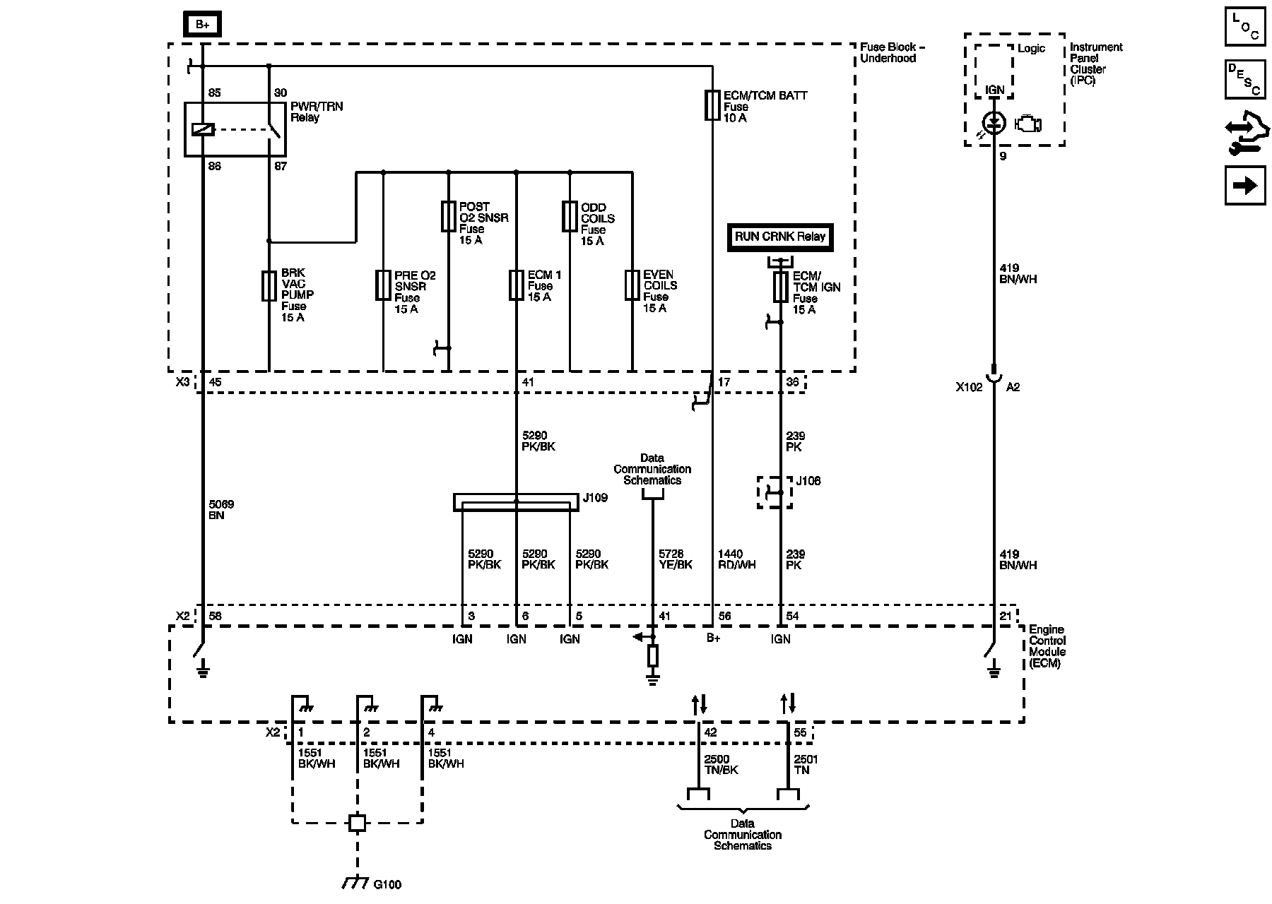
ECM Power, Ground, DLC, and MIL






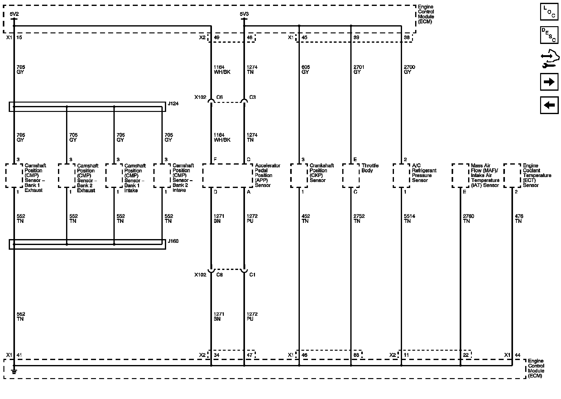
Engine Data Sensors - 5-Volt Reference Bus (1 of 2)






Engine Data Sensors - 5-Volt and Low Reference Bus (2 of 2)+G63






Engine Data Sensors - MAF, Temperature






Engine Data Sensors - Oxygen Sensors






Engine Data Sensors - Electronic Throttle Controls






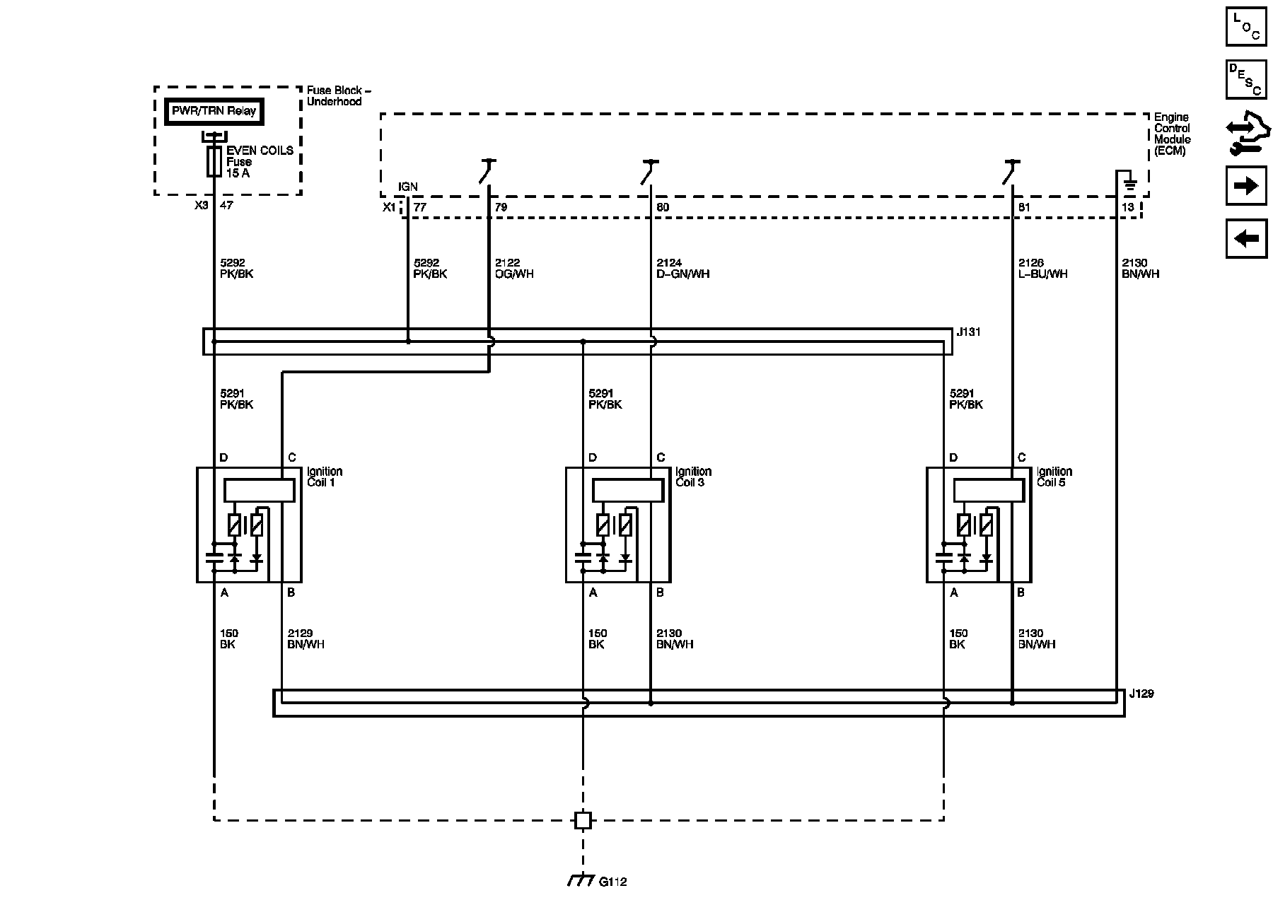
Ignition Controls - Bank 1 Ignition Coils






Ignition Controls - Bank 2 Ignition Coils






Ignition Controls - CMP Sensors and Solenoids






Ignition Controls - CKP Sensor and Knock Sensors






Fuel Controls - Fuel Injectors, Fuel Rail Pressure Sensor and High Pressure Fuel Pump Actuator






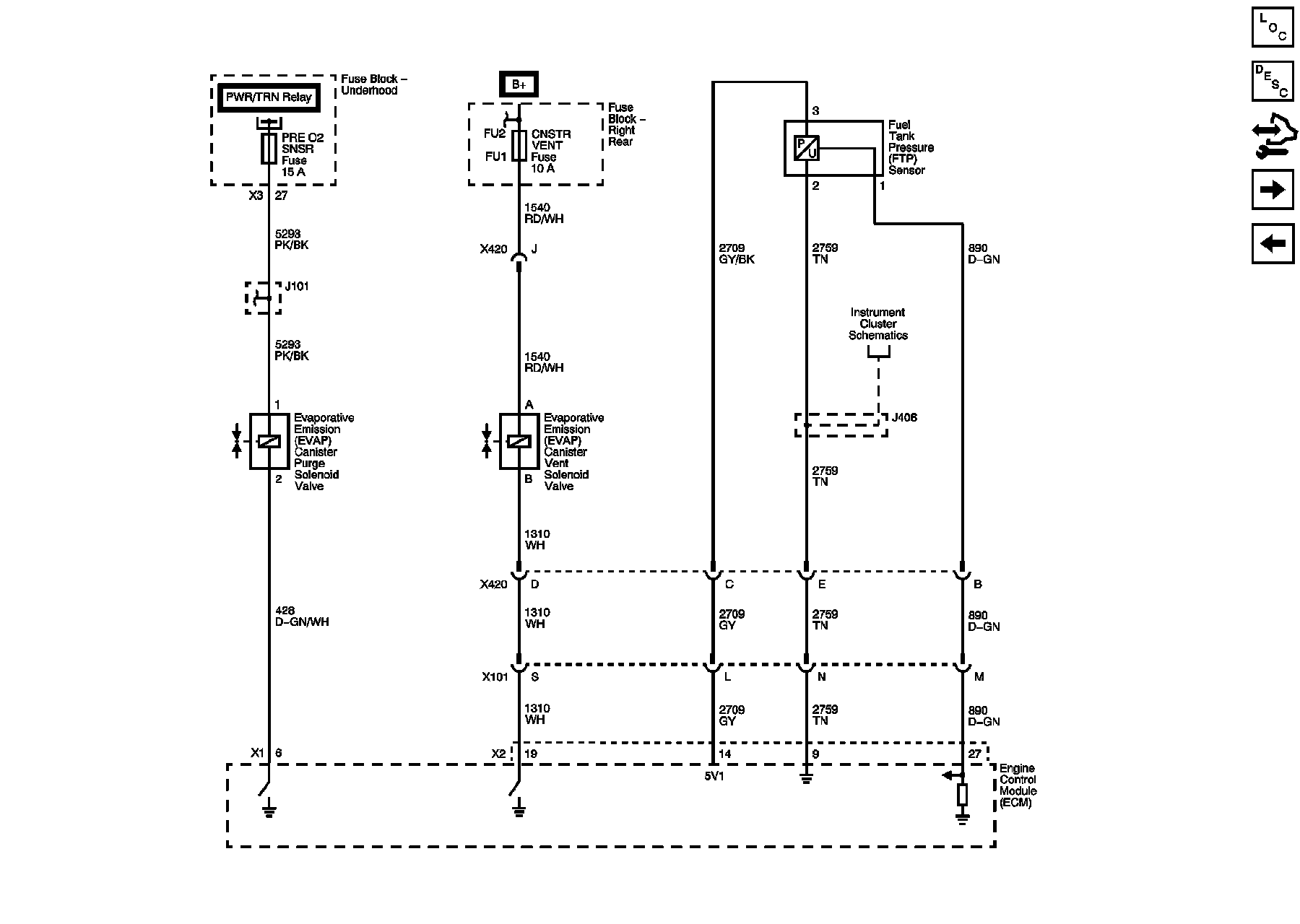
Fuel Controls - EVAP Controls






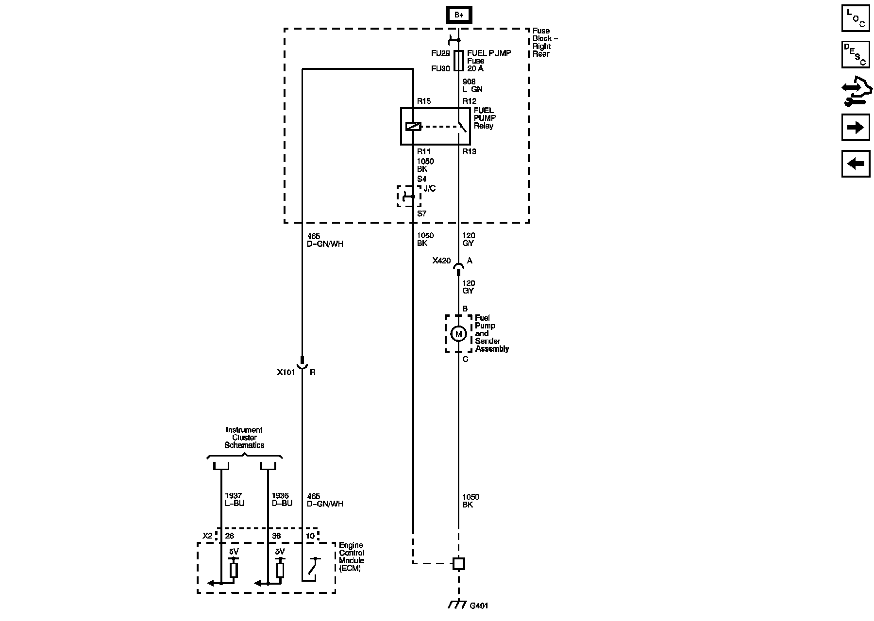
Low Pressure Fuel Pump






Controlled/Monitored Subsystem References