Curiosii for ever!
: Car repair manuals for everyone.
Home
>>
Cadillac
>>
2010
>>
STS AWD V6-3.6L
>>
Repair and Diagnosis
>>
Diagrams
>>
Electrical Diagrams
>>
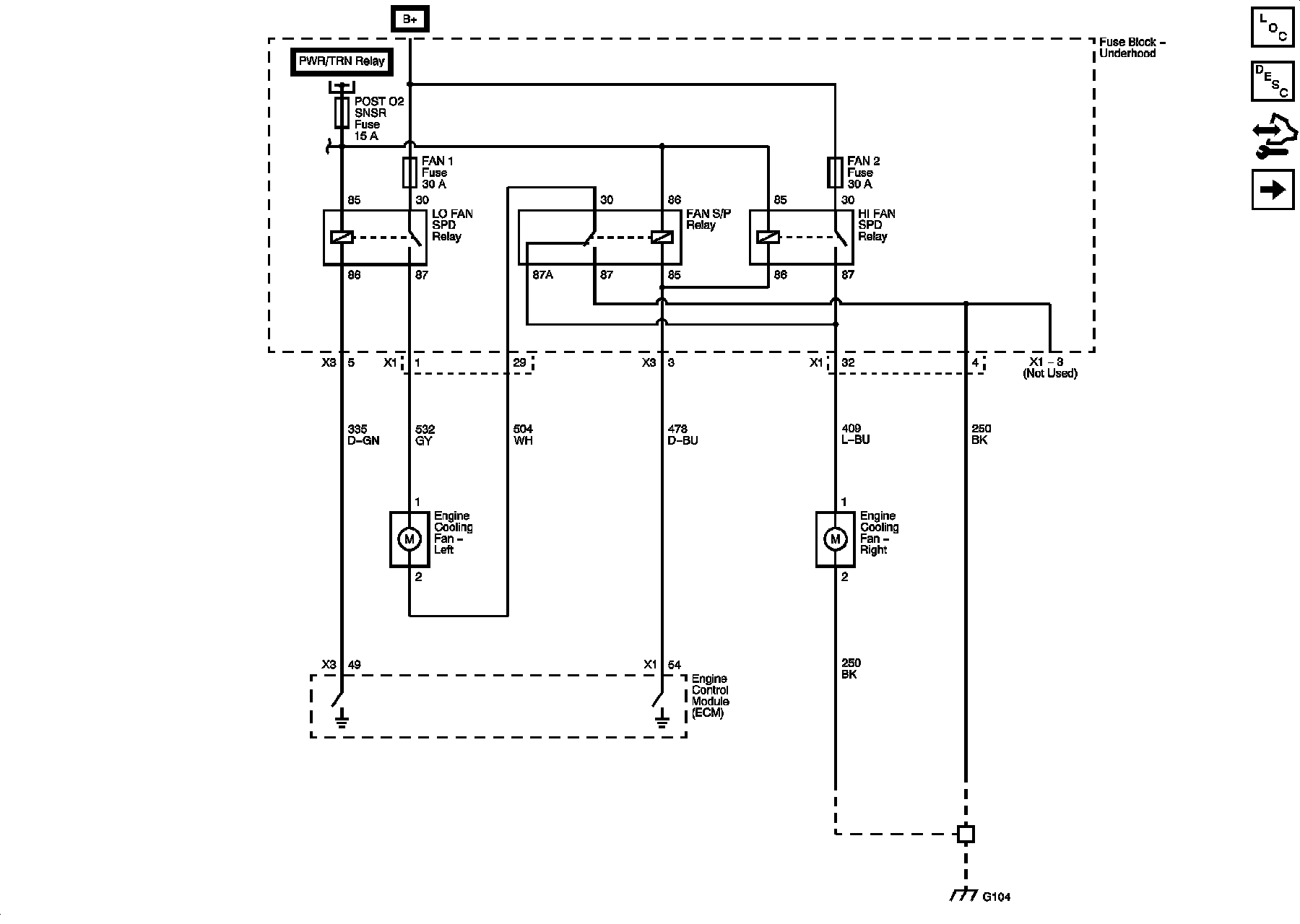
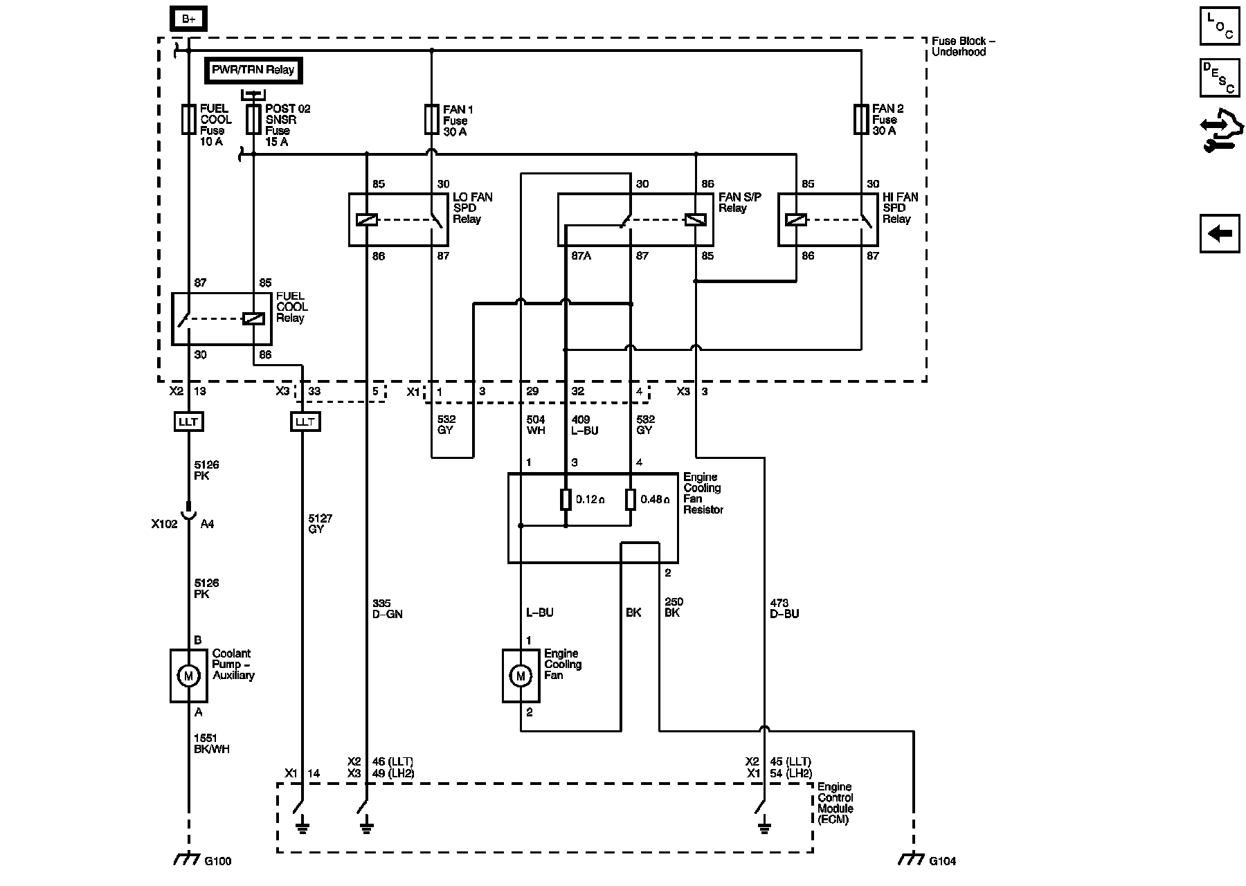
Cooling System
Cooling System
Engine Cooling Schematics
Cooling Fans (LH2 with V03 or V92)
Cooling Fans (LLT or LH2 without V03 or V92)