Curiosii for ever!
: Car repair manuals for everyone.
Home
>>
Cadillac
>>
2010
>>
DTS V8-4.6L
>>
Repair and Diagnosis
>>
Starting and Charging
>>
Power and Ground Distribution
>>
Diagrams
>>
Electrical Diagrams
>>
Power Distribution Schematics
>>
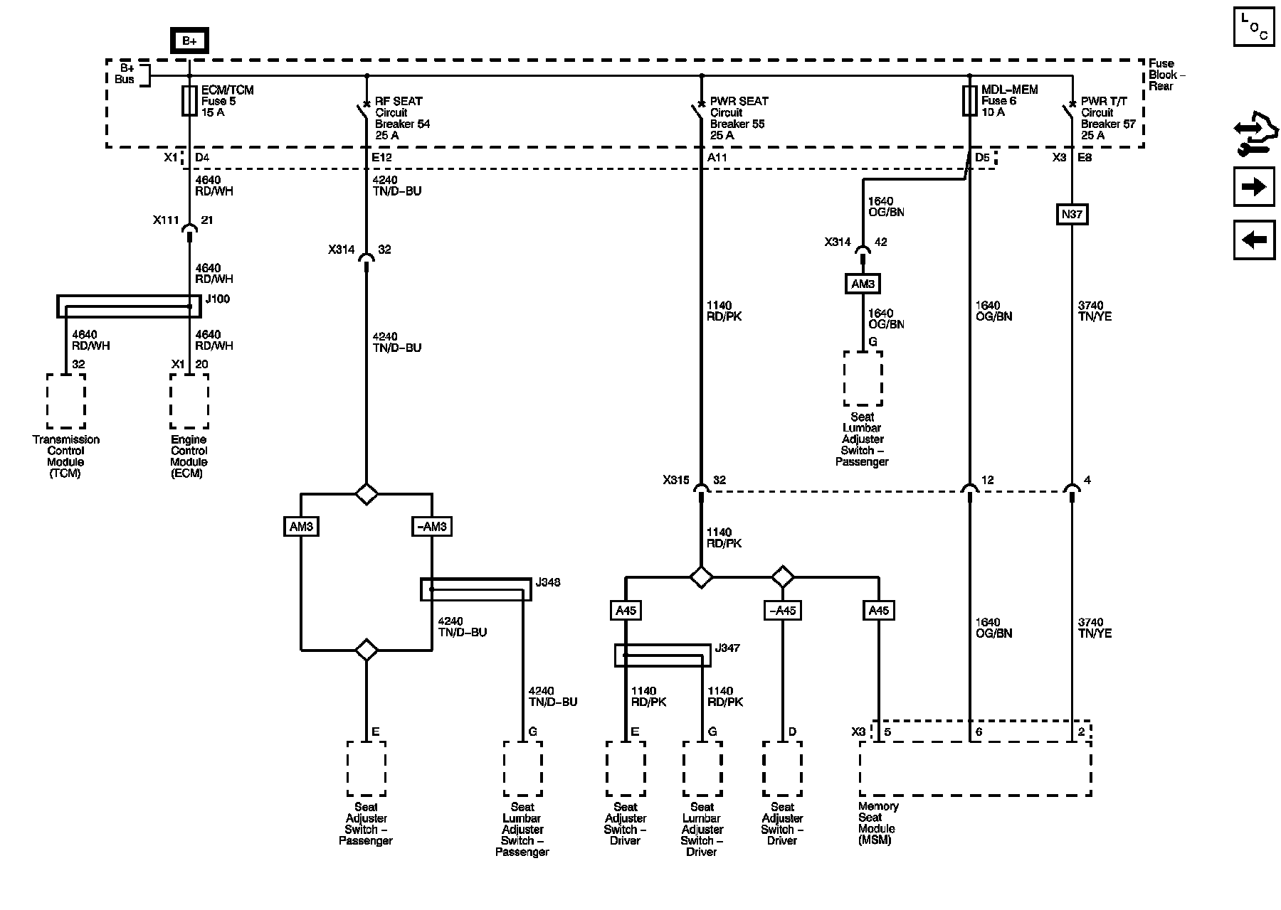
Power Distribution Schematic 12
Power Distribution Schematic 12
Power Distribution Schematics
Rear Fuse Block - MSM/RT FRT PWR SEAT, MSM/LT FRT PWR SEAT, MSM/TILT STR WHL Circuit Breakers, ECM/TCM, MSM LOGIC/RF MASSAGE Fuses