Curiosii for ever!: Car repair manuals for everyone.

Electrical Diagrams



Engine Controls Schematics

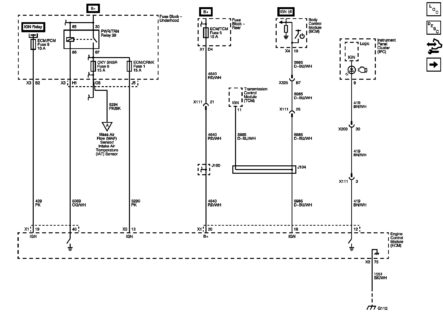
Power, Ground, MIL and DLC






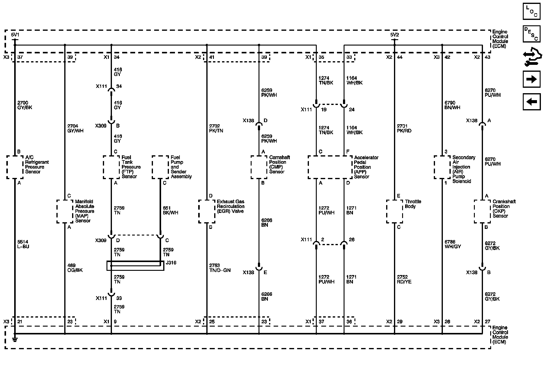
Engine Data Sensors, 5V Reference Bussing






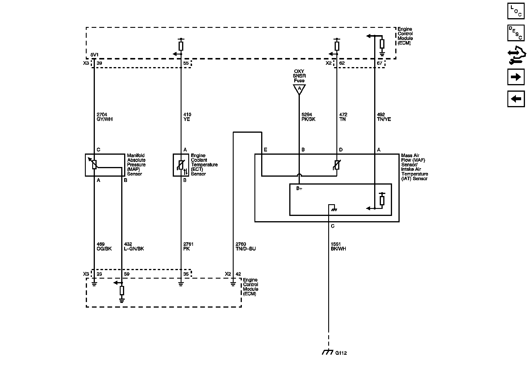
Engine Data Sensors, Pressure, Temp and MAF/IAT






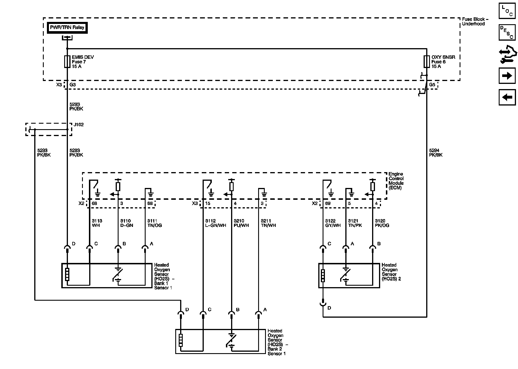
Engine Data Sensors, HO2S






Engine Data Sensors, APP and Throttle Body Assembly






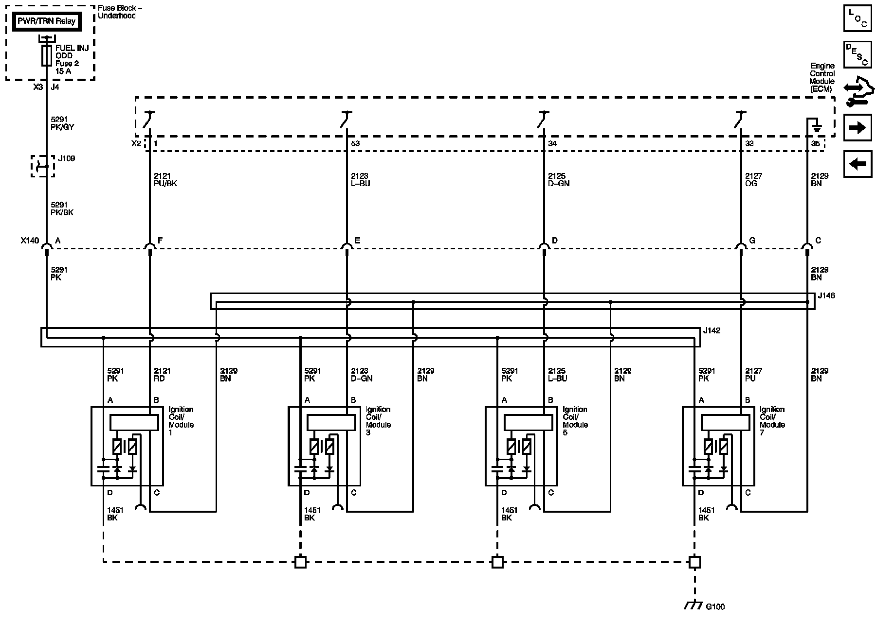
Ignition Controls 1 of 2






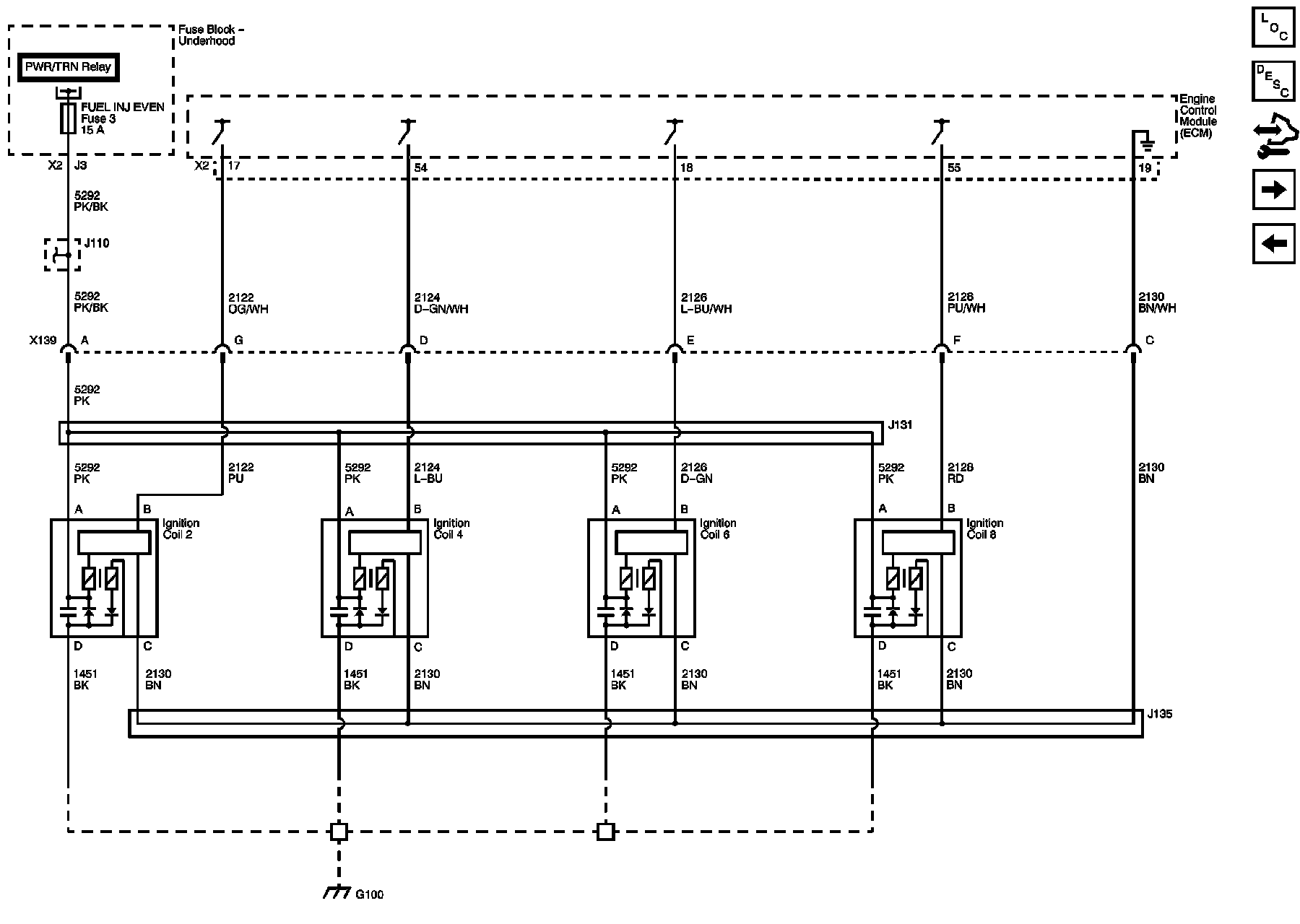
Ignition Controls (2 of 2)






CKP, CMP, Knock Sensors






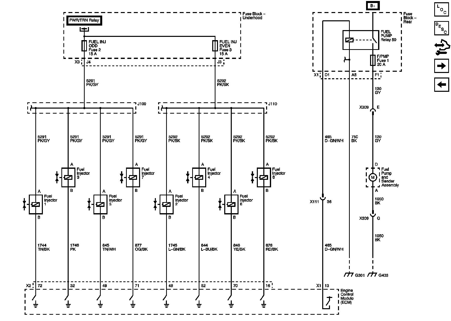
Fuel Controls






EVAP Controls






AIR, EGR






Controlled/Monitored Subsystem References