Curiosii for ever!
: Car repair manuals for everyone.
Home
>>
Cadillac
>>
2010
>>
DTS V8-4.6L
>>
Repair and Diagnosis
>>
Powertrain Management
>>
Computers and Control Systems
>>
Information Bus
>>
Diagrams
>>
Electrical Diagrams
Electrical Diagrams
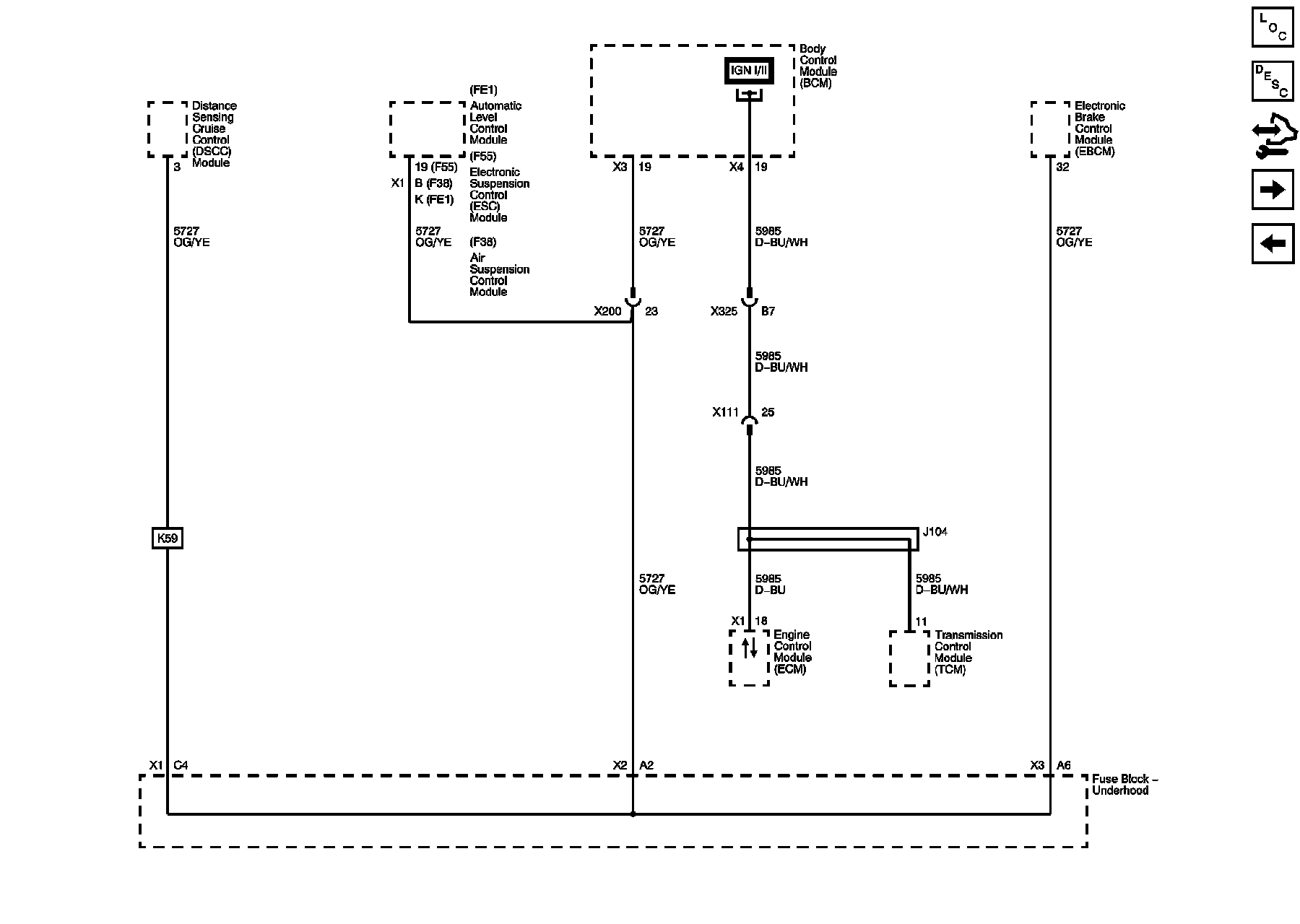
Data Communication Schematics
Power, Ground and Low Speed GMLAN
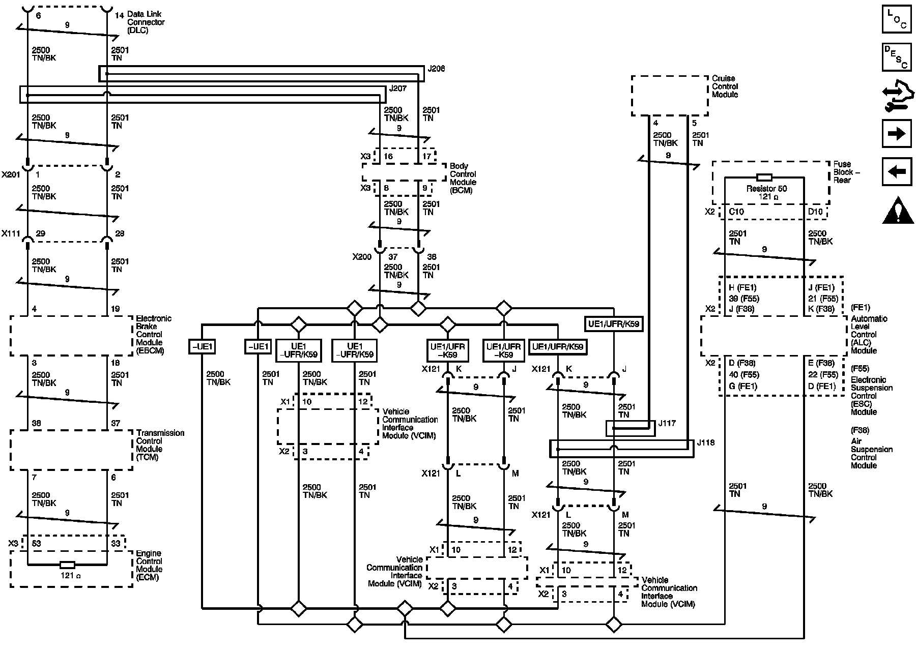
High Speed Serial Data
High Speed Serial Data, Wake up
Local Interconnect Network Bus