Curiosii for ever!
: Car repair manuals for everyone.
Home
>>
Cadillac
>>
2010
>>
DTS V8-4.6L
>>
Repair and Diagnosis
>>
Power and Ground Distribution
>>
Diagrams
>>
Electrical Diagrams
>>
Power Distribution Schematics
>>
Power Distribution Schematic 16
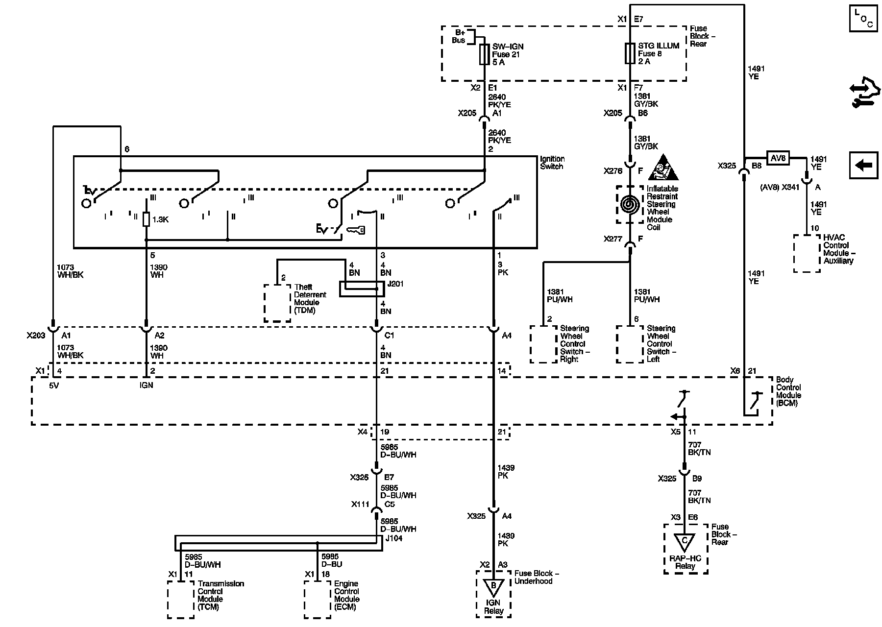
Power Distribution Schematic 16
Power Distribution Schematics
Rear Fuse Block - IGN SWTCH, STR/WHL ILLUM Fuses