Curiosii for ever!
: Car repair manuals for everyone.
Home
>>
Cadillac
>>
2010
>>
DTS V8-4.6L
>>
Repair and Diagnosis
>>
Power and Ground Distribution
>>
Diagrams
>>
Electrical Diagrams
>>
Power Distribution Schematics
>>
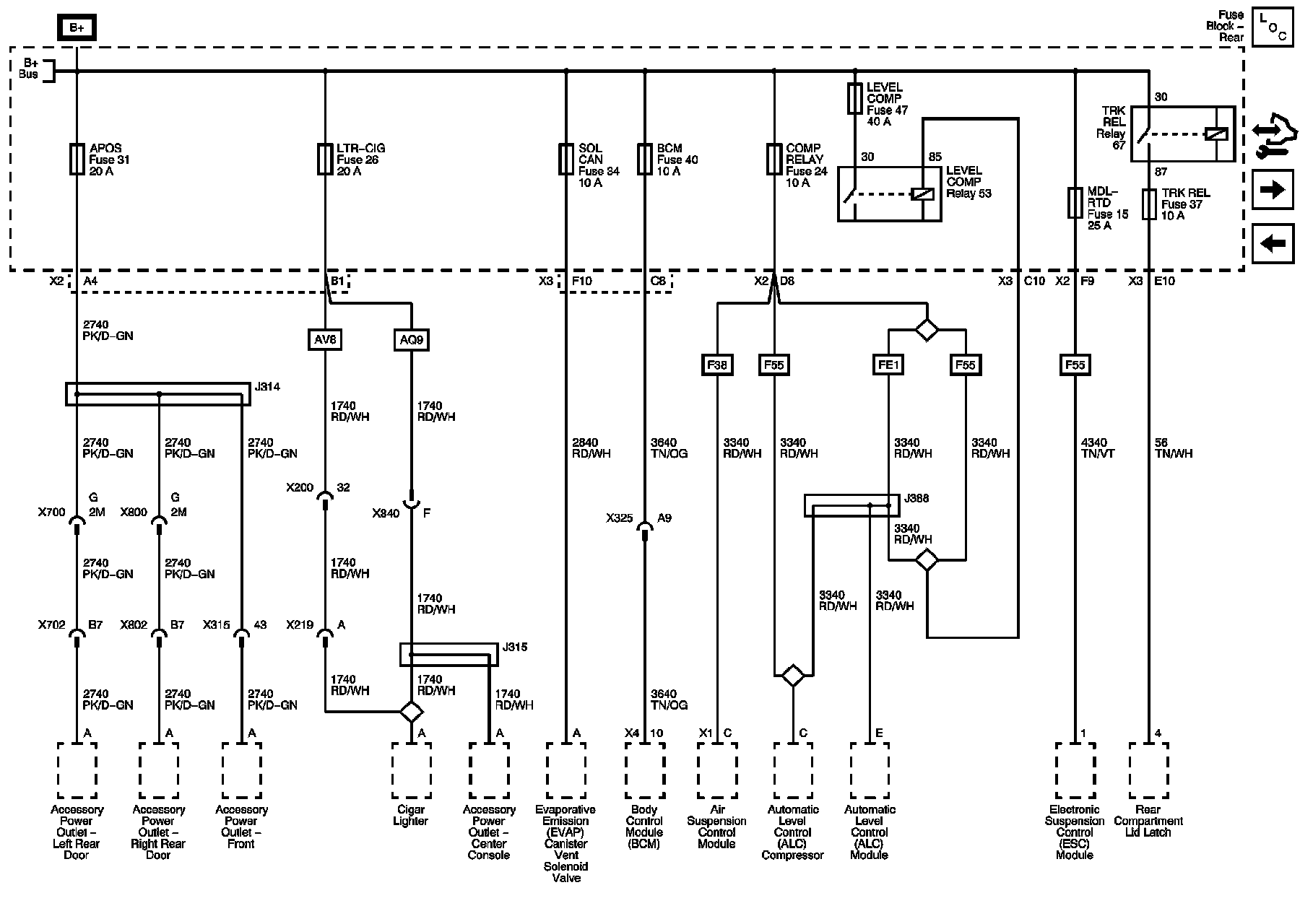
Power Distribution Schematic 11
Power Distribution Schematic 11
Power Distribution Schematics
Rear Fuse Block - TRUNK RELSE Relay, AUX PWR, LTR/CNSL, CNSTR VENT, RVC SENSE, ELC MDL, MRTD MDL, TRUNK RELSE Fuses