Curiosii for ever!
: Car repair manuals for everyone.
Home
>>
Cadillac
>>
2010
>>
DTS V8-4.6L
>>
Repair and Diagnosis
>>
Cruise Control
>>
Diagrams
>>
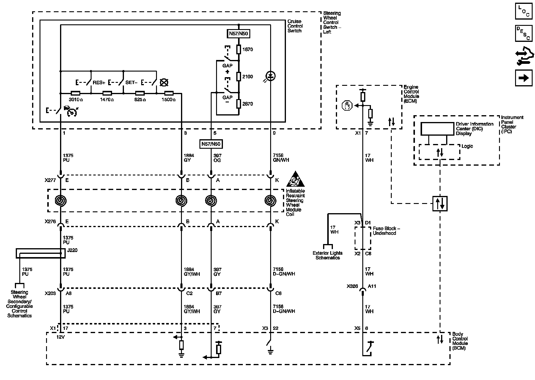
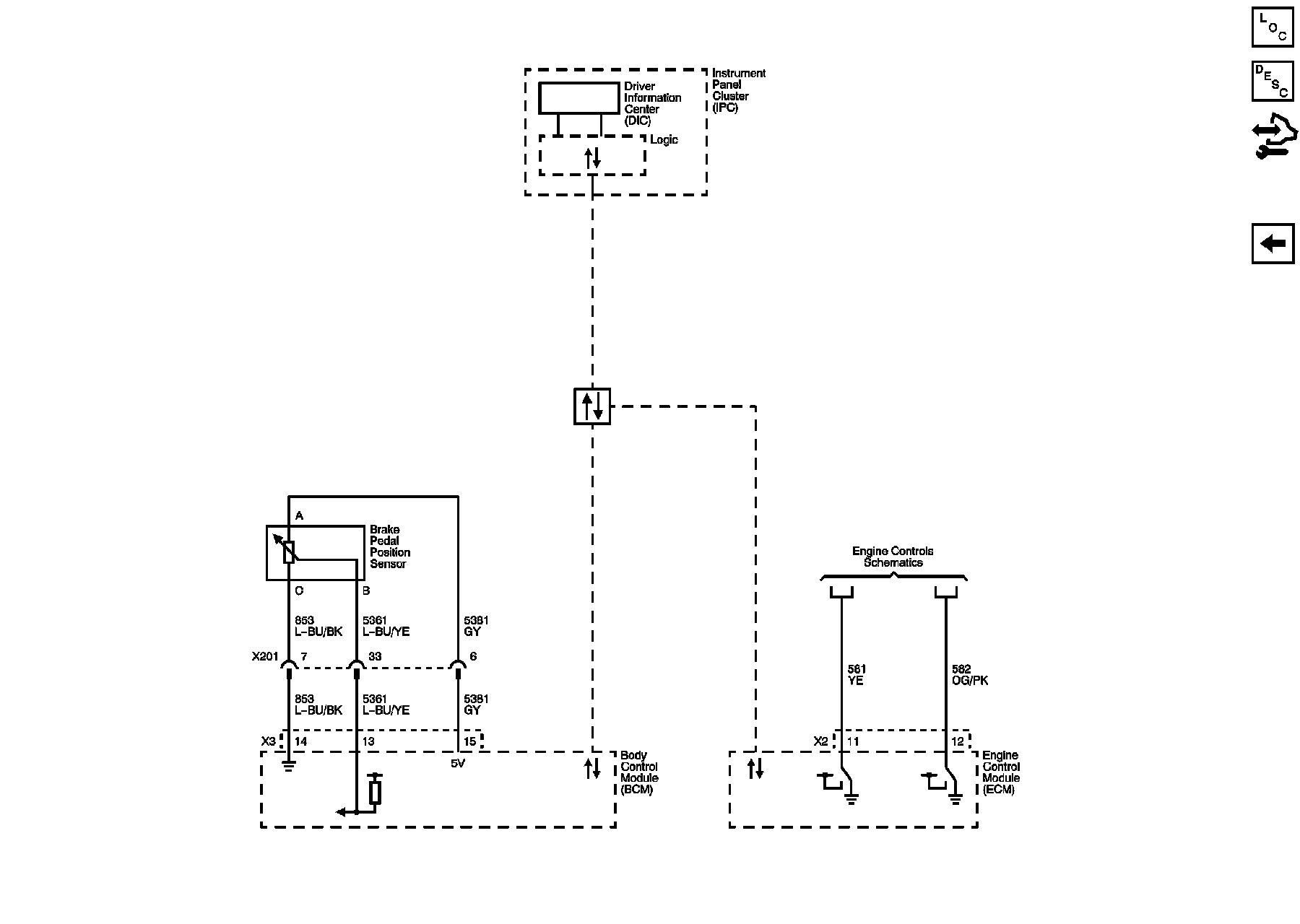
Electrical Diagrams
Electrical Diagrams
Cruise Control
Schematics
ON/OFF Switch
Distance Sensing
Cruise Control Module
Indicators