Curiosii for ever!
: Car repair manuals for everyone.
Home
>>
Cadillac
>>
2010
>>
CTS Sedan RWD V8-6.2L SC
>>
Repair and Diagnosis
>>
Diagrams
>>
Electrical Diagrams
>>
Locks
>>
Keyless Entry Transmitter
Keyless Entry Transmitter
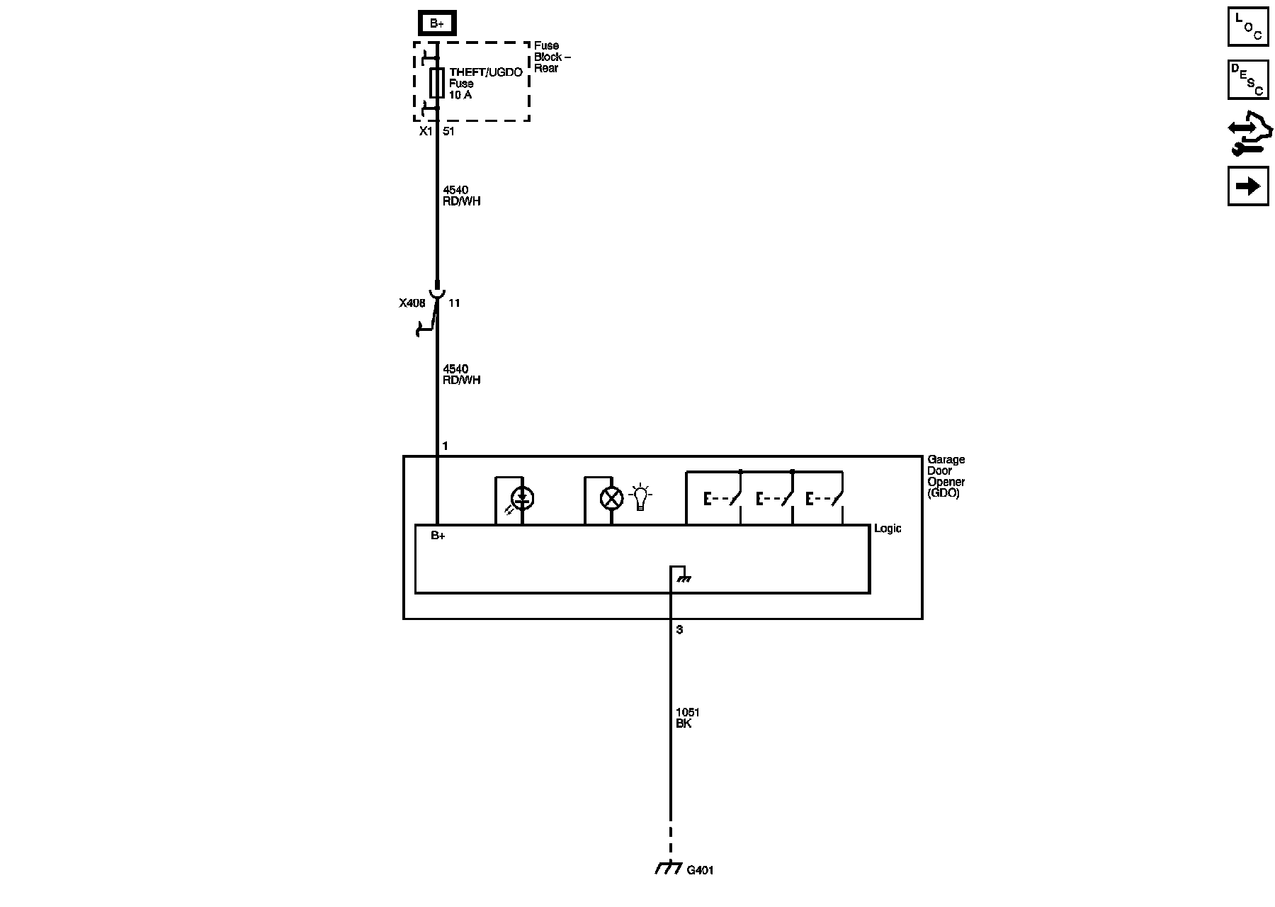
Remote Function Schematics
Garage Door Opener (UG1)
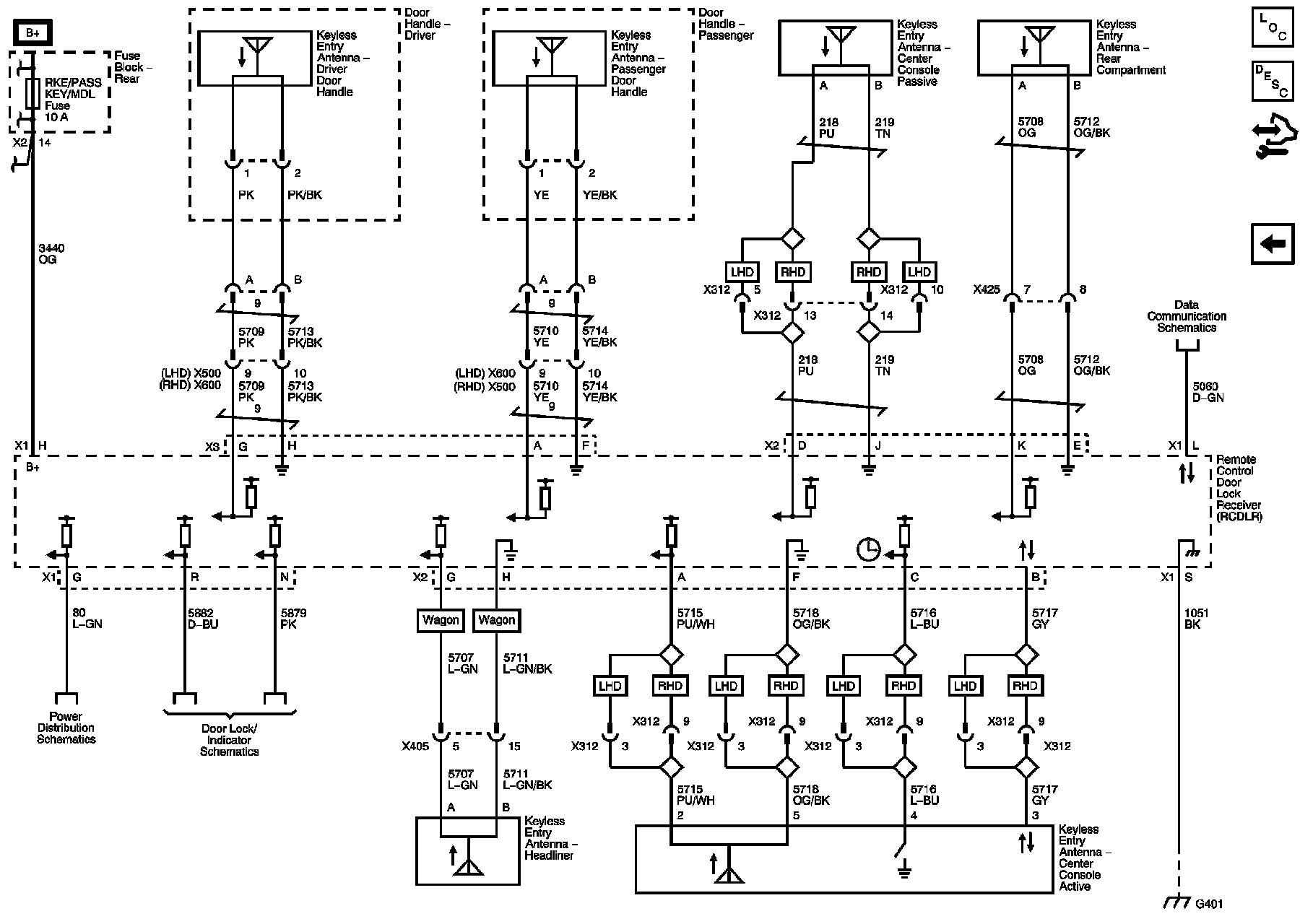
Keyless Entry
(without BTM)
Keyless Entry
(BTM)