Curiosii for ever!: Car repair manuals for everyone.

Electrical Diagrams



ENGINE CONTROLS SCHEMATICS

Module Power, Ground, Serial Data, and MIL







5 Volt 1 and Low References







5 Volt 2 and Low References







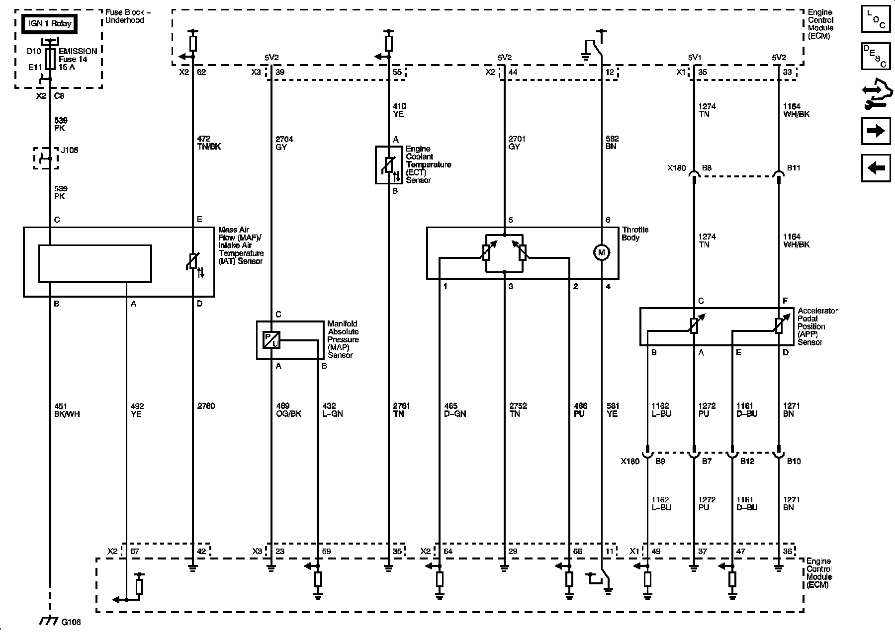
Engine Data Sensors - Pressure, Temperature, and Throttle Controls







Engine Data Sensors - HO2S







Supercharger Sensors, Bypass Valve, and Coolant Pump







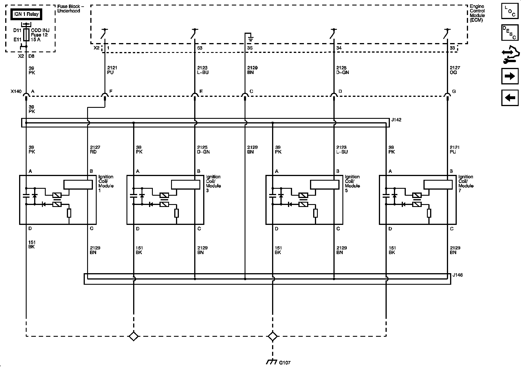
Ignition Controls - Ignition System Odd







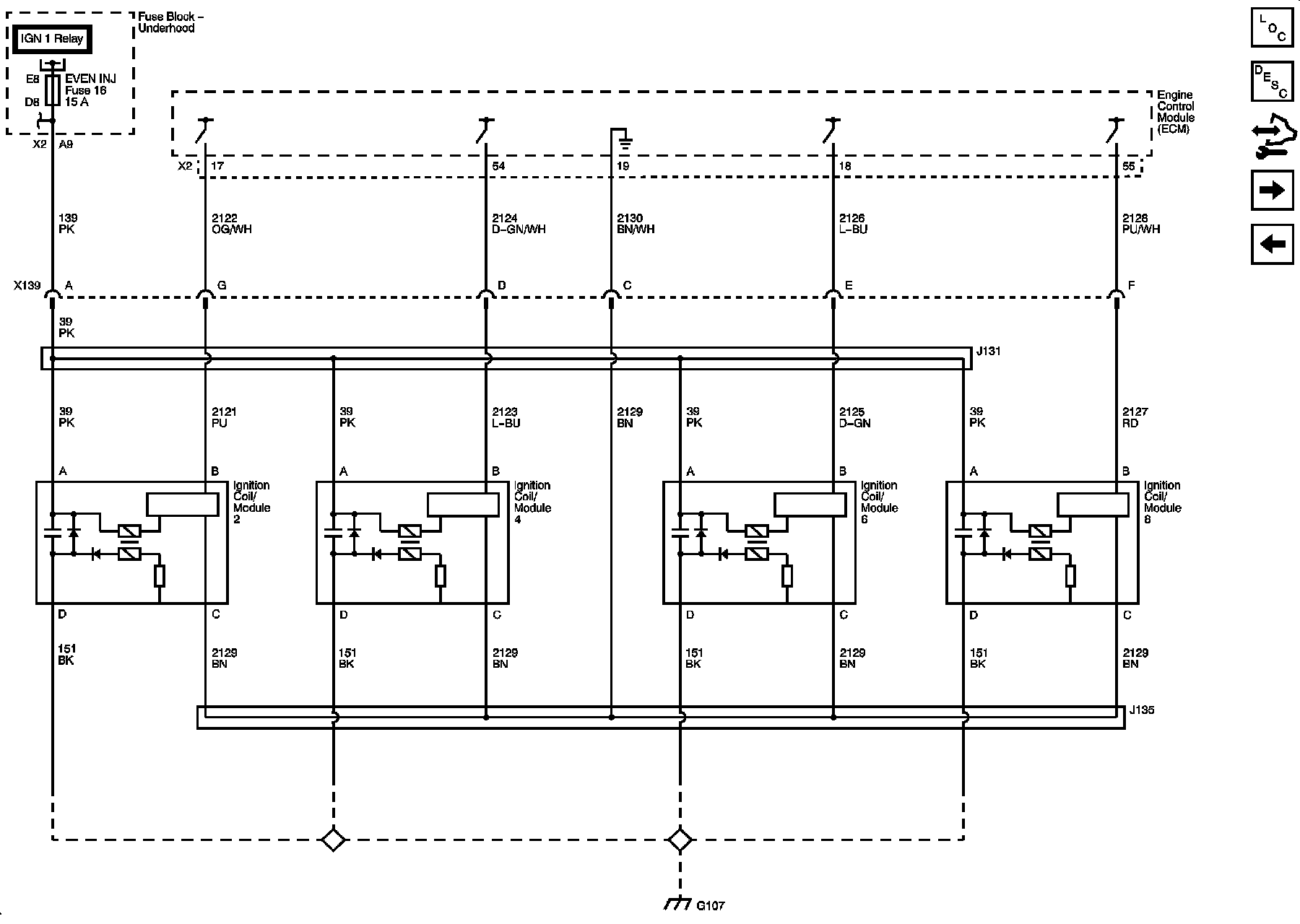
Ignition Controls - Ignition System Even







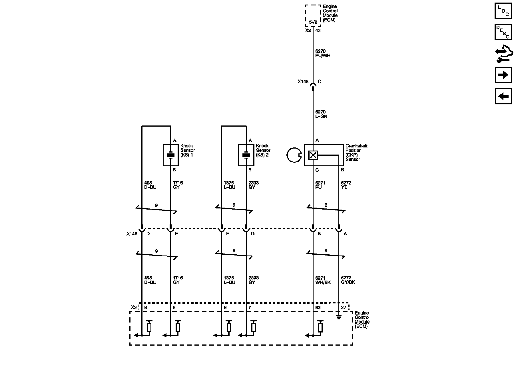
Ignition Controls - Crankshaft/Knock Sensors







Fuel Controls - Fuel Injectors and Fuel Pump Controls







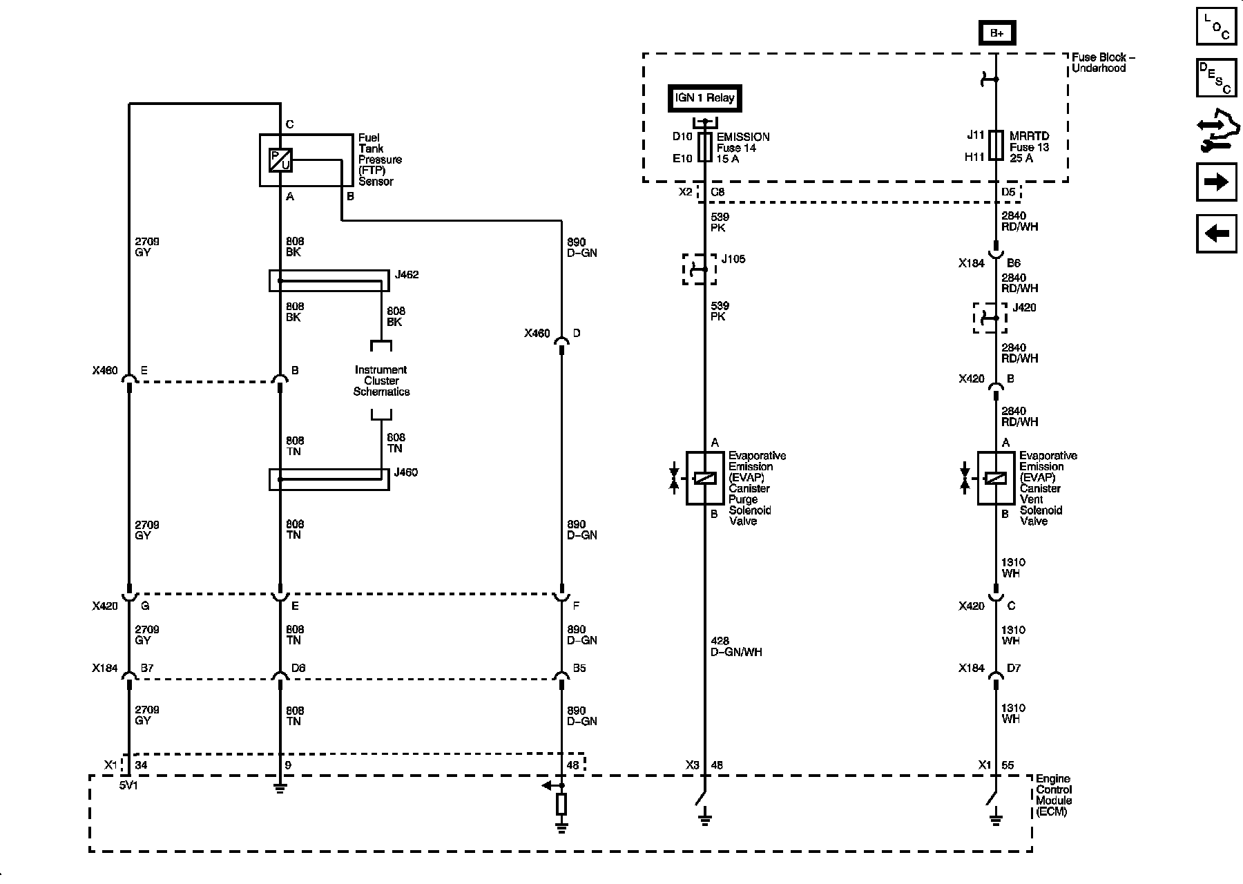
Fuel Controls - EVAP Controls and Manifold Tuning







Ignition Controls - Camshaft Sensors/Actuators







Monitored/Controlled Subsystem References







Locations: The locations for the Connectors, Grounds, Splices, and Grommets shown within these diagrams can be found via their numbers at Vehicle Locations. Locations