Curiosii for ever!: Car repair manuals for everyone.

Automatic Transmission/Transaxle

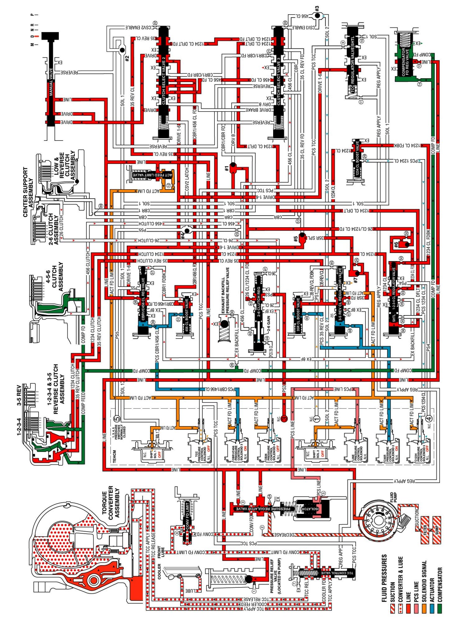
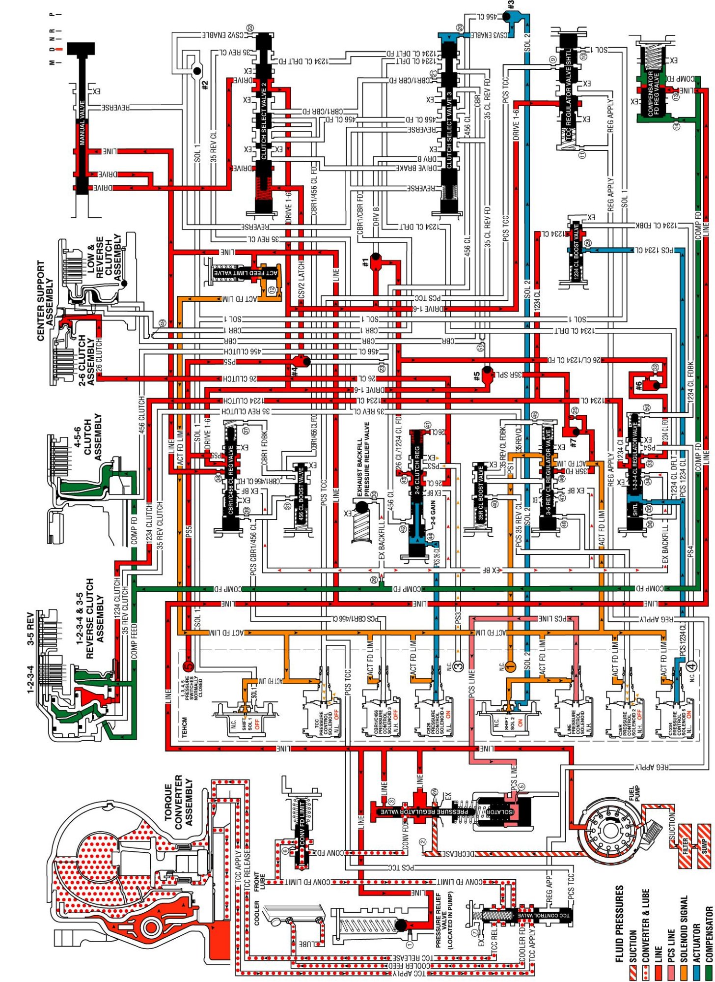
Drive Range, First Gear Engine Braking





Drive Range, First Gear





Drive Range, Second Gear





Drive Range, Third Gear





Drive Range, Third Gear Default





Drive Range, Fifth Gear





Drive Range, Fifth Gear Default





Drive Range, Sixth Gear





Drive Range, Fourth Gear





Park - Engine Running





Reverse





Neutral - Engine Running