Curiosii for ever!
: Car repair manuals for everyone.
Home
>>
Cadillac
>>
2009
>>
STS RWD V8-4.4L SC
>>
Repair and Diagnosis
>>
Diagrams
>>
Electrical Diagrams
>>
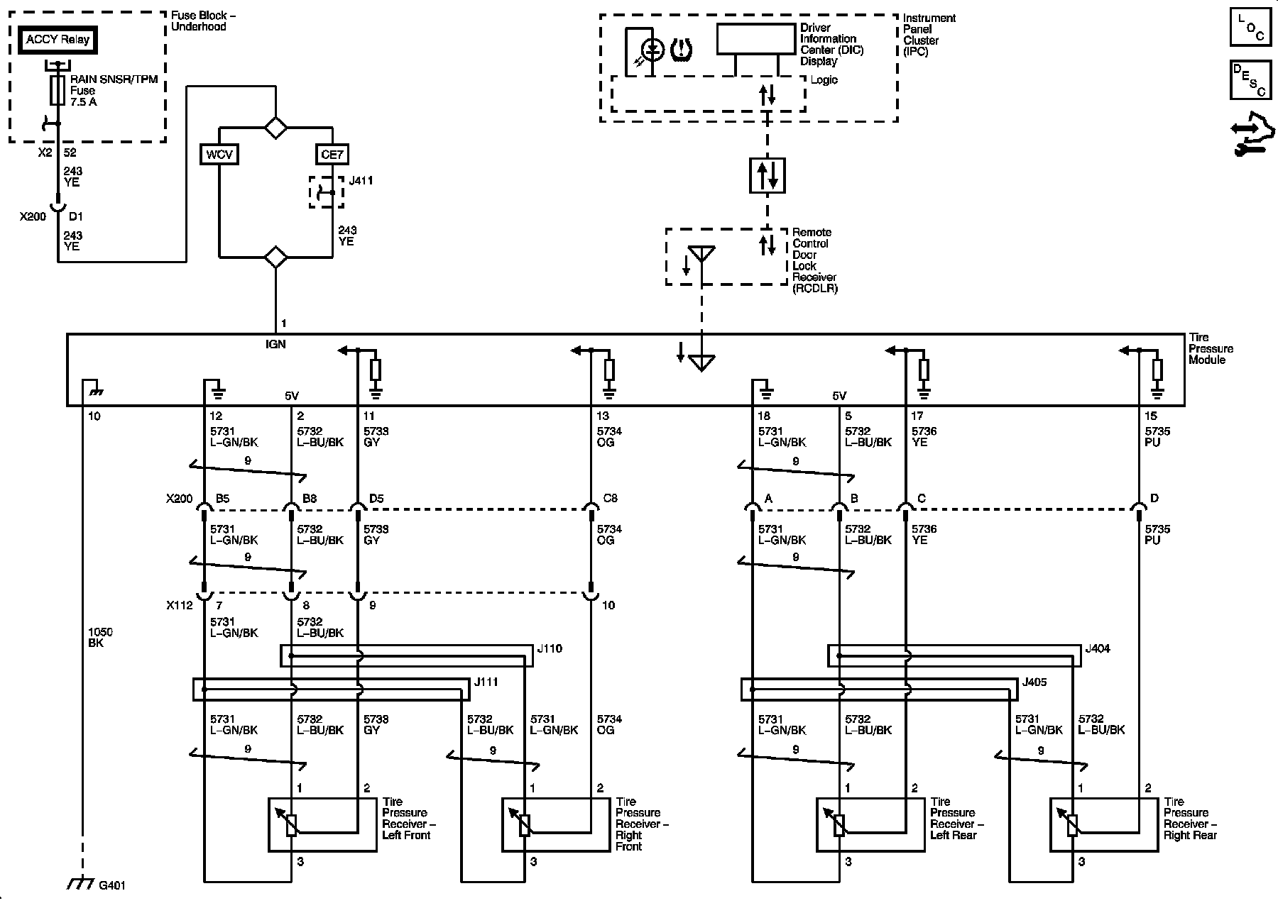
Tire Monitoring System
Tire Monitoring System
Tire Pressure Monitoring System Schematics
UH3