Curiosii for ever!
: Car repair manuals for everyone.
Home
>>
Cadillac
>>
2009
>>
STS RWD V8-4.4L SC
>>
Repair and Diagnosis
>>
Diagrams
>>
Electrical Diagrams
>>
Steering
>>
Steering Column
>>
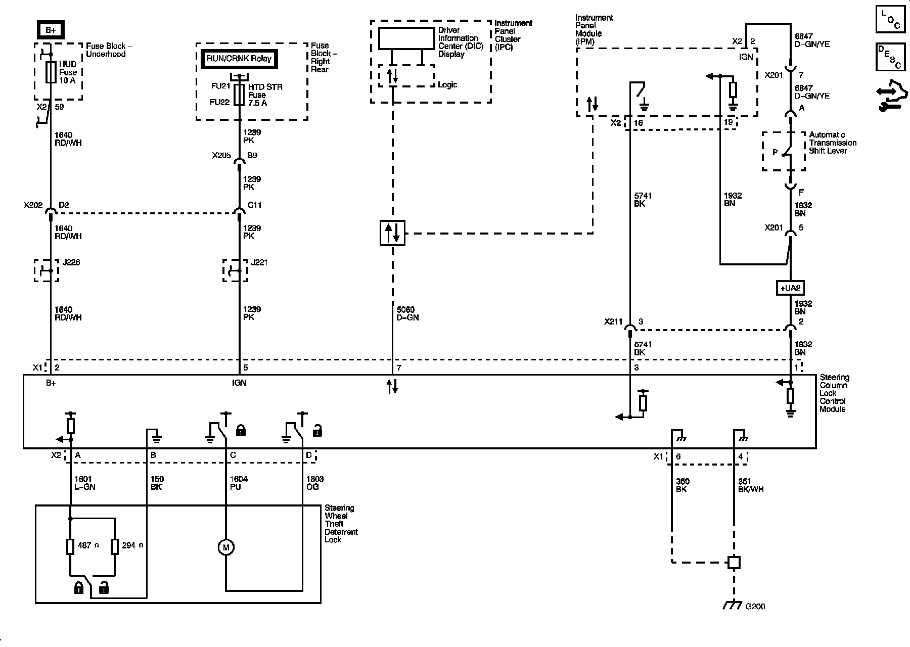
Column Lock Schematics
Column Lock Schematics
Column Lock Schematics