Curiosii for ever!: Car repair manuals for everyone.

System Diagram



ENGINE CONTROLS SCHEMATICS

ECM Power, Ground, Serial Data, and MIL







Engine Data Sensors - 5-Volt and Low Reference










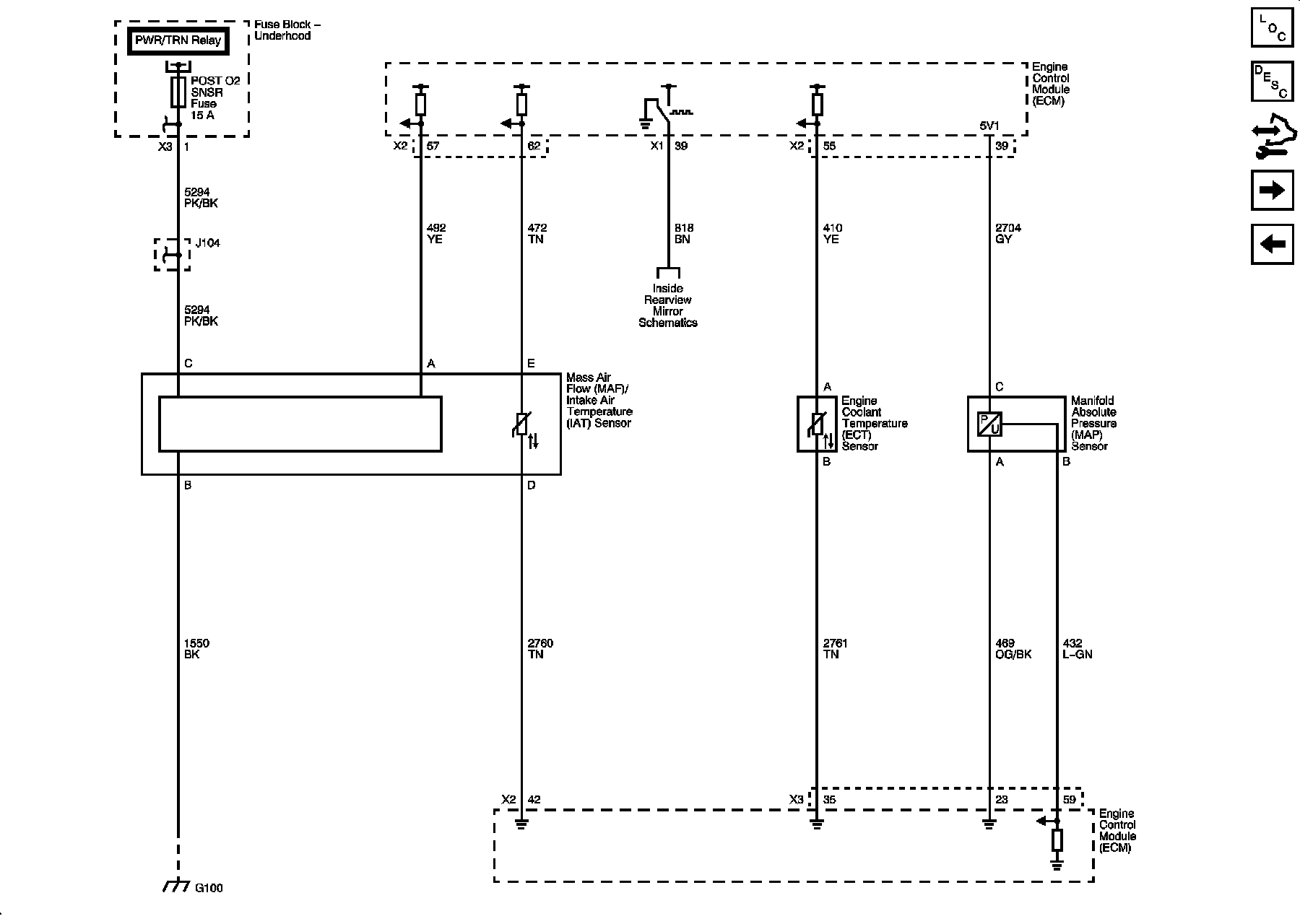
Engine Data Sensors - Pressure, Temperature, MAF, VSS







Engine Data Sensors - Oxygen Sensors







Engine Data Sensors - Electronic Throttle Controls







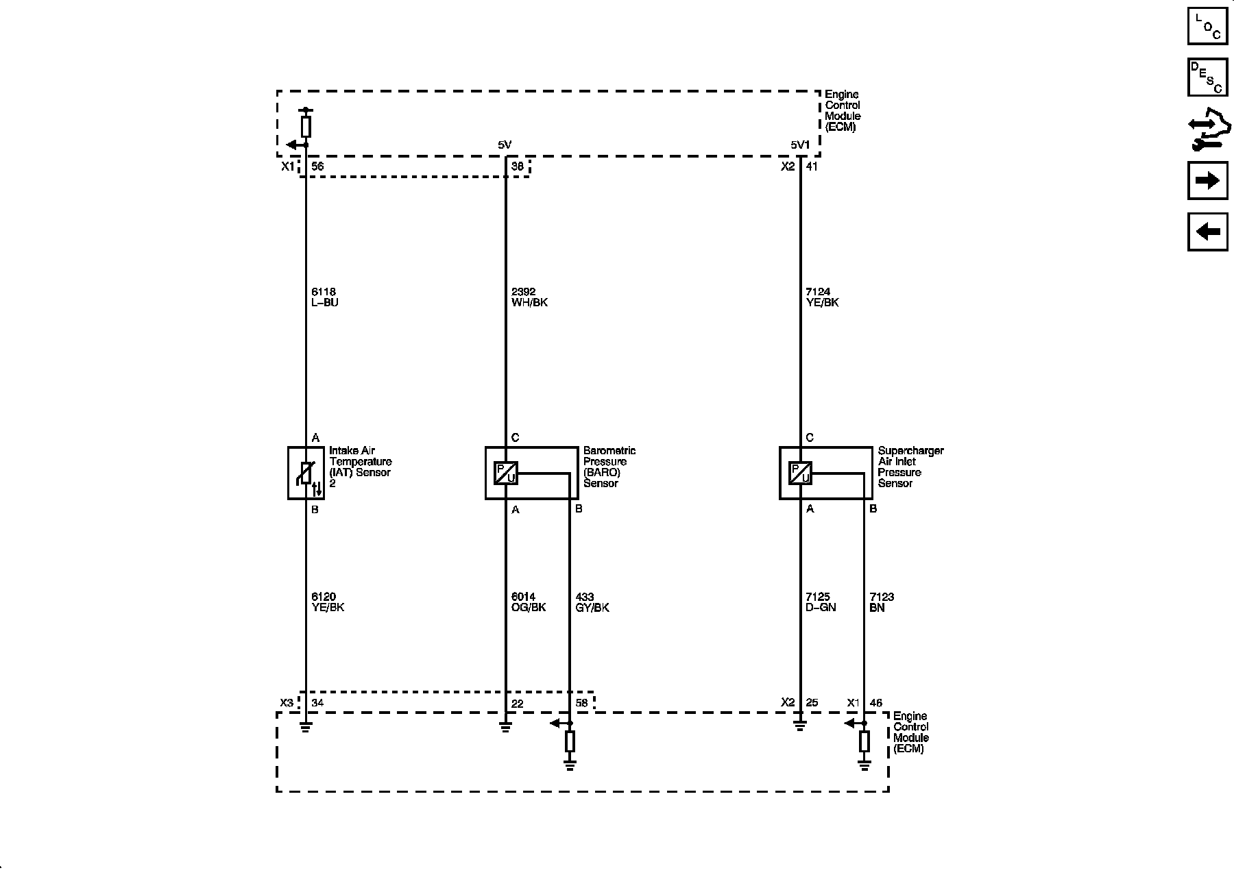
Engine Data Sensors - IAT 2, BARO, SCIAP







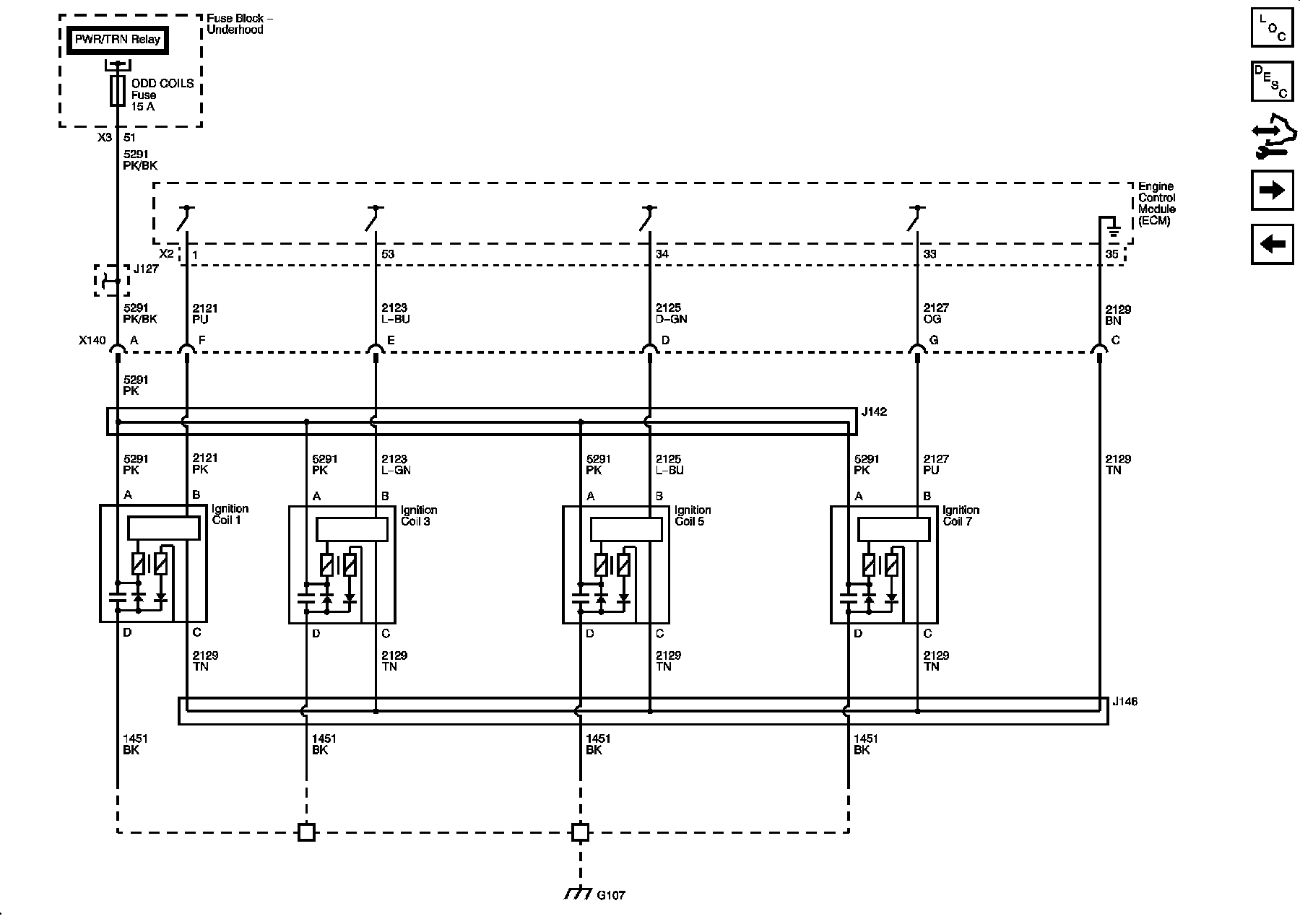
Ignition Controls - Ignition System Bank 1







Ignition Controls - Ignition System Bank 2







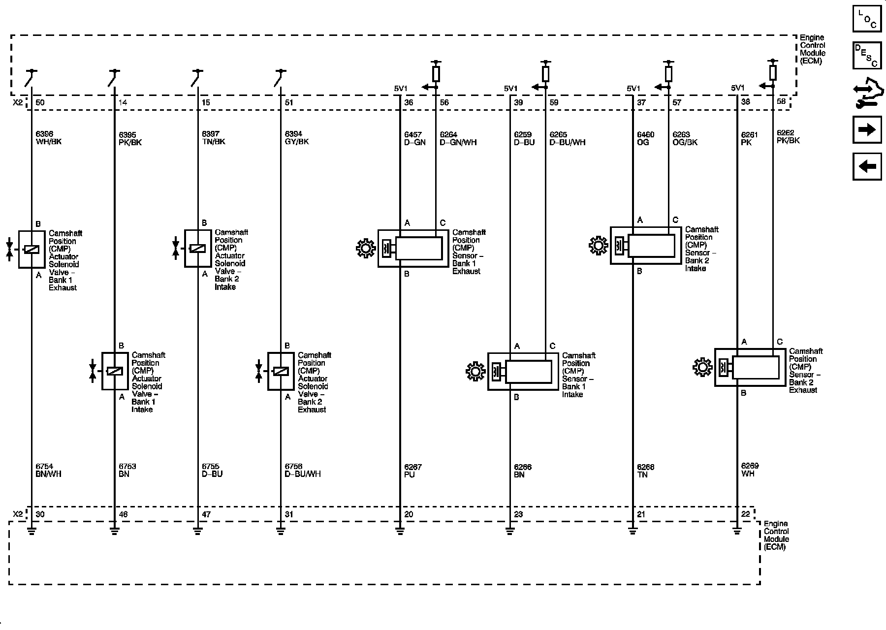
Ignition Controls - CMP Sensors and Solenoids







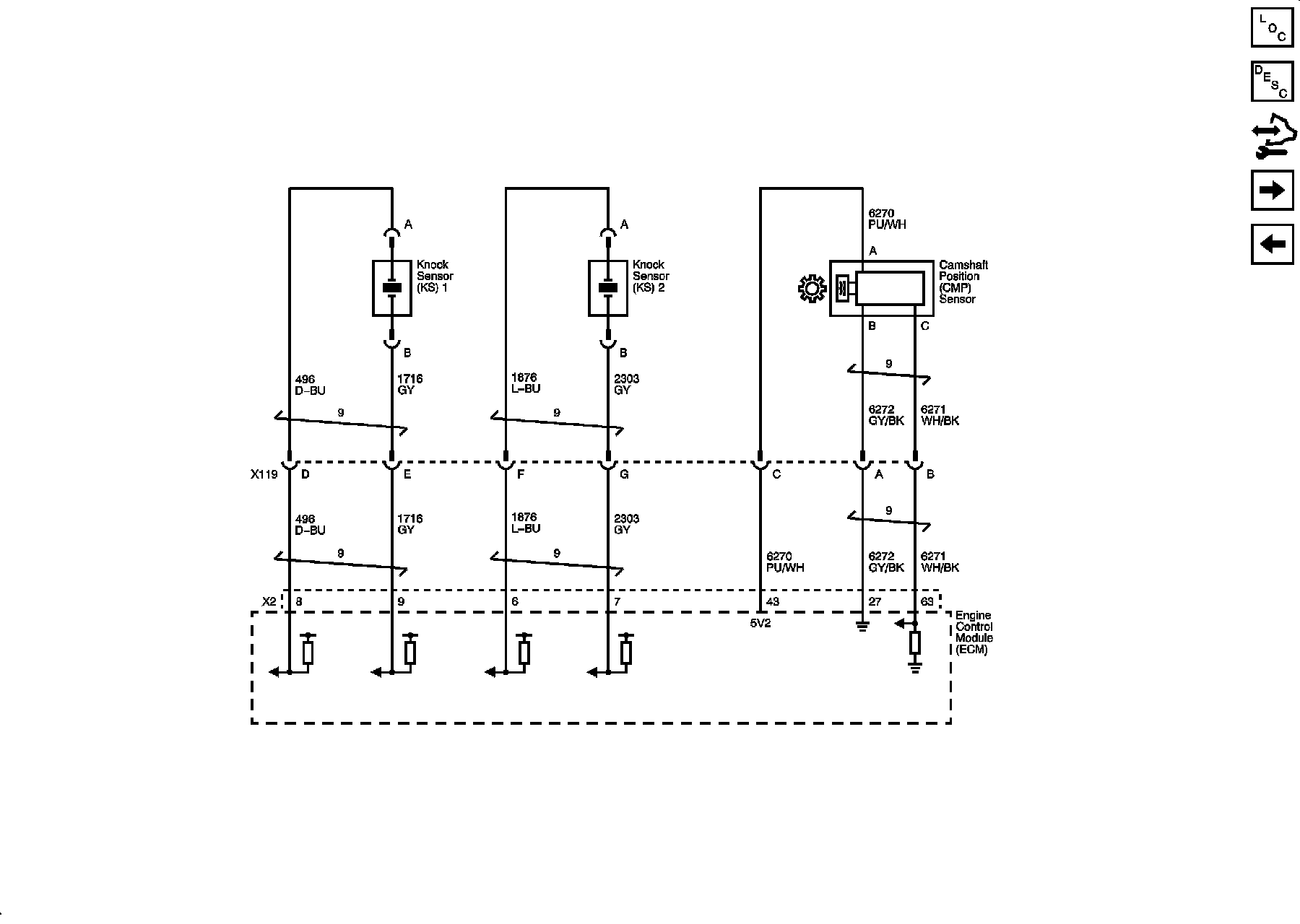
Crankshaft Position (CKP) Sensor and Knock Sensors







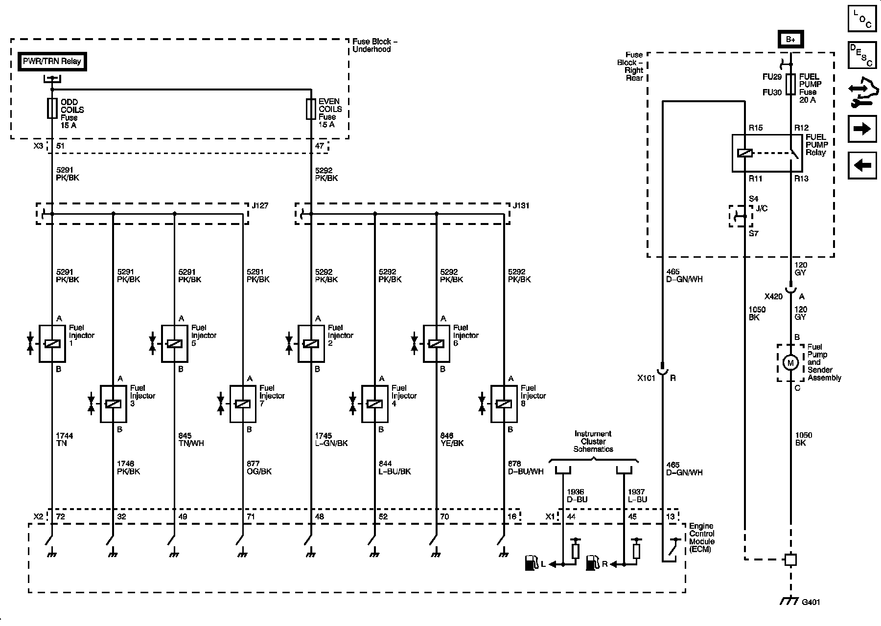
Fuel Controls - Injectors and Pump







Fuel Controls - EVAP, Fuel Tank Pressure (FTP) Sensor, Vacuum Bypass Valve







Charge Air Cooler (CAC) Coolant Pump







Controlled/Monitored Subsystem References







Locations: The locations for the Connectors, Grounds, Splices, and Grommets shown within these diagrams can be found via their numbers at Vehicle Locations. Locations