Curiosii for ever!: Car repair manuals for everyone.

Electrical Diagrams



ENGINE CONTROLS SCHEMATICS

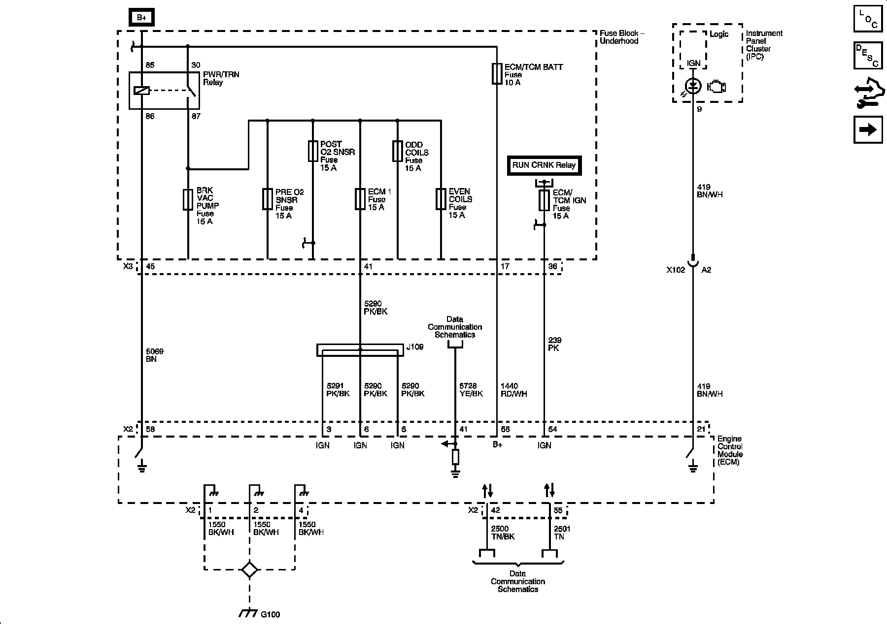
ECM Power, Ground, DLC, and MIL







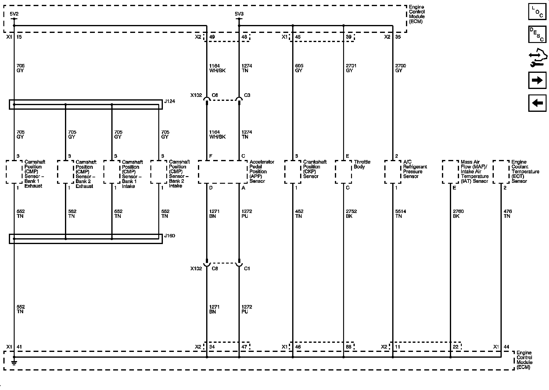
Engine Data Sensors - 5-Volt Reference Bus







Engine Data Sensors - Low Reference Bus







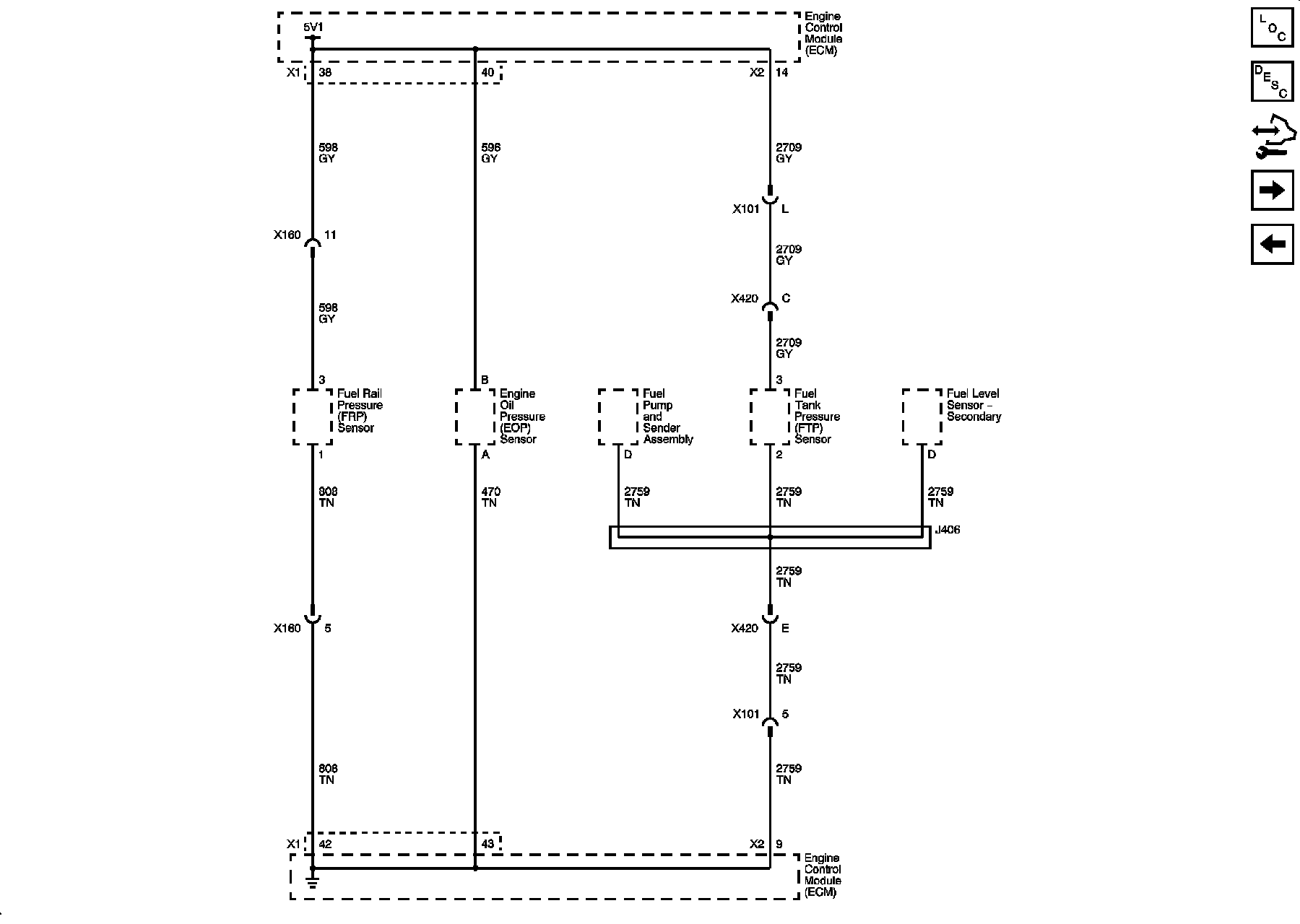
Engine Data Sensors - Pressure and Temperature







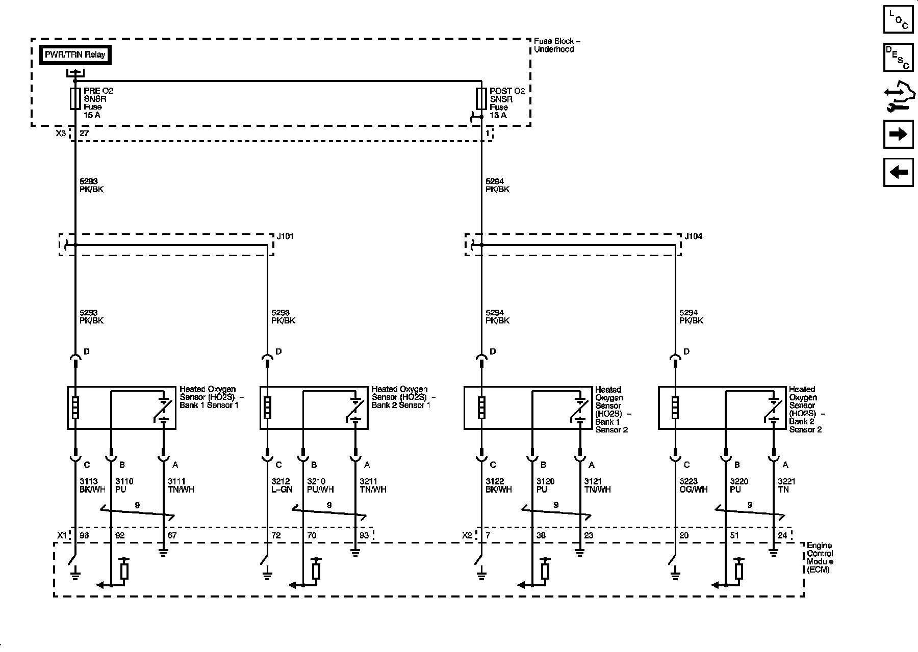
Engine Data Sensors - Oxygen Sensors







Engine Data Sensors - Electronic Throttle Controls







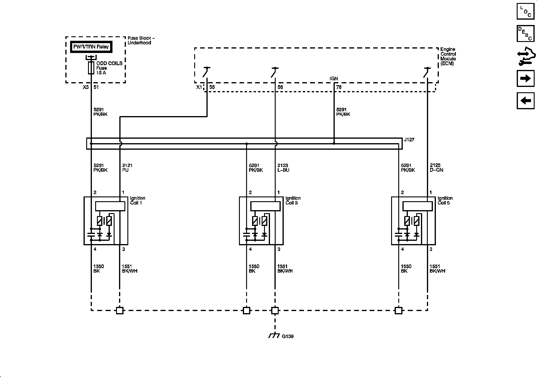
Ignition Controls - Bank 1 Ignition Coils







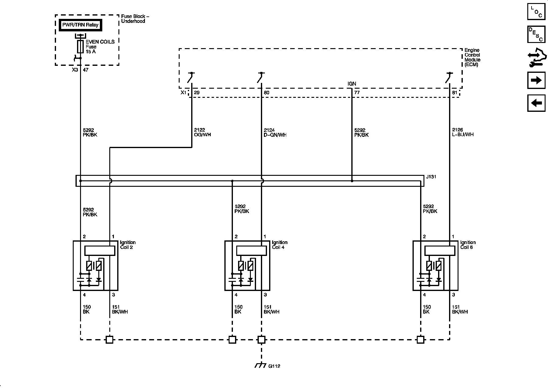
Ignition Controls - Bank 2 Ignition Coils







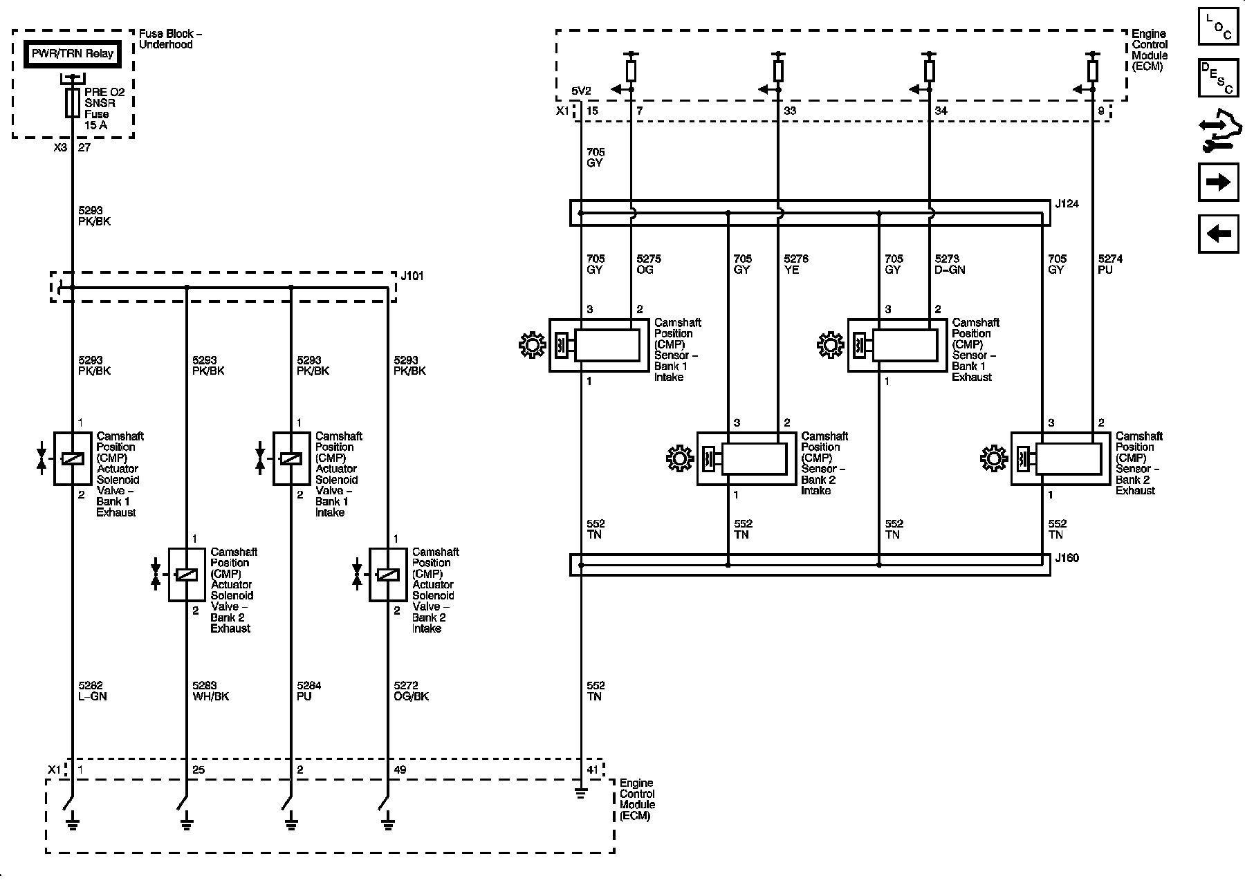
Ignition Controls - CMP Sensors and Solenoids







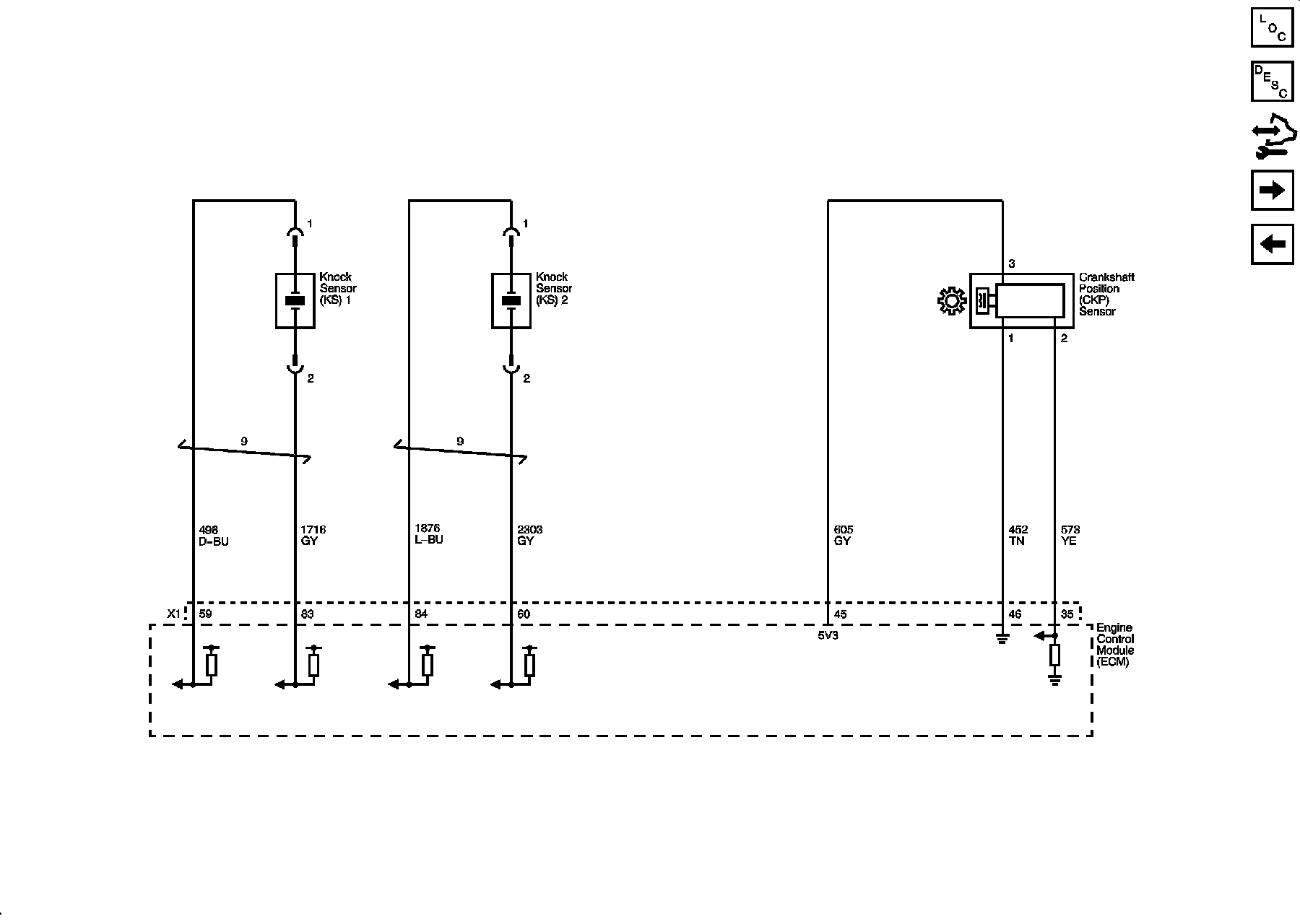
Ignition Controls - CKP Sensor and Knock Sensors







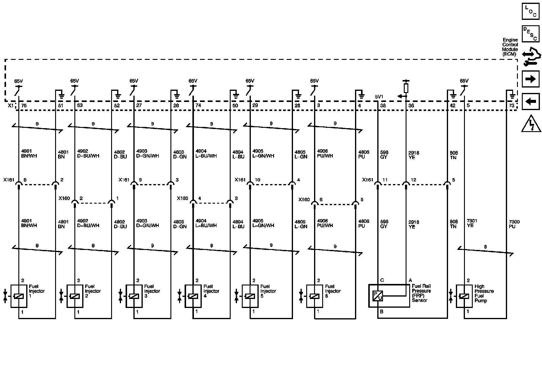
Fuel Controls - Fuel Injectors, Fuel Rail Pressure Sensor and High Pressure Fuel Pump Actuator







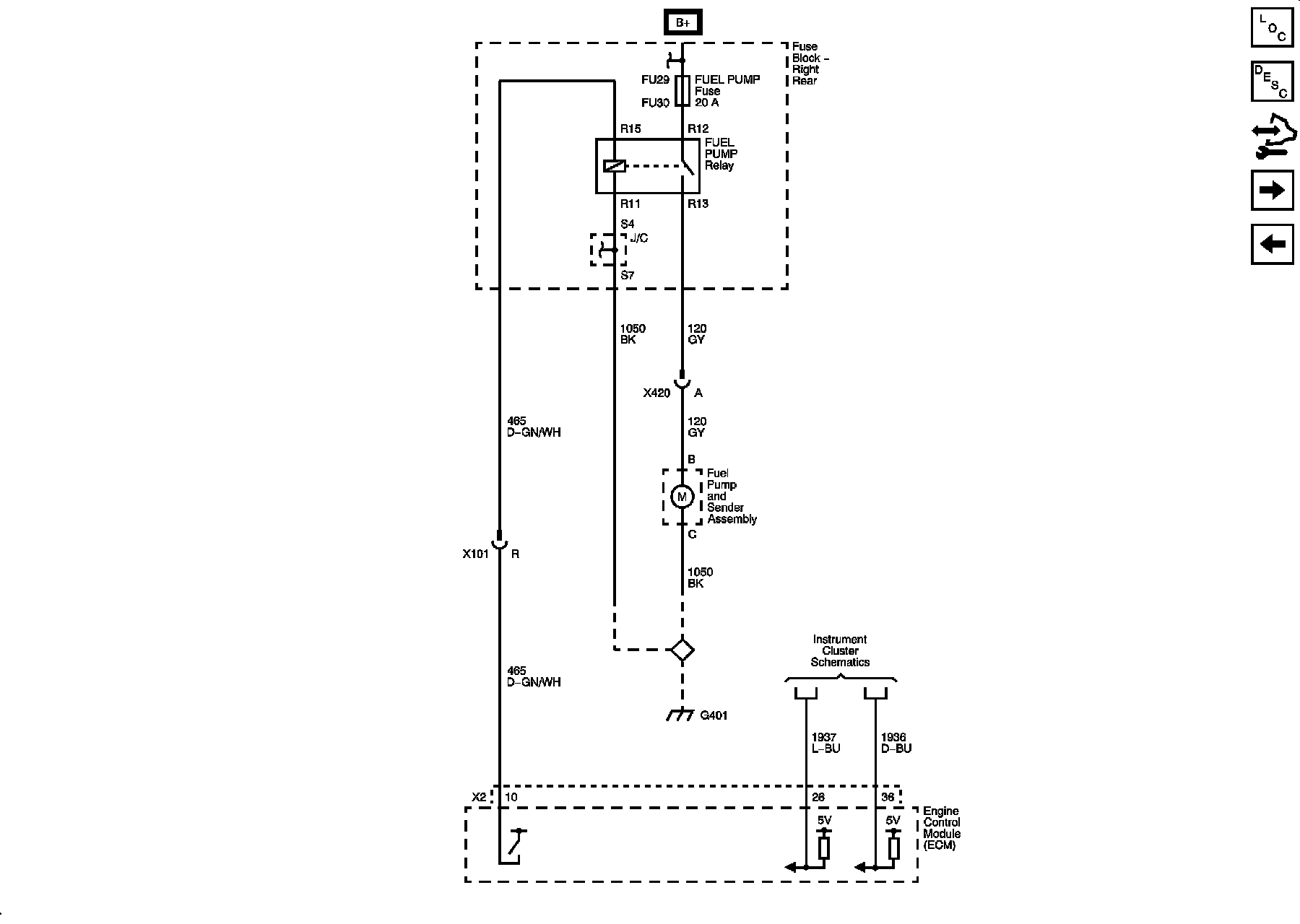
Low Pressure Fuel Pump







Fuel Controls - EVAP Controls







Controlled/Monitored Subsystem References







Locations: The locations for the Connectors, Grounds, Splices, and Grommets shown within these diagrams can be found via their numbers at Vehicle Locations. Locations