Curiosii for ever!
: Car repair manuals for everyone.
Home
>>
Cadillac
>>
2009
>>
STS AWD V8-4.6L
>>
Repair and Diagnosis
>>
Starting and Charging
>>
Diagrams
>>
Electrical Diagrams
Electrical Diagrams
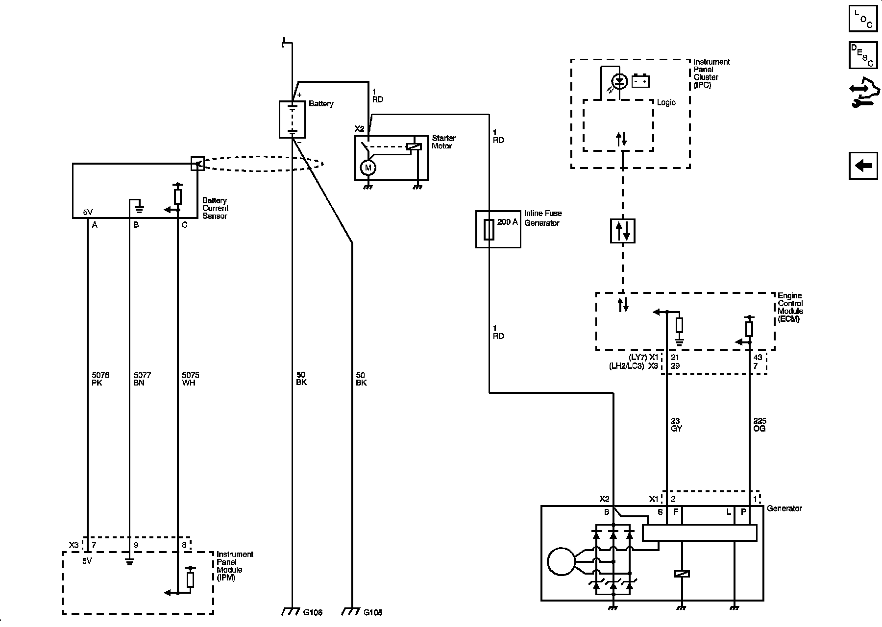
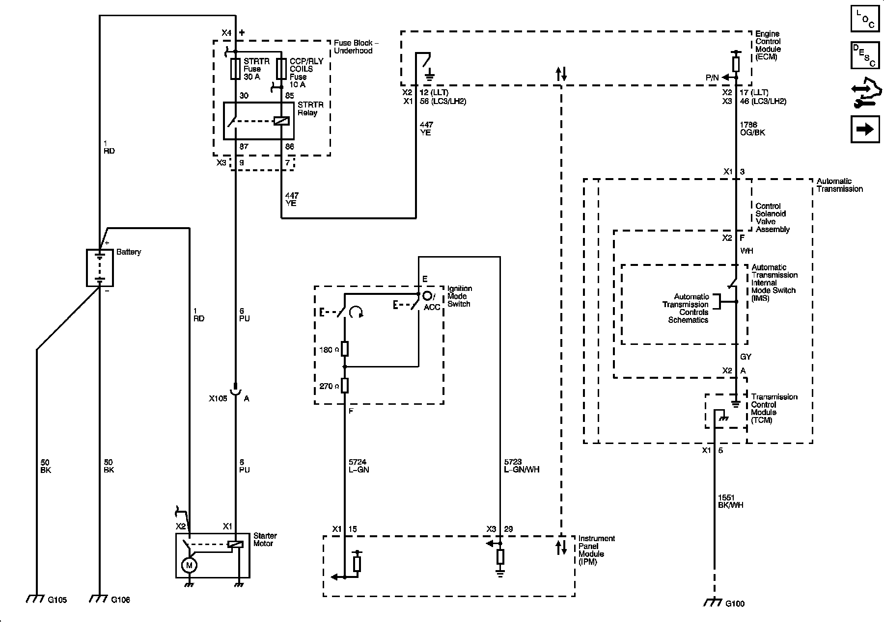
Starting and Charging
Schematics
Starting System
Charging System