Curiosii for ever!: Car repair manuals for everyone.

Electrical Diagrams



ENGINE CONTROLS SCHEMATICS

ECM Power, Ground, Serial Data, and MIL







Engine Data Sensors - 5-Volt and Low Reference 1 of 2










Engine Data Sensors - Pressure, Temperature, MAF, VSS







Engine Data Sensors - Oxygen Sensors







Engine Data Sensors - Electronic Throttle Controls







Ignition Controls - Ignition System Bank 1







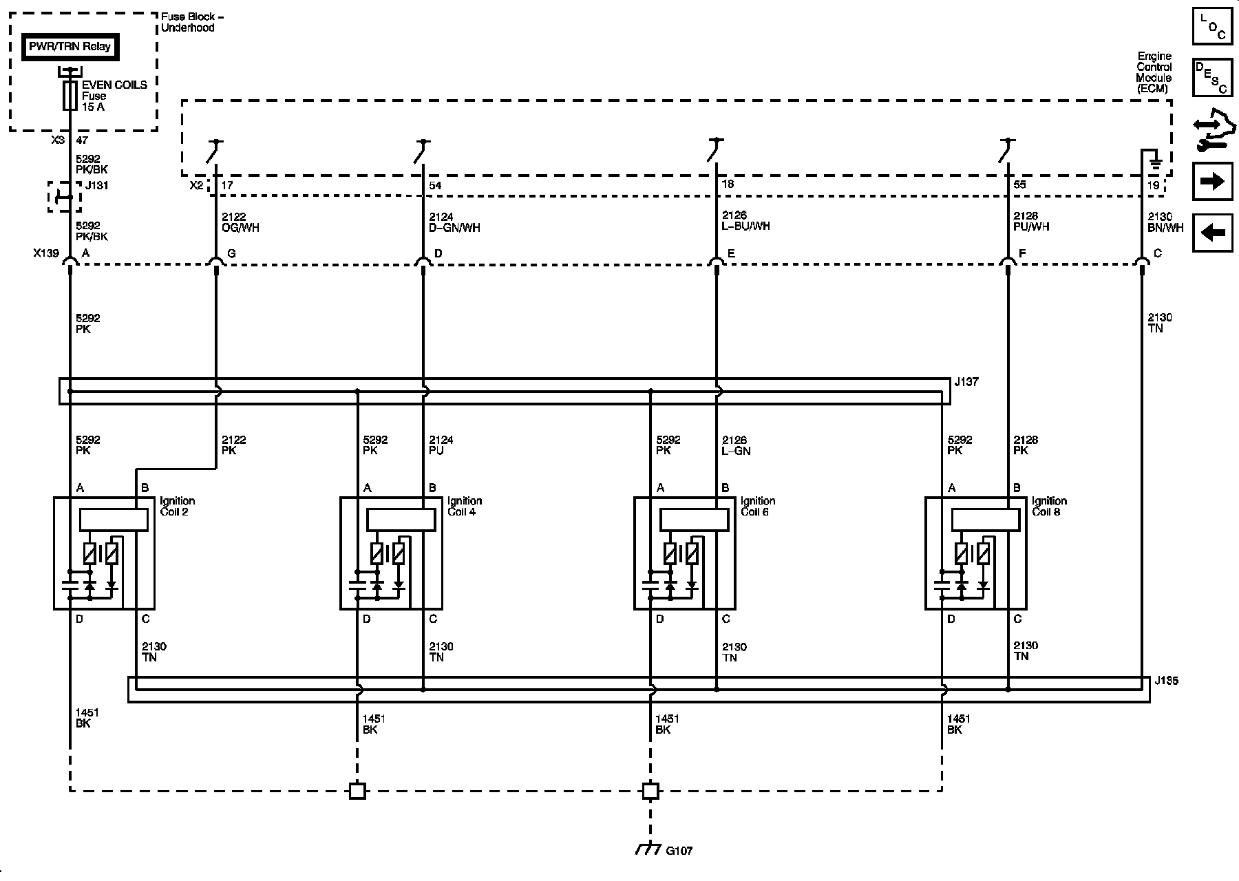
Ignition Controls - Ignition System Bank 2







Ignition Controls - CMP Sensors and Solenoids







Crankshaft Position (CKP) Sensor and Knock Sensors







Fuel Controls - Injectors and Pump







Fuel Controls - EVAP and Fuel Tank Pressure (FTP) Sensor







Fuel Controls - Controlled/Monitored Subsystem References







Locations: The locations for the Connectors, Grounds, Splices, and Grommets shown within these diagrams can be found via their numbers at Vehicle Locations. Locations