Curiosii for ever!
: Car repair manuals for everyone.
Home
>>
Cadillac
>>
2009
>>
STS AWD V6-3.6L
>>
Repair and Diagnosis
>>
Transmission and Drivetrain
>>
Automatic Transmission/Transaxle
>>
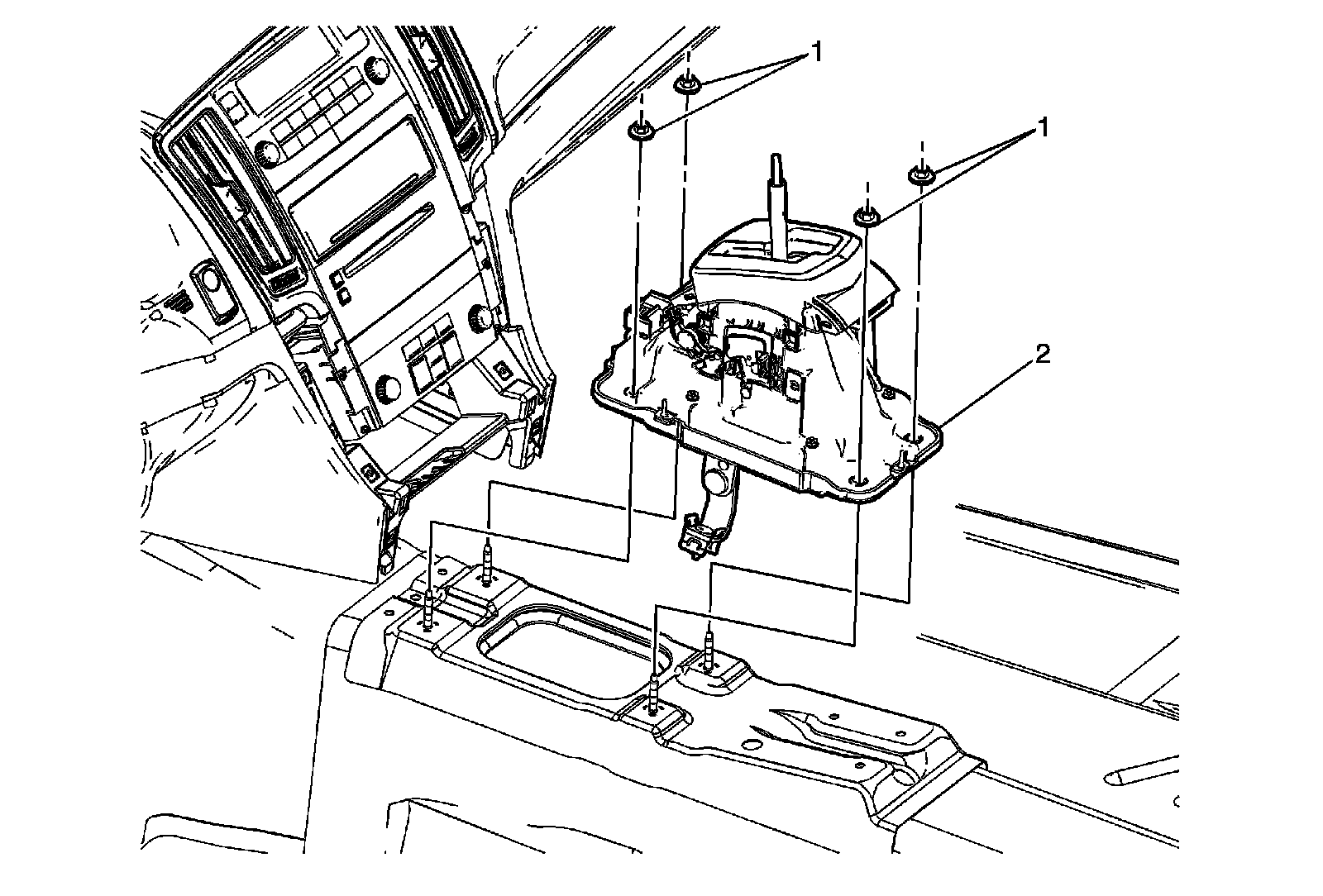
Shifter A/T
>>
Service and Repair
>>
Transmission Control Replacement
Transmission Control Replacement
Transmission Control Replacement