Curiosii for ever!
: Car repair manuals for everyone.
Home
>>
Cadillac
>>
2009
>>
STS AWD V6-3.6L
>>
Repair and Diagnosis
>>
Diagrams
>>
Electrical Diagrams
>>
Transmission Control Systems
Transmission Control Systems
Automatic Transmission Controls Schematics
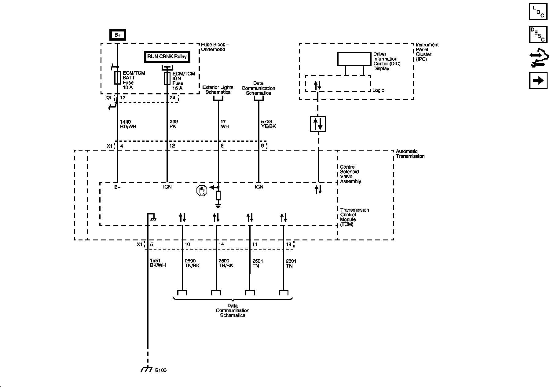
Module Power, Ground, and Data Communication
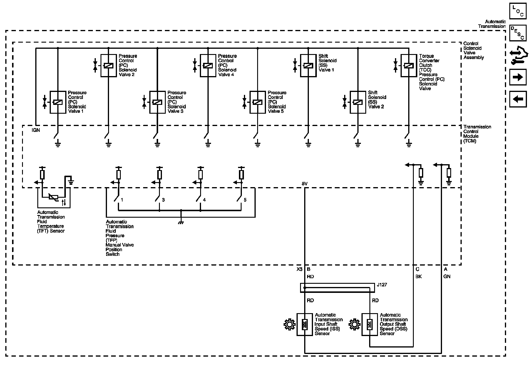
ISS, OSS, TFP, and TFT Sensors, Pressure Controls, and Shift Controls
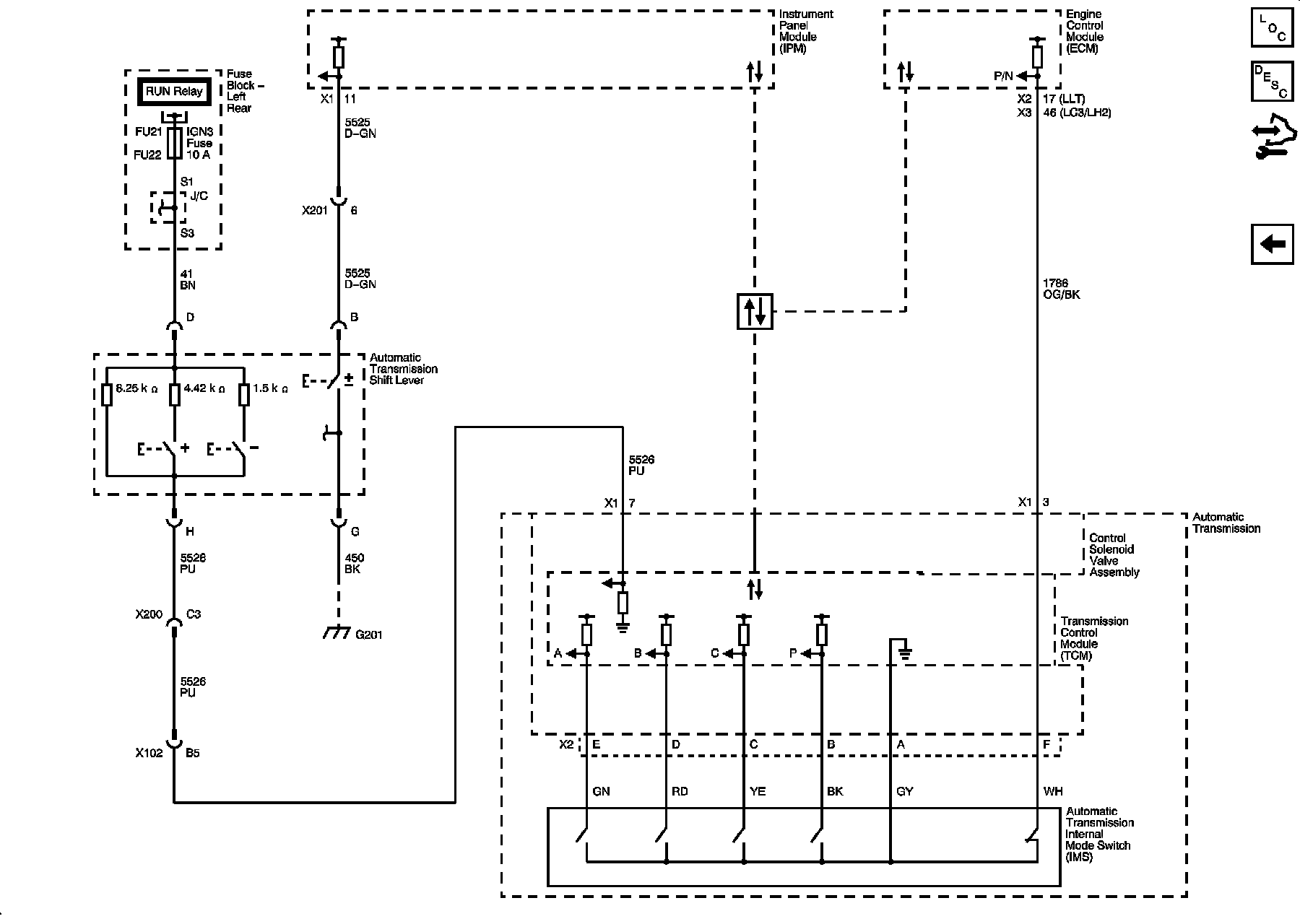
IMS and Tap Up/Tap Down Switches