Curiosii for ever!
: Car repair manuals for everyone.
Home
>>
Cadillac
>>
2009
>>
DTS V8-4.6L
>>
Repair and Diagnosis
>>
Diagrams
>>
Electrical Diagrams
>>
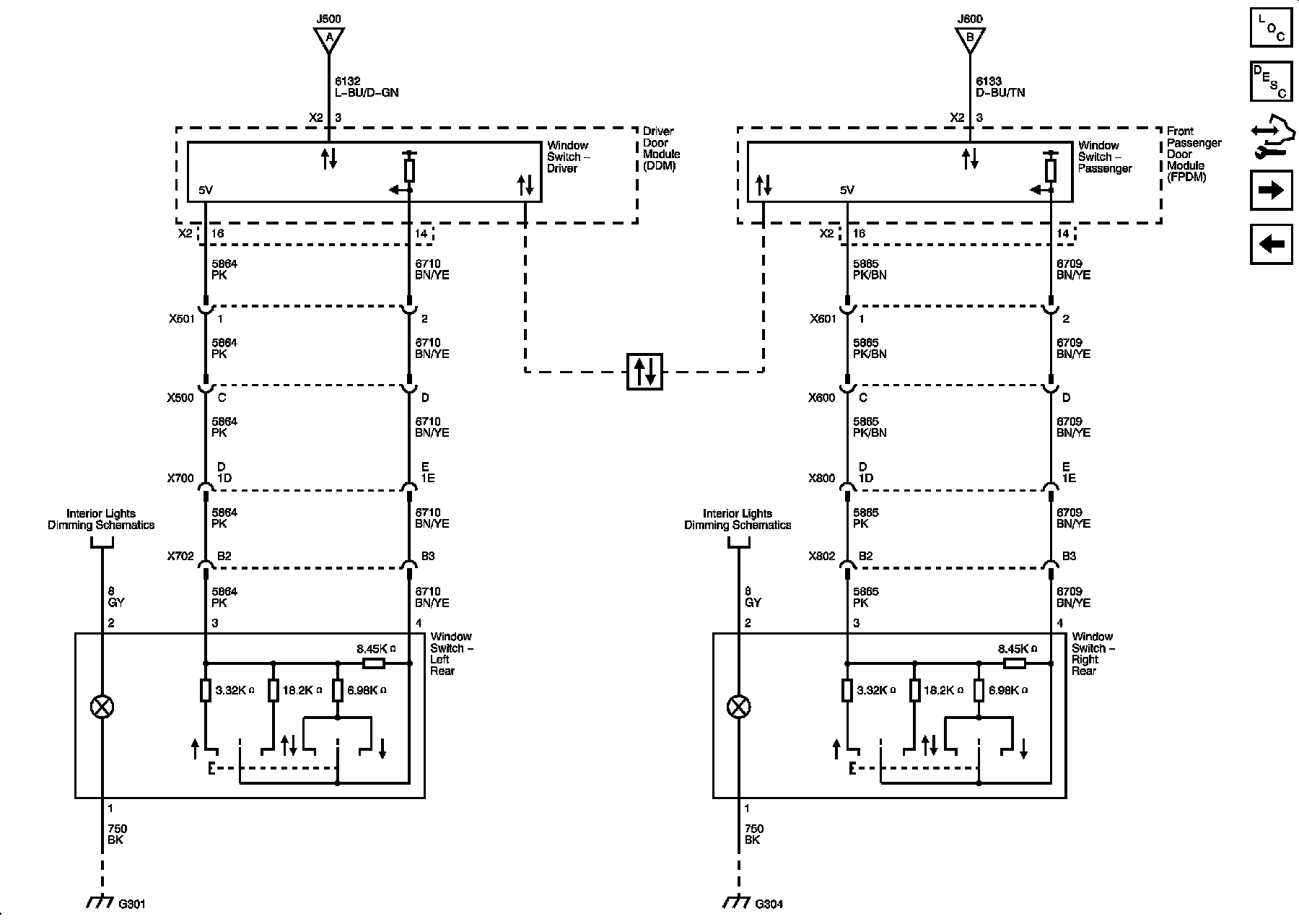
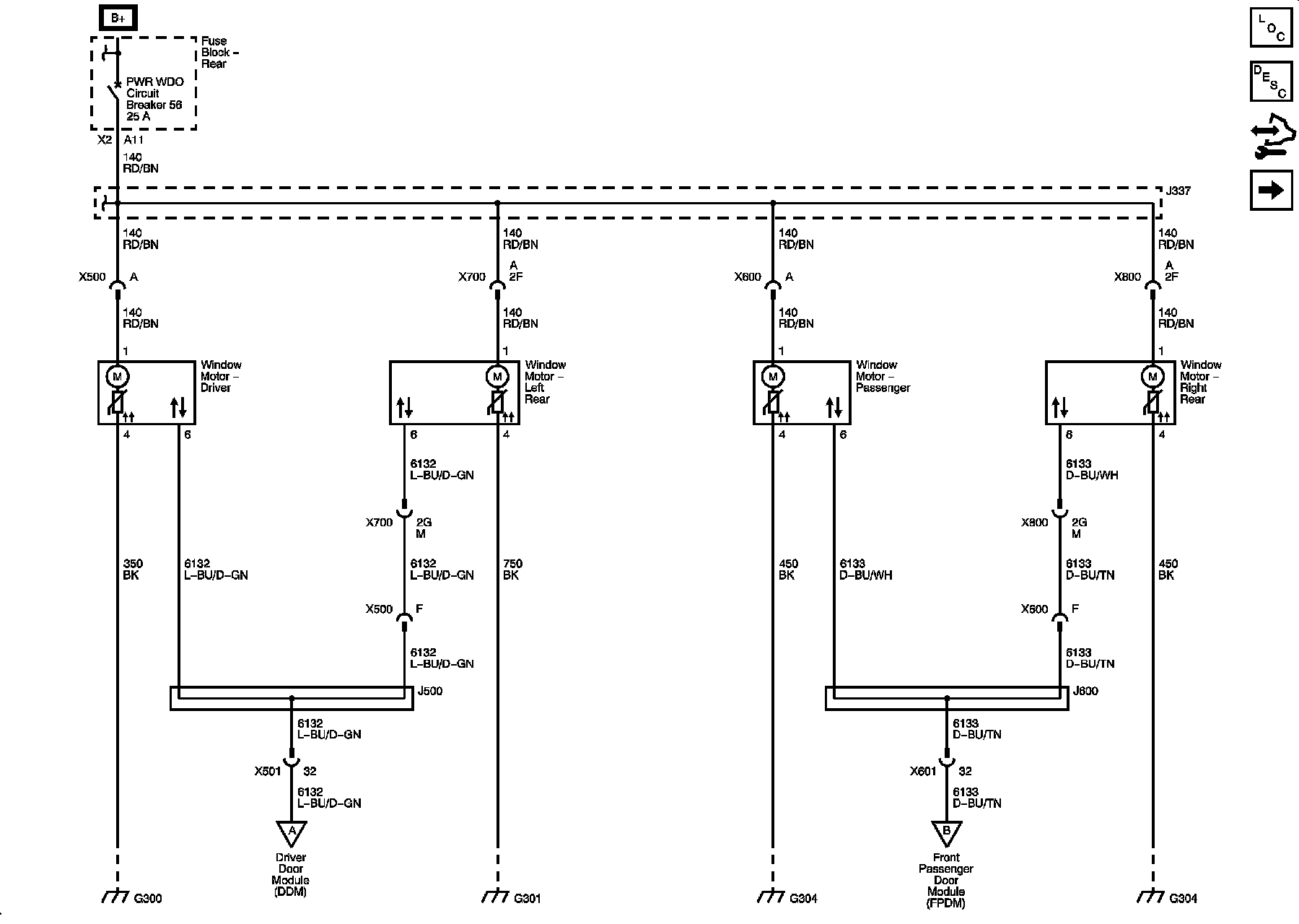
Windows
Windows
Moveable Window Schematics
Window Motors
Window Switches
Upfitter Window Provisions - V4U