Curiosii for ever!
: Car repair manuals for everyone.
Home
>>
Cadillac
>>
2009
>>
DTS V8-4.6L
>>
Repair and Diagnosis
>>
Diagrams
>>
Electrical Diagrams
>>
Transmission Control Systems
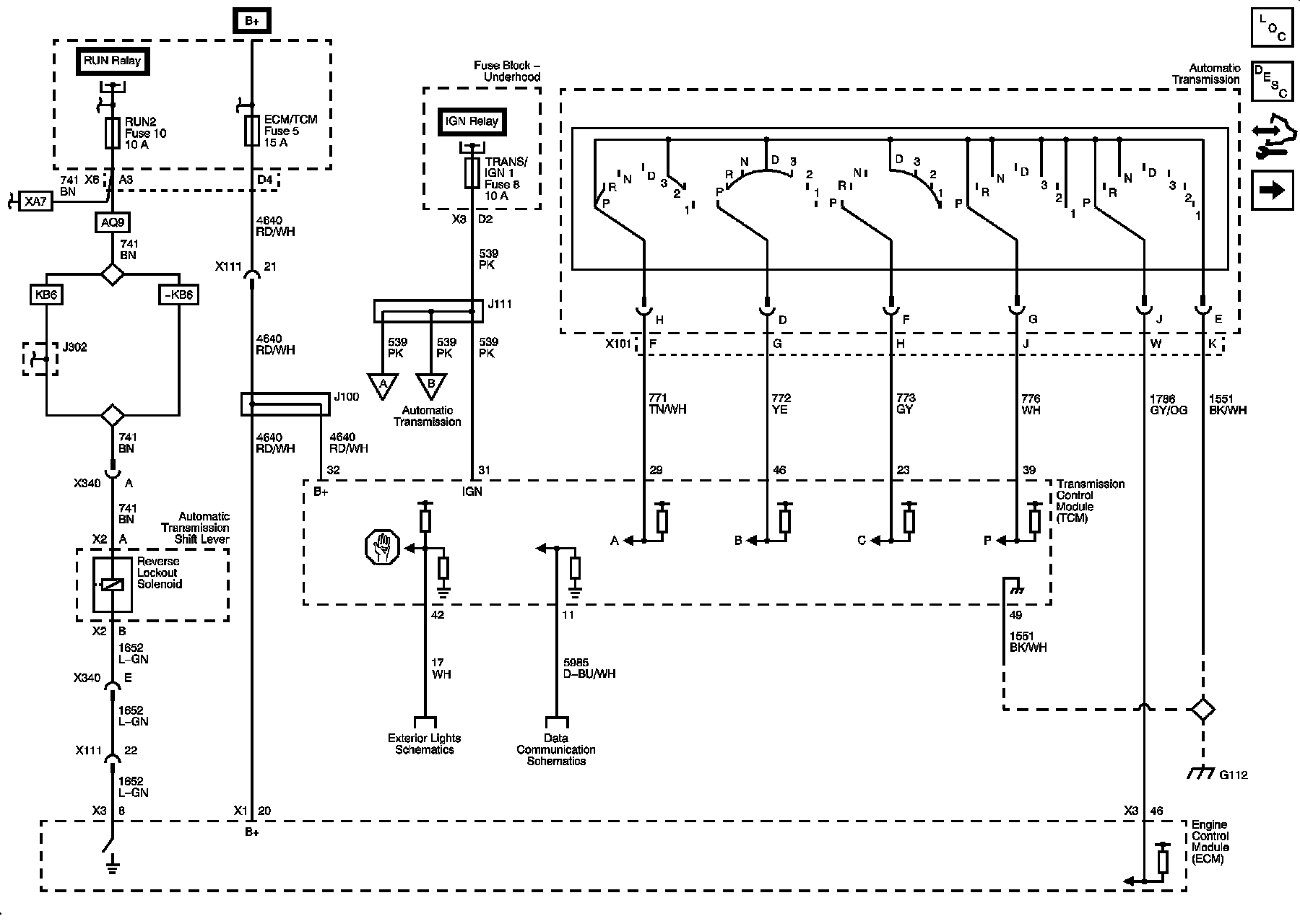
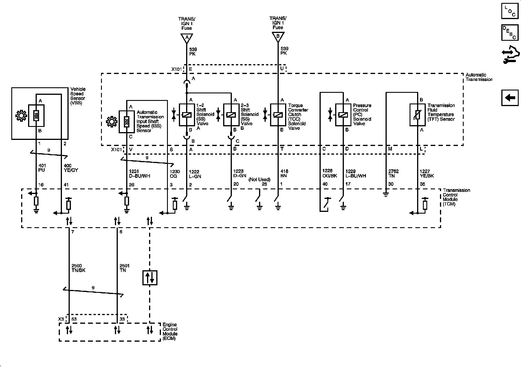
Transmission Control Systems
Automatic Transmission Controls Schematics
TCM
Power and Ground
Transmission Solenoids and
VSS