Curiosii for ever!
: Car repair manuals for everyone.
Home
>>
Cadillac
>>
2009
>>
DTS V8-4.6L
>>
Repair and Diagnosis
>>
Diagrams
>>
Electrical Diagrams
>>
Powertrain Management
>>
Computers and Control Systems
>>
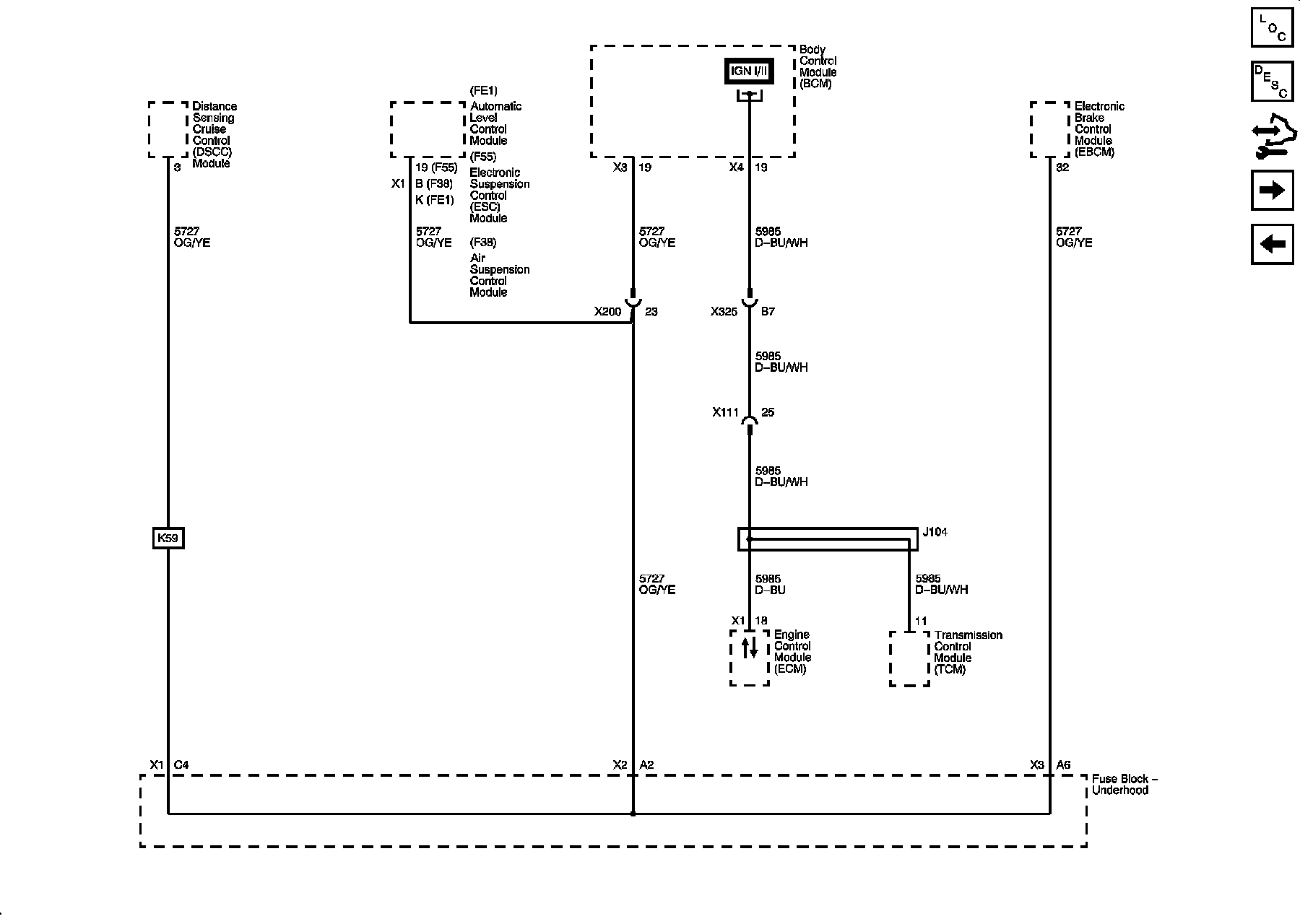
Information Bus
Information Bus
Data Communication Schematics
Power, Ground and Low Speed GMLAN
High Speed Serial Data
High Speed Serial Data, Wake Up
Local Interconnect Network (LIN)