Curiosii for ever!
: Car repair manuals for everyone.
Home
>>
Cadillac
>>
2009
>>
CTS RWD V8-6.2L SC
>>
Repair and Diagnosis
>>
Diagrams
>>
Electrical Diagrams
>>
Locks
>>
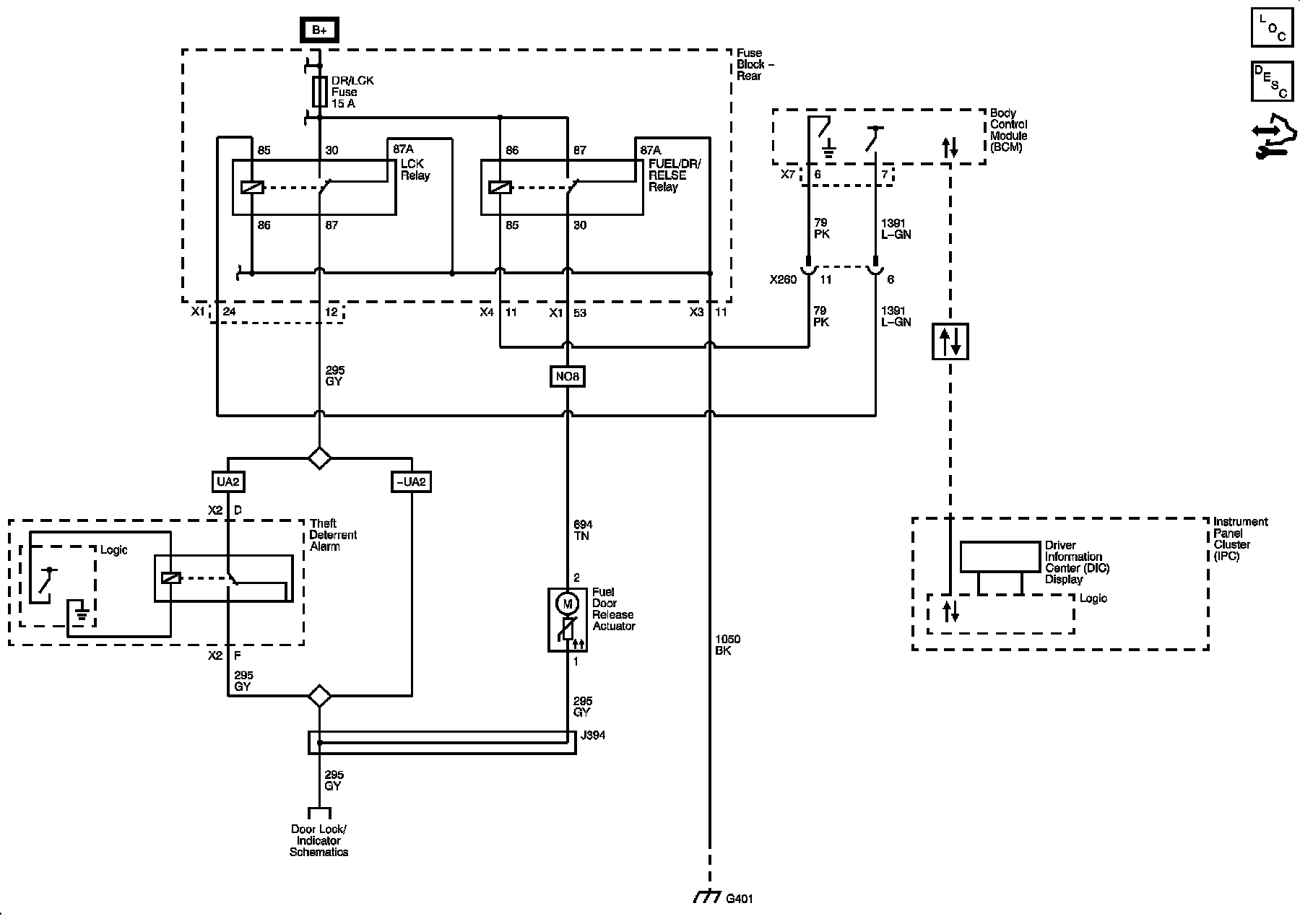
Release Systems Schematics
Release Systems Schematics
Release Systems Schematics
Release Systems Schematics 1 of 2
Release Systems Schematics 2 of 2