Curiosii for ever!: Car repair manuals for everyone.

System Diagram



ENGINE CONTROLS SCHEMATICS

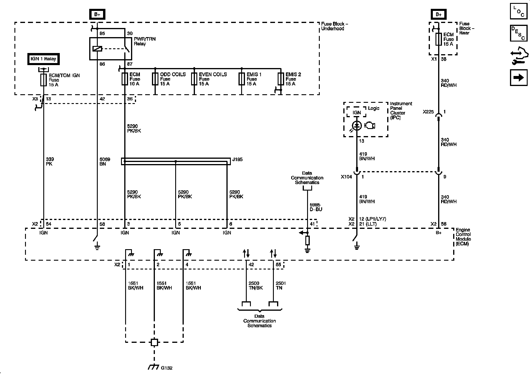
Module Power, Ground, Serial Data and MIL







5-Volt and Low Reference










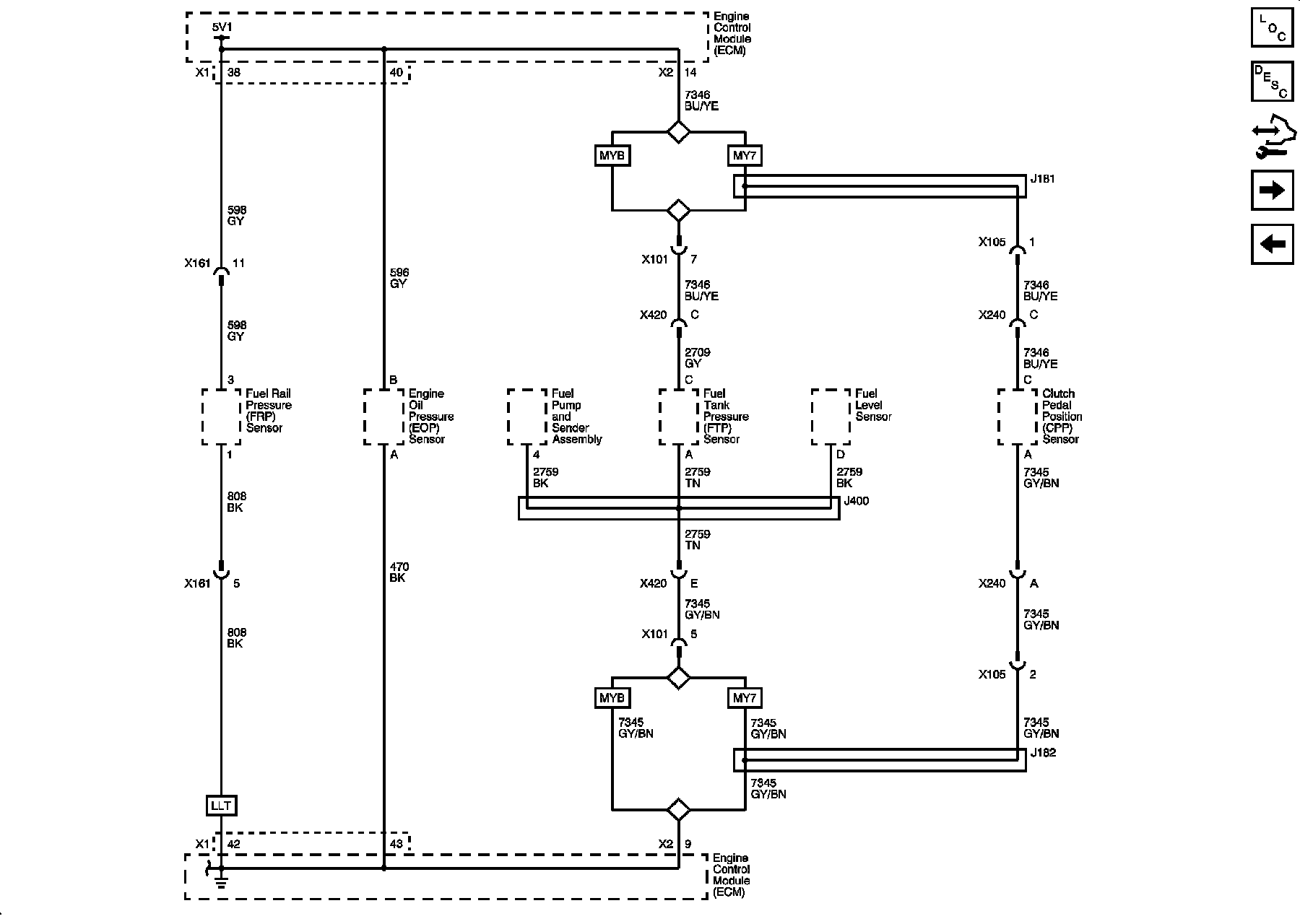
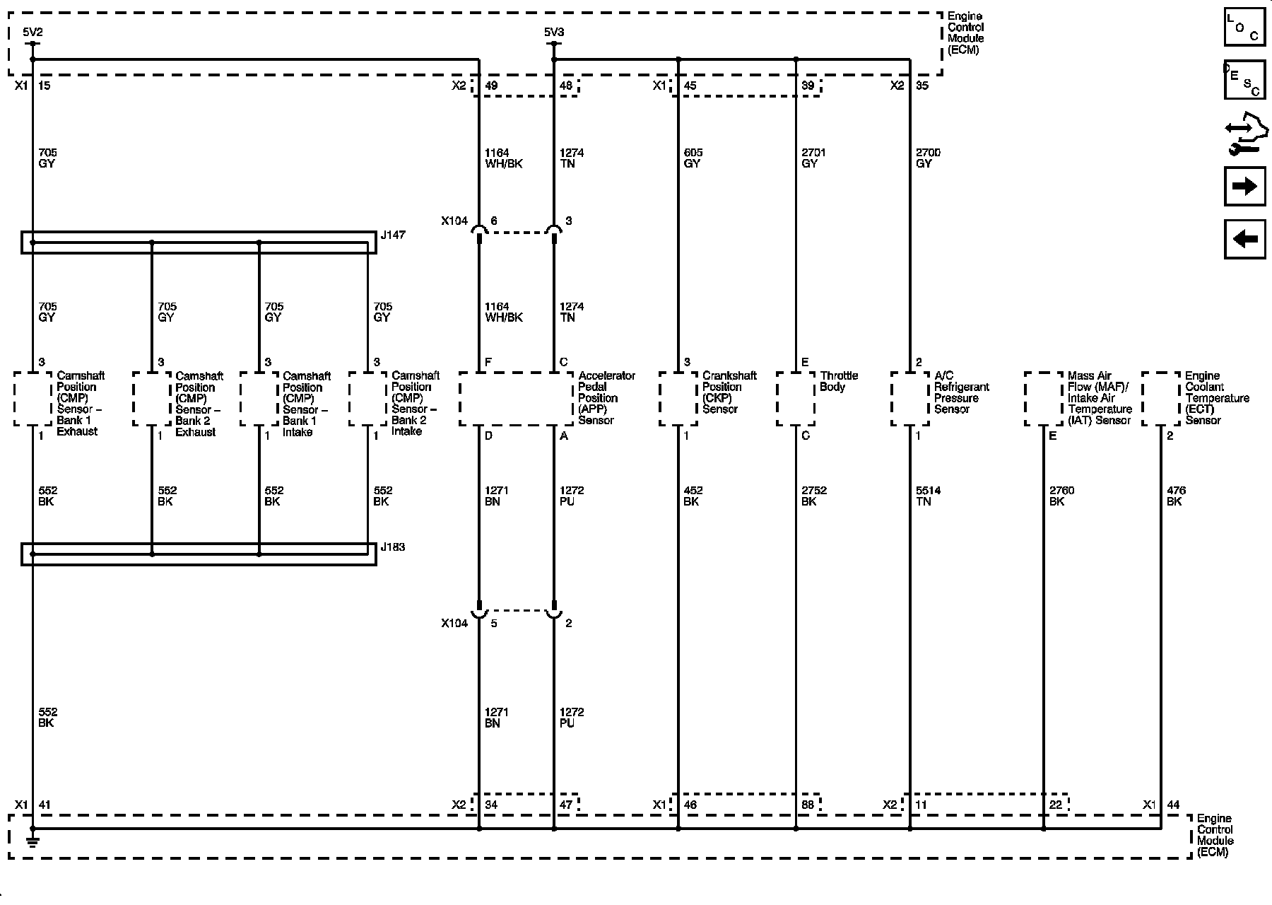
Engine Data Sensors - Pressure, Temperature, and Throttle Controls







Engine Data Sensors - HO2S







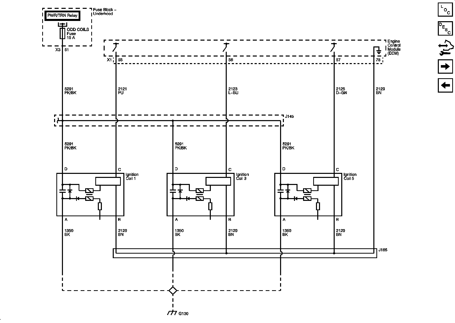
Ignition Controls - Ignition System Coils 1, 3, and 5 - LLT







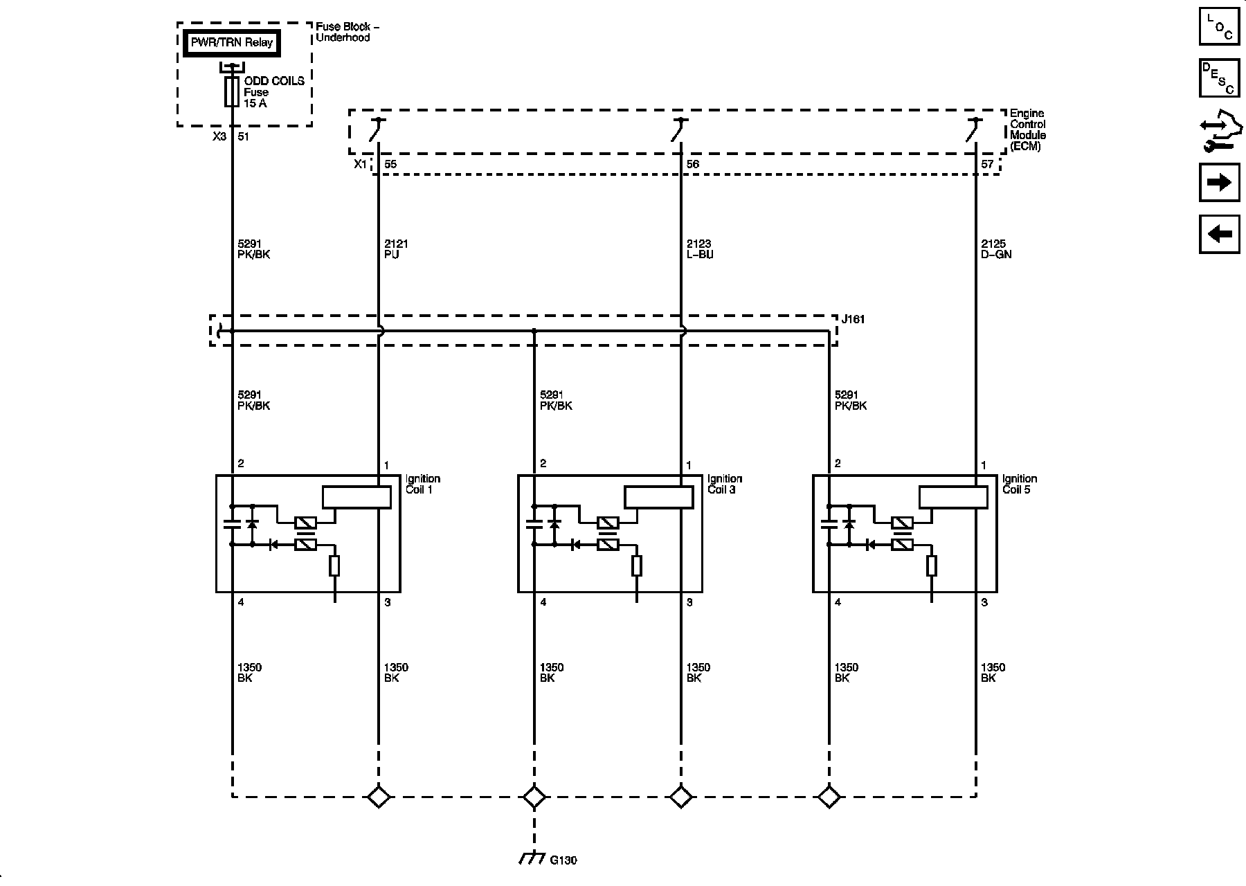
Ignition Controls - Ignition System Coils 1, 3, and 5 - LP1/LY7







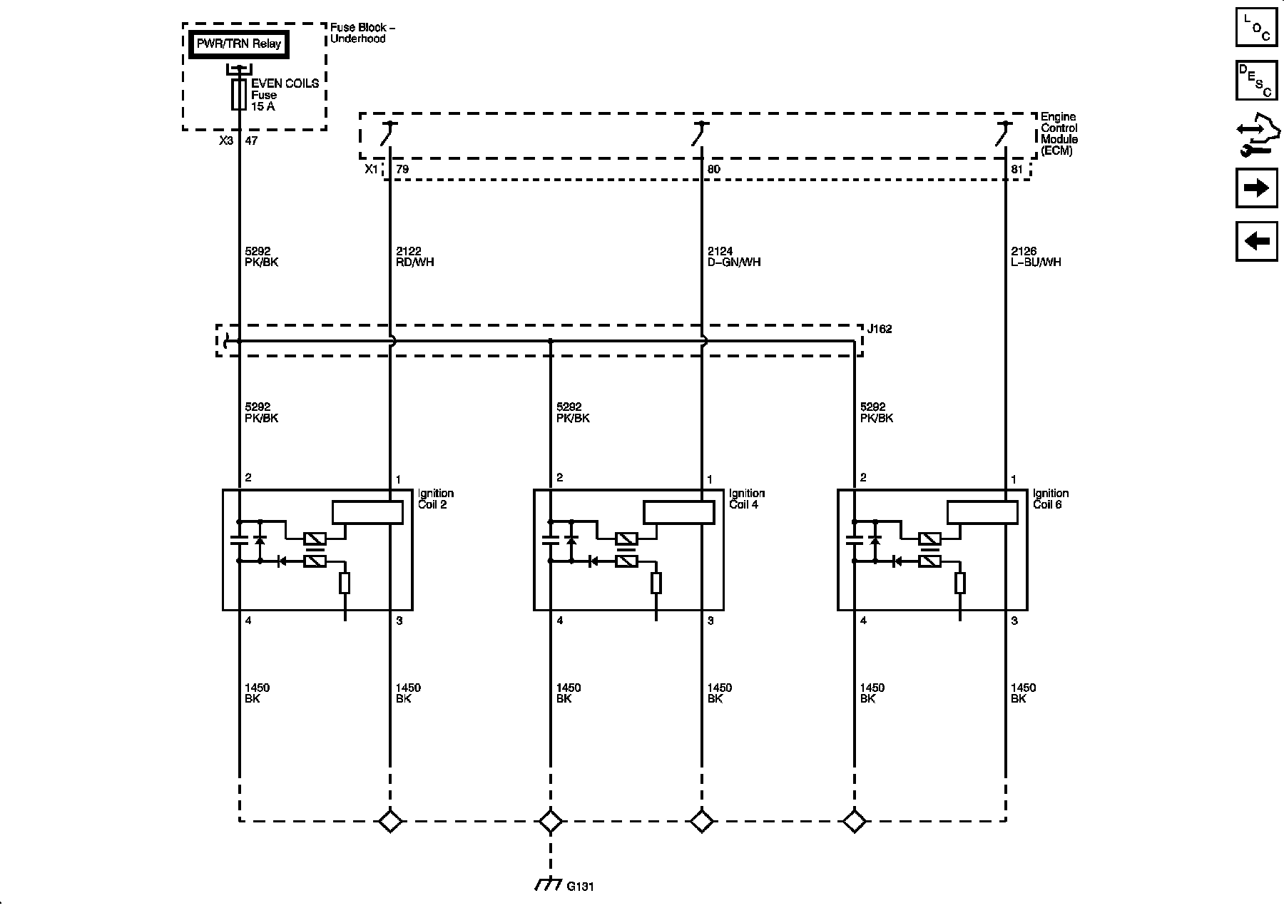
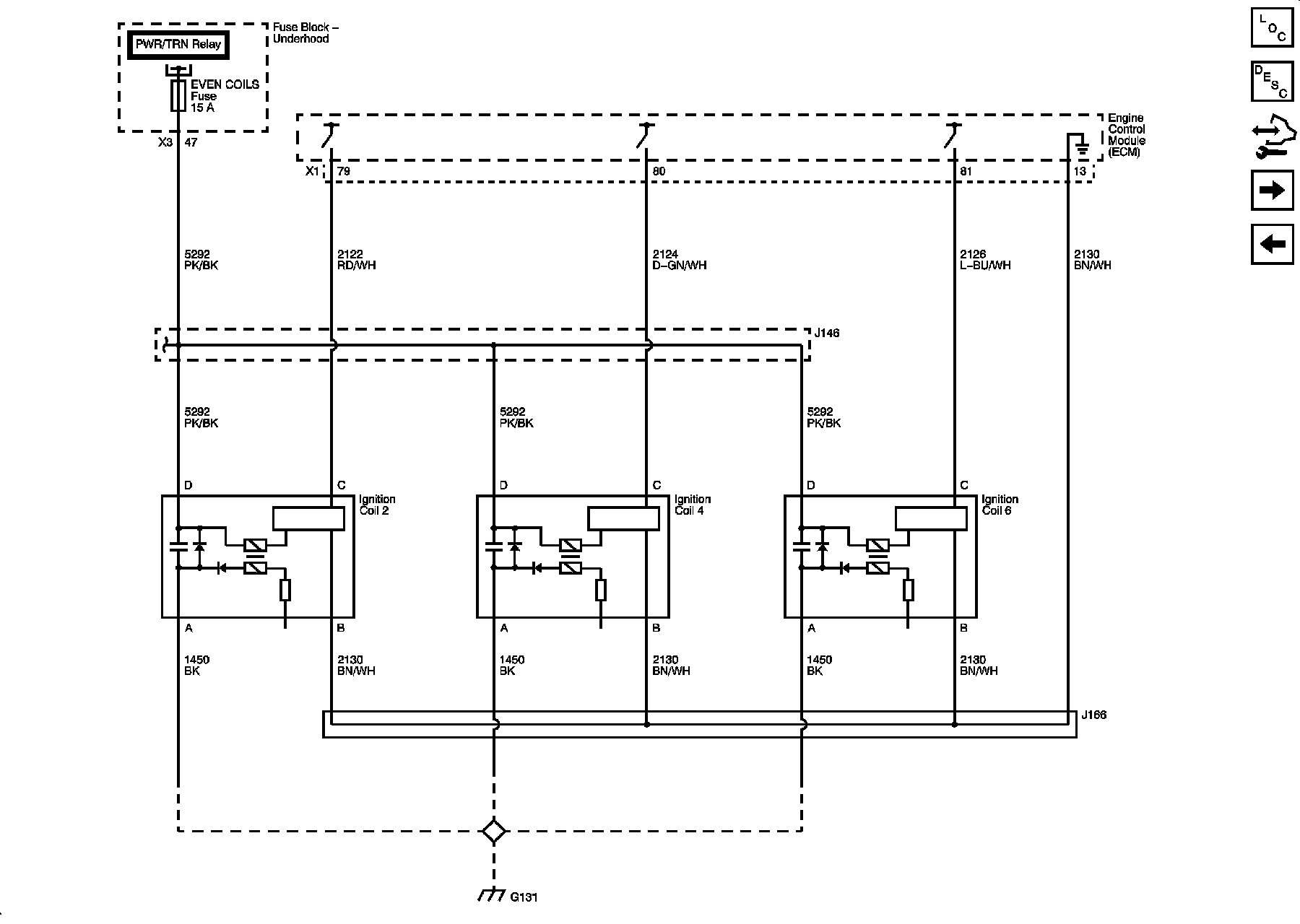
Ignition Controls - Ignition System Coils 2, 4, and 6 - LLT







Ignition Controls - Ignition System Coils 2, 4, and 6 - LP1/LY7







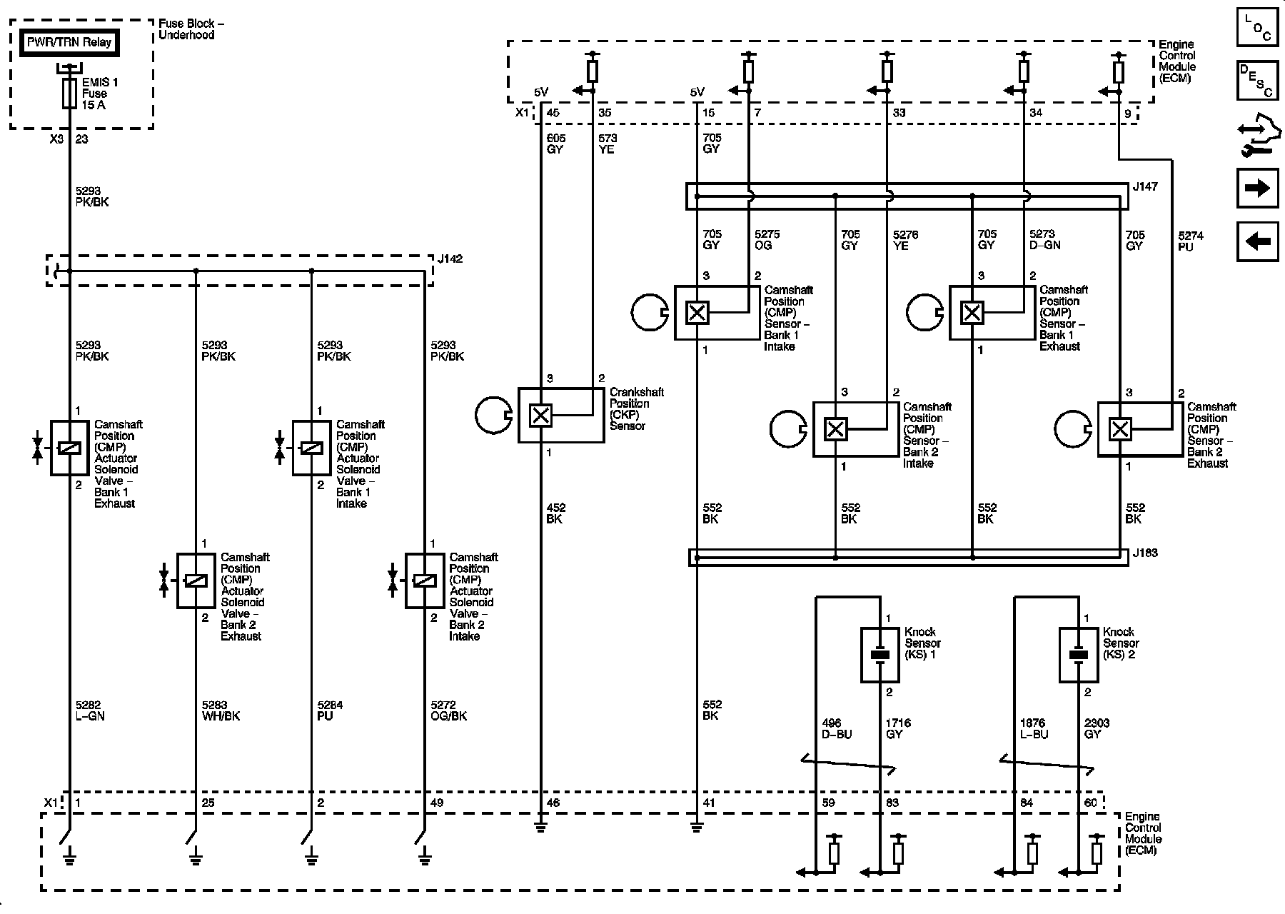
Ignition Controls - Sensors







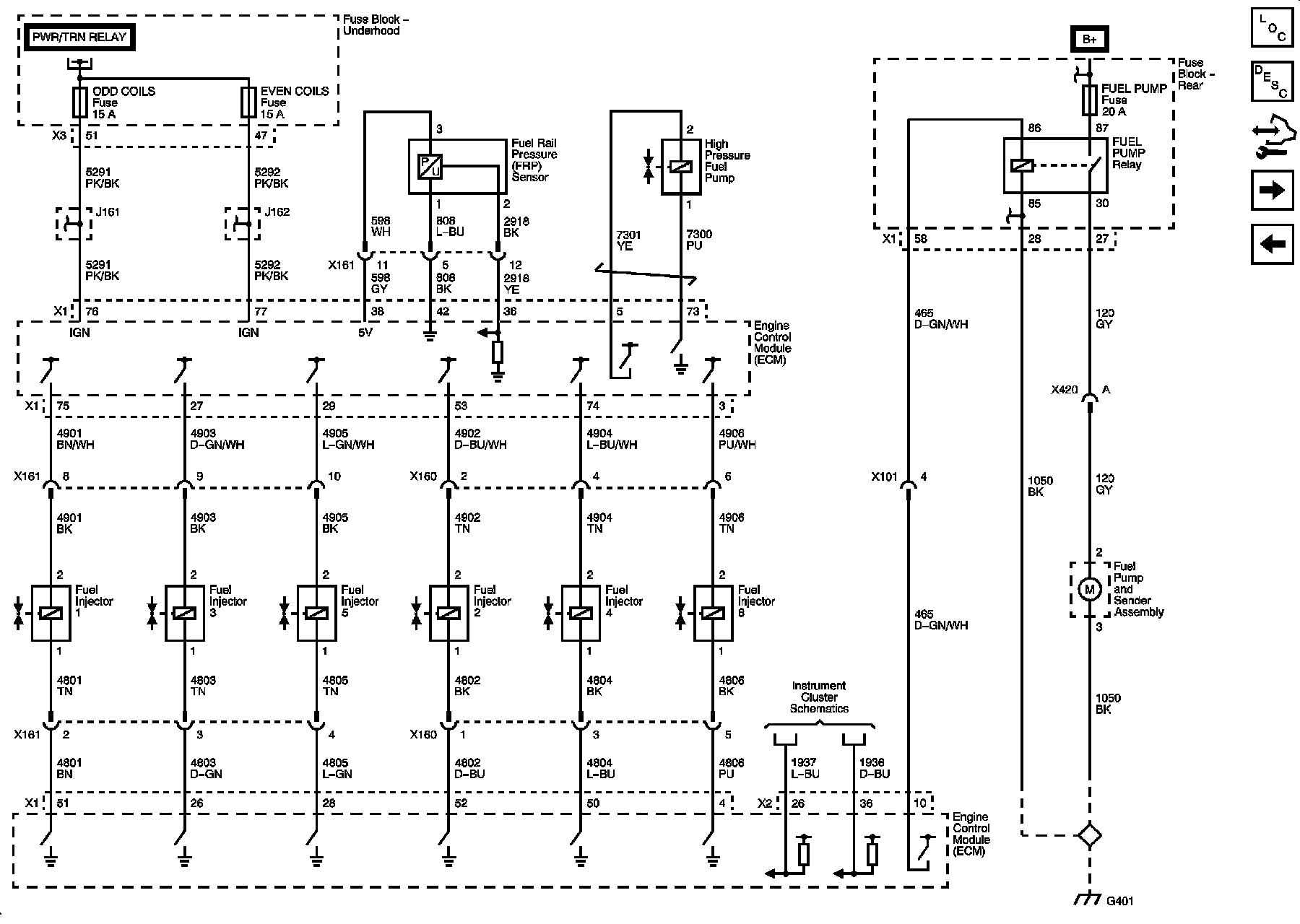
Fuel Controls - Fuel Injectors, Pressure and Fuel Pump Controls - LLT







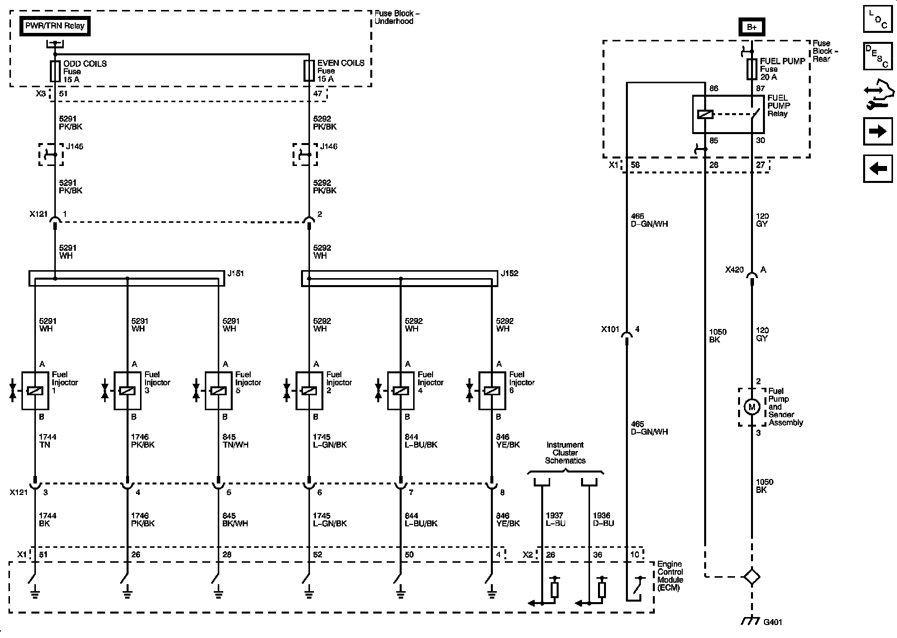
Fuel Controls - Fuel Injectors and Fuel Pump Controls - LP1/LY7







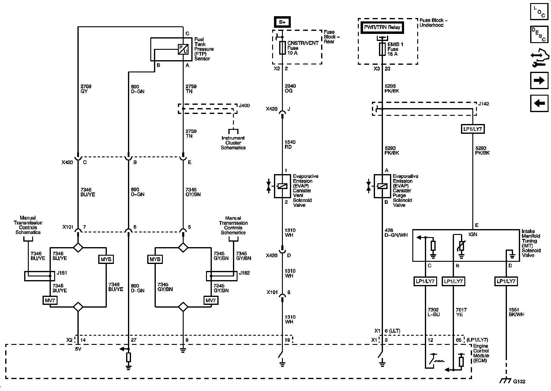
Fuel Controls - EVAP Controls and Manifold Tuning







Monitored/Controlled Subsystem References







Locations: The locations for the Connectors, Grounds, Splices, and Grommets shown within these diagrams can be found via their numbers at Vehicle Locations. Locations