Curiosii for ever!
: Car repair manuals for everyone.
Home
>>
Cadillac
>>
2009
>>
CTS AWD V6-3.6L
>>
Repair and Diagnosis
>>
Cruise Control
>>
Diagrams
>>
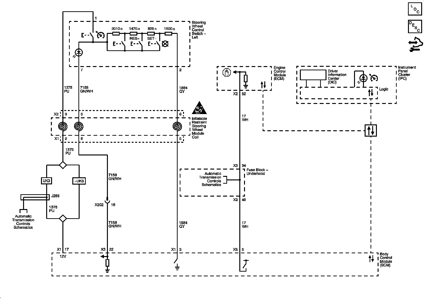
Electrical Diagrams
Electrical Diagrams
Cruise Control
Schematics
Cruise Controls
Schematics