Curiosii for ever!: Car repair manuals for everyone.

Positive: Service and Repair



Battery Positive Cable Replacement

Removal Procedure

Important:
* Always use replacement cables that are of the same type, diameter and length of the cables that you are replacing.

* Always route the replacement cable the same way as the original cable.








1. Remove the surge tank. Refer to Radiator Surge Tank Replacement (Service and Repair) .
2. Disconnect the negative battery cable. Refer to Battery Negative Cable Disconnection and Connection (Service and Repair) .
3. Remove the carpet. Refer to Front Floor Panel Carpet Replacement (Service and Repair) and Rear Floor Panel Carpet Replacement (Service and Repair) .
4. Unsnap the positive battery cable cover (3), and reposition.
5. Loosen the positive battery cable bolt (1).
6. Separate the positive battery cable (2) from the battery.




7. Remove the positive battery cable retainer (1) from the floor pan stud.




8. Remove the positive battery cable nut (1) from the junction block stud.
9. Remove the positive battery cable terminal (2) from the junction block stud.




10. Remove the positive battery cable retainer (1) from the rocker panel.
11. Remove the positive battery cable retainers (2, 3 and 4) from the body harness channel.




12. Remove the positive battery cable clips (2, 3, and 4) from the body harness retainers.
13. Remove the positive battery cable clip (5) from the dash mat.
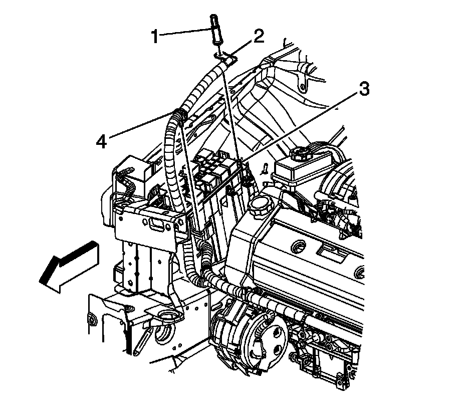
14. Reposition the dash mat flap (1).




15. From under the hood, disengage the junction block cover lock tabs.
16. Remove the junction block cover.




17. Remove the nut (1) securing the starter solenoid cable to the bussed electrical center (BEC).
18. Remove the starter solenoid cable from the BEC stud.




19. Remove the positive battery cable (1) from the BEC stud.




20. Remove the positive battery clips (2) from the side engine compartment.
21. Carefully unseat the positive battery cable grommet (1) from the front of dash.
22. From inside the vehicle, carefully remove the positive battery cable by pulling the cable through the front of dash and out of the vehicle.



Installation Procedure





1. From inside the vehicle, carefully lay out the positive battery cable and route the front portion through the front of dash.
2. From under the hood, carefully seat the positive battery cable grommet (1) to the front of dash.
3. Install the positive battery clips (2) to the side engine compartment.




4. Install the positive battery cable (1) to the BEC stud.




5. Install the starter solenoid cable to the BEC stud.

Notice: Refer to Fastener Notice (Fastener Notice) .

6. Install the nut (1) securing the starter solenoid cable to the BEC.

Tighten the nut to 15 N.m (11 lb ft).





7. Install the junction block cover.




8. From inside the vehicle, position the dash mat flap (1) into place.
9. Install the positive battery cable clip (5) to the dash mat.
10. Install the positive battery cable clips (2, 3, and 4) to the body harness retainers.




11. Install the positive battery cable retainers (2, 3 and 4) to the body harness channel.
12. Install the positive battery cable retainer (1) to the rocker panel.




13. Install the positive battery cable terminal (2) to the junction block stud.
14. Install the positive battery cable nut (1) to the junction block stud.

Tighten the nut to 15 N.m (11 lb ft).





15. Install the positive battery cable retainer (1) to the floor pan stud.




16. Position the positive battery cable (2) to the battery.
17. Tighten the positive battery cable bolt (1).

Tighten the bolt to 17 N.m (13 lb ft).

18. Snap the positive battery cable cover (3) closed.
19. Connect the negative battery cable. Refer to Battery Negative Cable Disconnection and Connection (Service and Repair) .
20. Install the carpet. Refer to Front Floor Panel Carpet Replacement (Service and Repair) and Rear Floor Panel Carpet Replacement (Service and Repair) .
21. Install the surge tank. Refer to Radiator Surge Tank Replacement (Service and Repair) .