Curiosii for ever!
: Car repair manuals for everyone.
Home
>>
Cadillac
>>
2007
>>
DTS V8-4.6L
>>
Repair and Diagnosis
>>
Wiper and Washer Systems
>>
Wiper Motor
>>
Service and Repair
>>
Wiper Motor Module Support Bracket Replacement
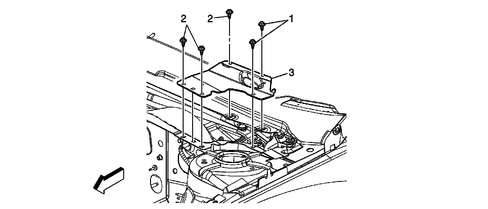
Wiper Motor Module Support Bracket Replacement
Wiper Motor Module Support Bracket Replacement