Curiosii for ever!: Car repair manuals for everyone.

Ground Strap: Service and Repair



Engine Ground Strap Replacement

Removal Procedure




1. Remove the fuel injector sight shield, if necessary.
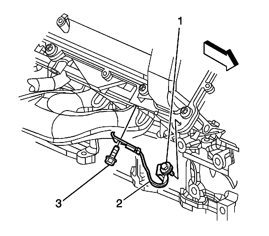
2. Remove the ignition control module (ICM) ground strap bolt (3) from the cylinder head.
3. Loosen the ICM ground strap bolt (1) from the camshaft cover.
4. Remove the ICM ground strap (2).




5. Remove the ICM ground strap bolt (3) from the cylinder head.
6. Loosen the ICM ground strap bolt (1) from the camshaft cover.
7. Remove the ICM ground strap (2).

Installation Procedure




1. Install the ICM ground strap (2).

Notice: Refer to Fastener Notice.

2. Tighten the ICM ground strap bolt (1) to the camshaft cover.

Tighten the bolt to 10 N.m (89 lb in).

3. Install the ICM ground strap bolt (3) to the cylinder head.

Tighten the bolt to 25 N.m (18 lb ft).




4. Install the ICM ground strap (2).
5. Tighten the ICM ground strap bolt (1) to the camshaft cover.

Tighten the bolt to 10 N.m (89 lb in).

6. Install the ICM ground strap bolt (3) to the cylinder head.

Tighten the bolt to 10 N.m (89 lb in).

7. Install the fuel injector sight shield, if necessary.