Curiosii for ever!: Car repair manuals for everyone.

Acceleration/Deceleration Sensor: Service and Repair



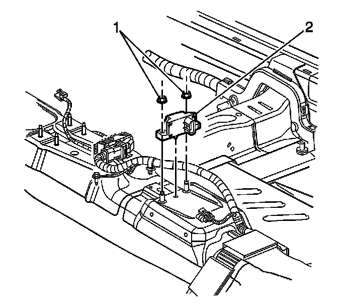
Yaw Rate Sensor/Lateral Accelerometer Replacement

Removal Procedure




1. Turn OFF the ignition.
2. Remove the center console.
3. Disconnect the yaw rate sensor/lateral accelerometer sensor electrical connector.
4. Remove the yaw rate sensor/lateral accelerometer sensor mounting nuts (1) from the mounting studs.
5. Remove the yaw rate sensor/lateral accelerometer sensor from the vehicle.

Installation Procedure

1. Connect the yaw rate sensor/lateral accelerometer sensor electrical connector.




2. Install the yaw rate sensor/lateral accelerometer sensor (2) to the vehicle.

Notice: Refer to Fastener Notice.

3. Install the yaw rate sensor/lateral accelerometer sensor mounting nuts (1) to the mounting studs.

Tighten the yaw rate sensor/lateral accelerometer sensor mounting nuts to 9 N.m (80 lb in).

4. Install the center console to the vehicle.
5. Perform the System Check-Vehicle. Refer to Diagnostic System Check - Vehicle. Initial Inspection and Diagnostic Overview