Curiosii for ever!
: Car repair manuals for everyone.
Home
>>
Cadillac
>>
2006
>>
DTS V8-4.6L VIN 9
>>
Repair and Diagnosis
>>
Heating and Air Conditioning
>>
Control Assembly
>>
Locations
Control Assembly: Locations
I/P Components:
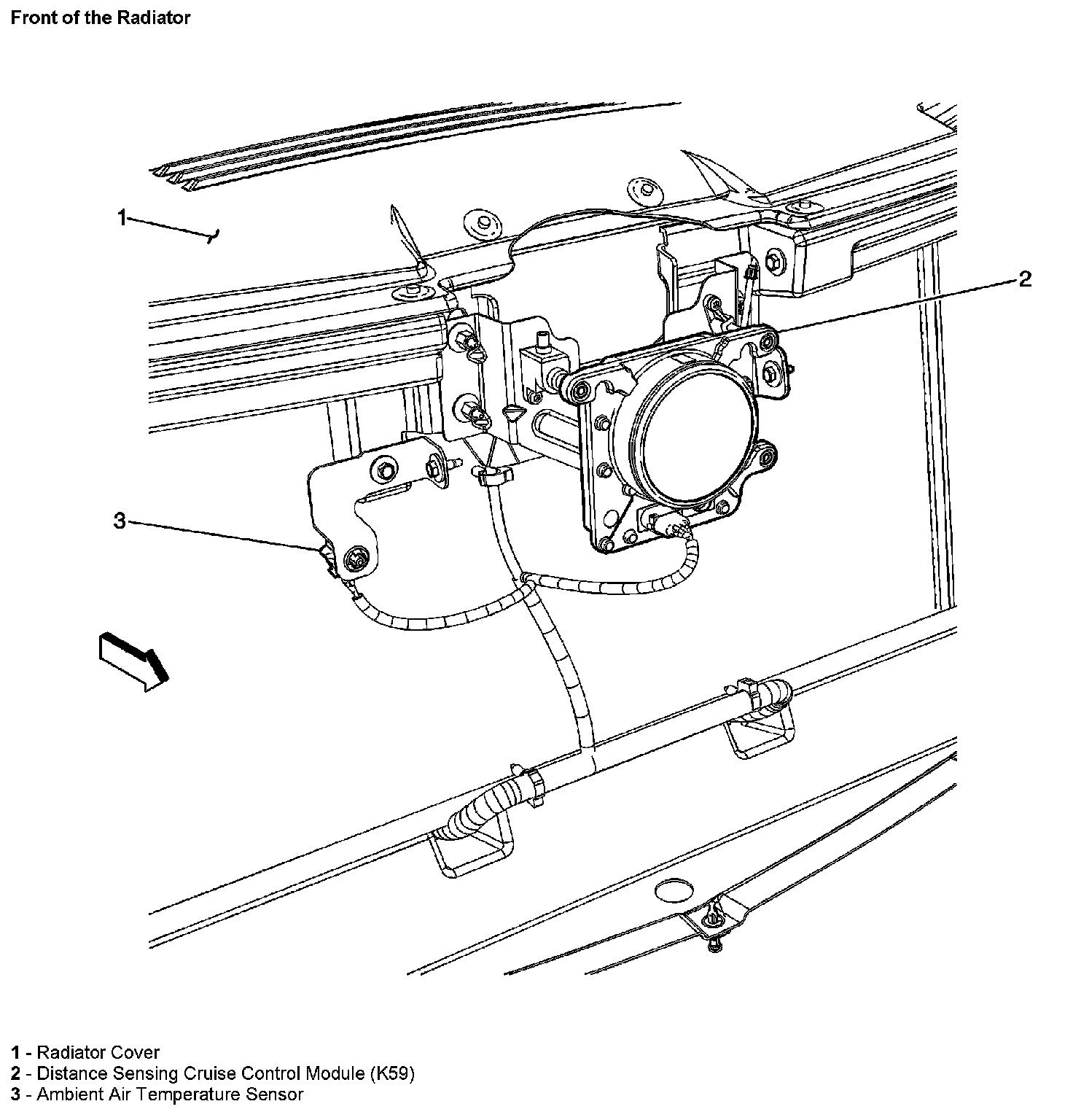
Front Of The Radiator: