Curiosii for ever!: Car repair manuals for everyone.

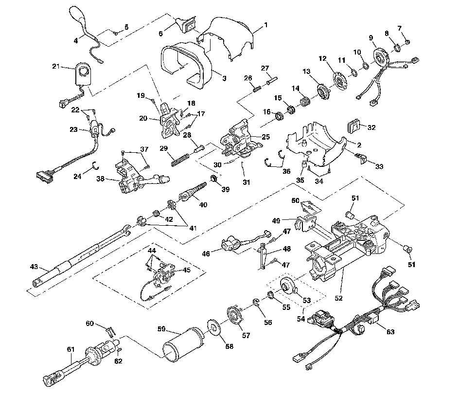
Steering Column Disassembled View (Manual Tilt, Column Shift)



Steering Column Disassembled View (Manual Tilt, Column Shift)

Manual Tilt Steering Column, Column Shift:





1 - Upper Trim Cover
2 - Lower Trim Cover
3 - Steering Column Closeout Trim Cover
4 - Shift Lever
5 - Shift Lever Screw
6 - Shift Lever Seal
7 - Flanged Prevailing Torque Nut
8 - Retaining Ring
9 - SIR Coil
10 - Wave Washer
11 - Bearing Retainer
12 - Shaft Lock
13 - Turn Signal Cancel Cam
14 - Upper Bearing Spring
15 - Upper Bearing Inner Race Seat
16 - Inner Race
17 - Pan Head Tapping Screws
18 - TORX Head Screw
19 - Pan Head Tapping Screw
20 - Ignition Lock Cylinder Case
21 - Theft Deterrent Control Module
22 - Tapping Screws
23 - Ignition Switch Assembly
24 - Wire Harness Strap
25 - Bearing and Housing Assembly
26 - Lock Bolt Spring
27 - Lock Bolt Assembly
28 - Spring Guide
29 - Tilt Spring
30 - Release Lever Spring
31 - Release Lever Pin
32 - Trim Cover Protector
33 - Tilt Lever
34 - Pan Head Tapping Screws
35 - Solenoid Opening Button
36 - Wire Harness Straps
37 - Pan Head Tapping Screws
38 - Turn Signal and Multifunction Switch Assembly
39 - Bearing Assembly
40 - Race and Upper Shaft Assembly
41 - Centering Sphere
42 - Joint Preload Spring
43 - Lower Shaft Assembly
44 - Flat Head 6-Lobed Soc Tap Screws
45 - Linear Shift Assembly
46 - Electrical (BTSI) Actuator
47 - Pan Head Tapping Screws
48 - BTSI Mounting Bracket Assembly
49 - Cable Support Bracket
50 - Flat Head Screws
51 - Pivot Pins
52 - Steering Column Support Assembly
53 - Steering Wheel Position Sensor
54 - Optional
55 - Retaining Ring
56 - Sensor Locator
57 - Sensor Retainer
58 - Steering Shaft Seal
59 - Boot Seal
60 - Bolt and Retainer Assembly
61 - Intermediate Steering Shaft Assembly
62 - Pinch Bolt Nut
63 - Main Wiring Harness