Curiosii for ever!: Car repair manuals for everyone.

Positive: Service and Repair



BATTERY POSITIVE CABLE REPLACEMENT

REMOVAL PROCEDURE

IMPORTANT:
- Always use replacement cables that are of the same type, diameter and length of the cables that you are replacing.
- Always route the replacement cable the same as the original cable.




1. Disconnect the battery negative cable.
2. Remove the transmission.
3. Disconnect the battery positive cable from the battery.




4. Depress the tabs in order to remove the cover from the electrical center.




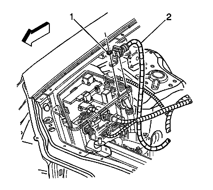
5. Remove the nut (1) securing the battery positive cable (2) to the underhood fuse block.




6. Reposition the protective boot from the generator output BAT terminal for access.
7. Remove the generator output BAT terminal nut (3) and disconnect the battery positive lead (2) from the generator.




8. Remove the starter terminal nut (1) and disconnect the battery positive cable (2) from the starter.
9. Lower the vehicle.
10. Remove the battery positive cable from the engine.

INSTALLATION PROCEDURE
1. Position the battery positive cable to the engine.
2. Raise and support the vehicle. Refer to Vehicle Lifting.




3. Connect the battery positive cable (2) to the starter and install the starter terminal nut (1).

NOTE: Refer to Fastener Notice.

Tighten the nut to 13 N.m (115 lb in).




4. Connect the battery positive lead (2) to the generator and install the generator BAT terminal nut (3).

Tighten the nut to 13 N.m (115 lb in).

5. Install the protective boot to the generator output BAT terminal.
6. Lower the vehicle.




7. Install the nut (1) securing the battery positive cable (2) to the underhood fuse block.

Tighten the nut to 15 N.m (11 lb ft).




8. Install the electrical center cover.




9. Connect the battery positive cable to the battery.

Tighten the battery cable to 17 N.m (13 lb ft).

10. Install the transmission.
11. Connect the battery negative cable.