Curiosii for ever!: Car repair manuals for everyone.

Electrical Diagrams



ENGINE CONTROLS SCHEMATICS

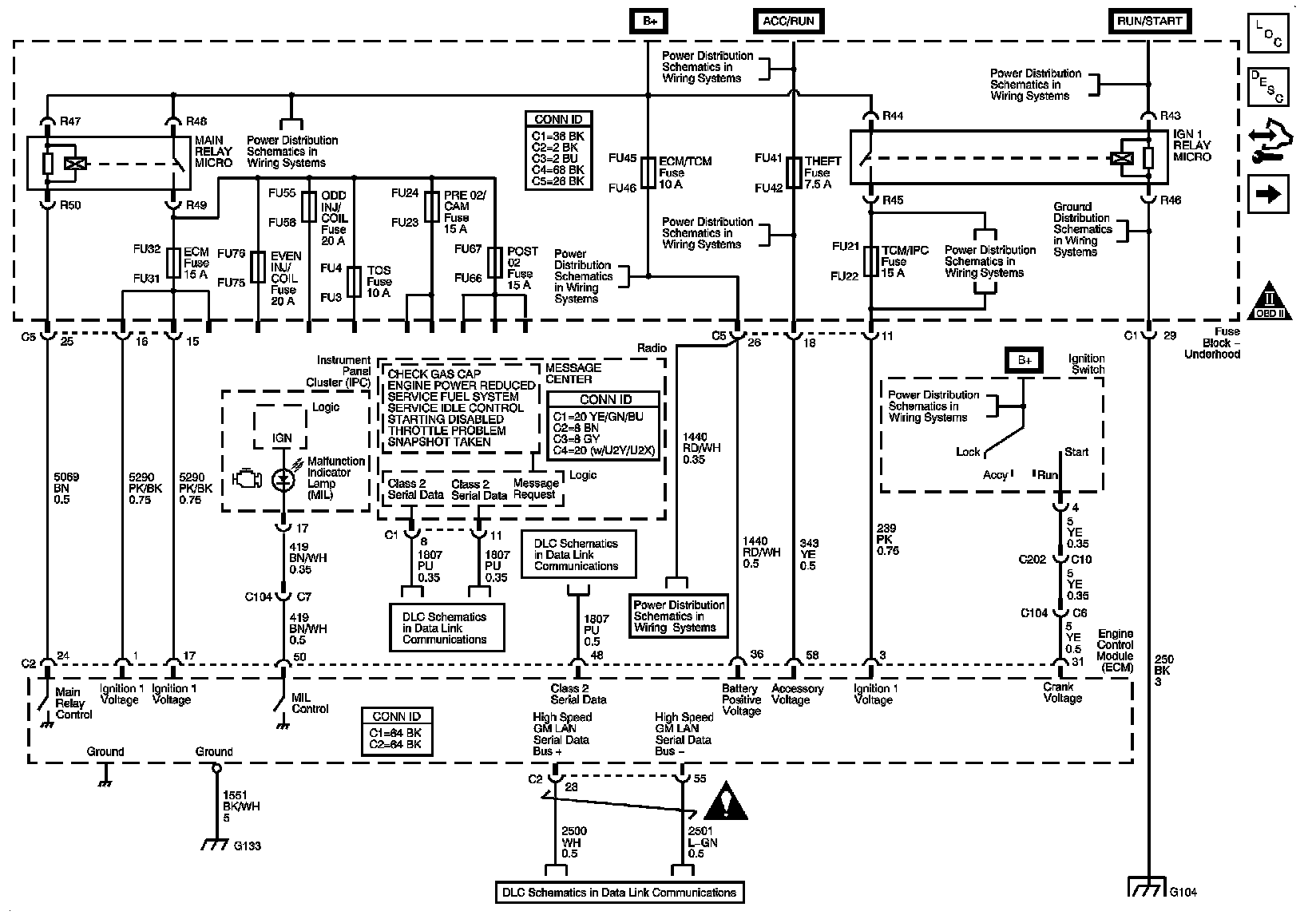
Power, Ground, Serial Data, DIC, and Indicators







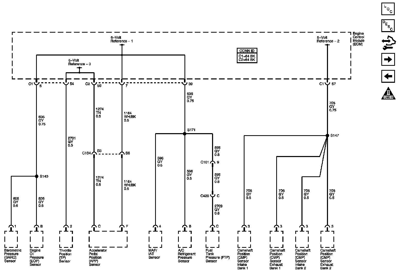
Engine Data Sensors - 5-Volt Reference Bus







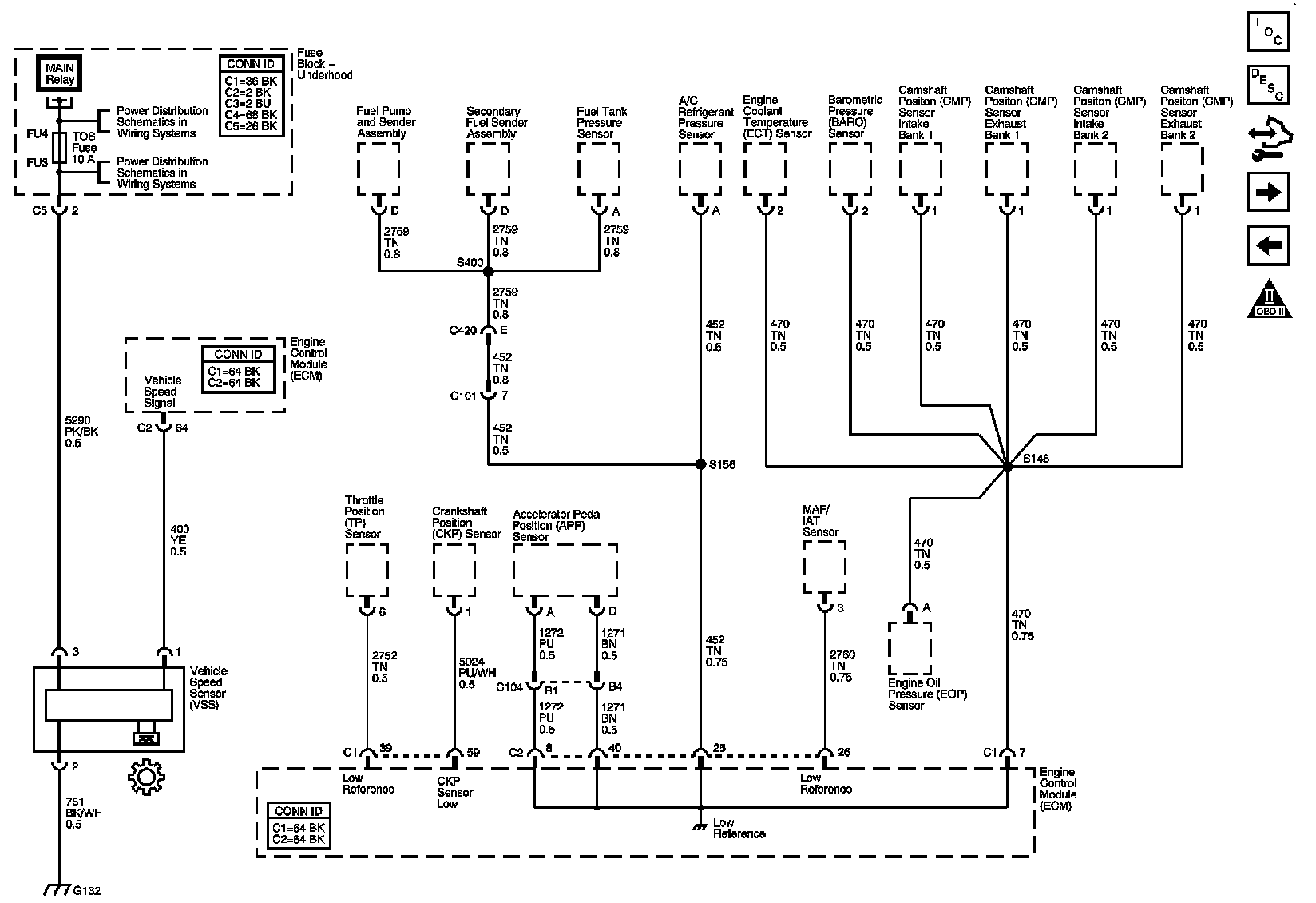
Engine Data Sensors - Low Reference Bus







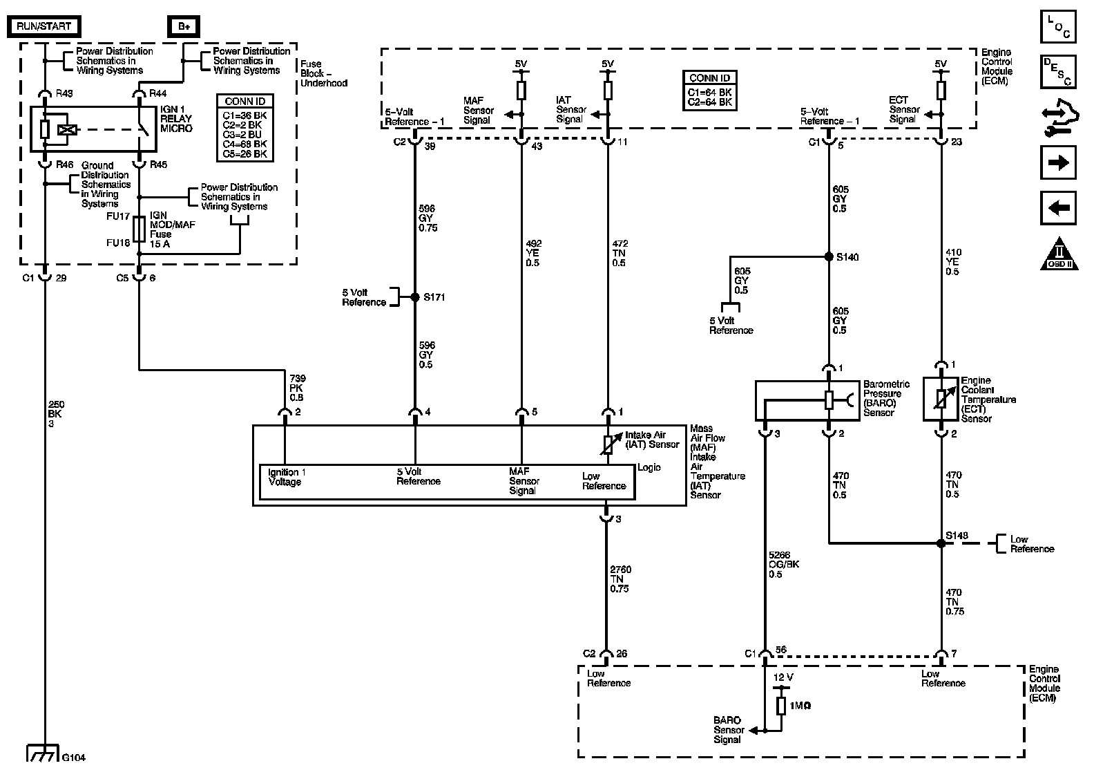
Engine Data Sensors - BARO, ECT, MAF, and IAT Sensors







Engine Data Sensors - Heated Oxygen Sensors (HO2S)







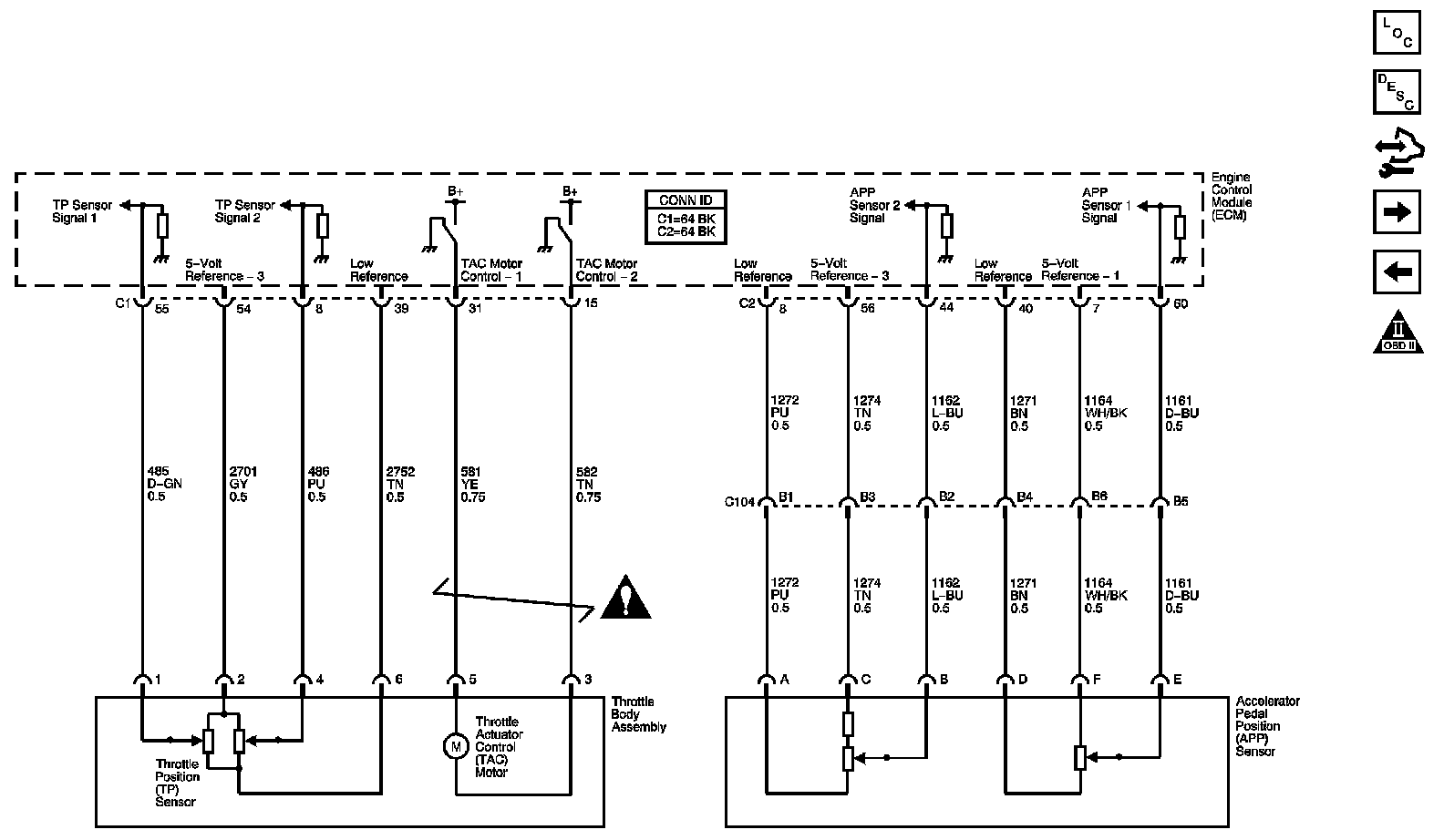
Engine Data Sensors - Throttle Actuator Control (TAC) System







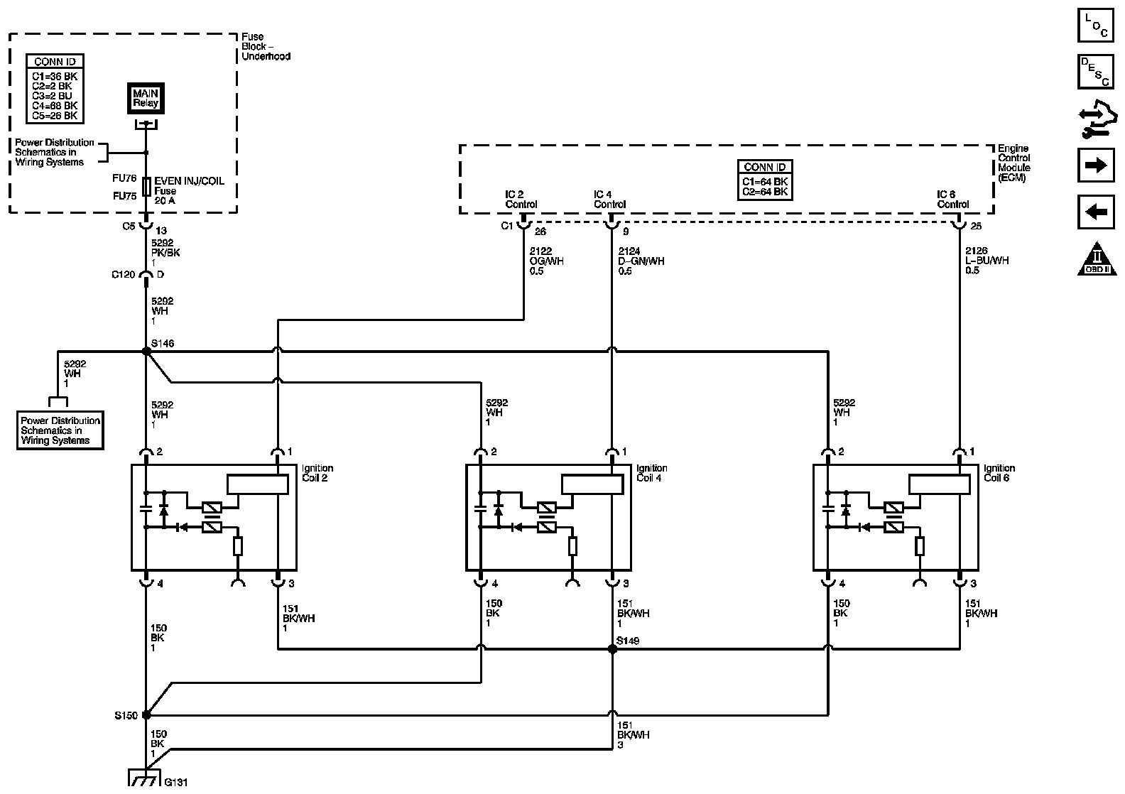
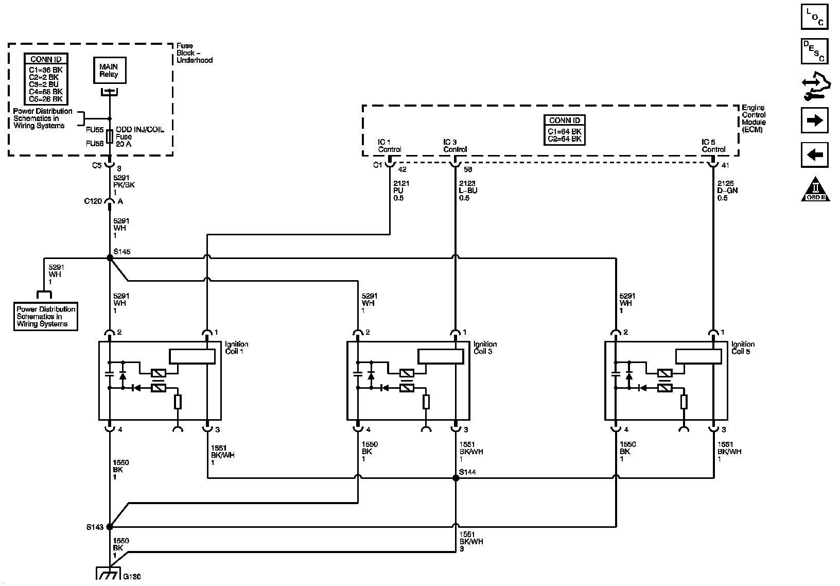
Ignition Controls - Bank 1 Ignition Coils







Ignition Controls - Bank 2 Ignition Coils







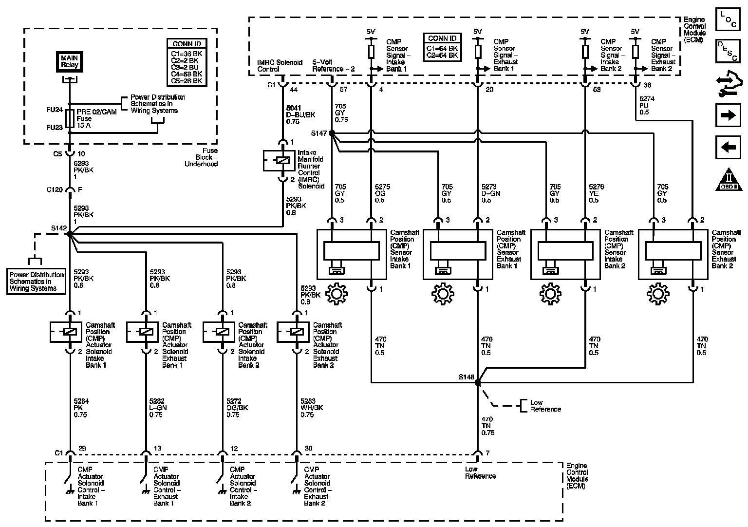
Ignition Controls - Sensors and CMP Actuator Solenoids







Ignition Controls - Crankshaft Position Sensor and Knock Sensors







Fuel Controls - Fuel Injectors and Fuel Pump and Sender Assembly







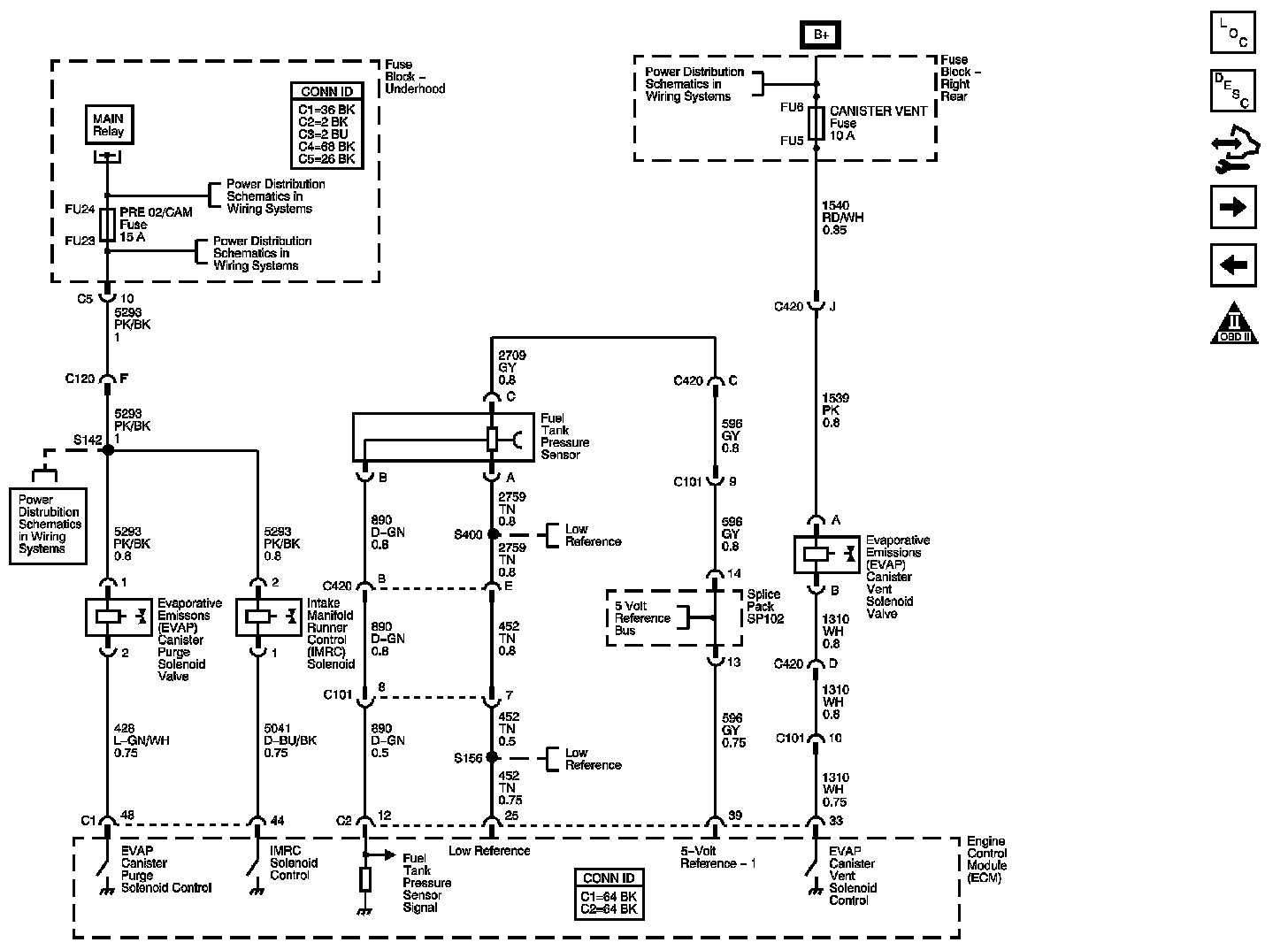
Fuel Controls - EVAP Controls and IMRC Solenoid







Controlled/Monitored Subsystem References







Locations: The locations for the Connectors, Grounds, Splices, and Grommets shown within these diagrams can be found via their numbers at Vehicle Locations. LocationsDocument ID: 1575136