Curiosii for ever!
: Car repair manuals for everyone.
Home
>>
Cadillac
>>
2006
>>
CTS V6-2.8L
>>
Repair and Diagnosis
>>
Power and Ground Distribution
>>
Locations
>>
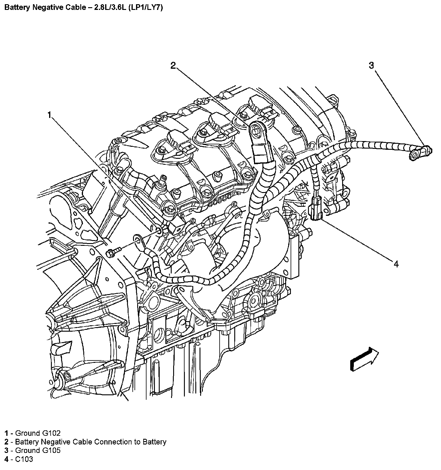
Battery Negative Cable Views
Battery Negative Cable Views
Battery Negative Cable: