Curiosii for ever!: Car repair manuals for everyone.

Upper Intake Manifold Replacement



Upper Intake Manifold Replacement

Removal Procedure




1. Turn the ignition OFF.
2. Remove the fuel injector sight shield.
3. Remove the air inlet duct.
4. Disconnect the brake booster vacuum hose from the intake manifold.




5. Disconnect the purge solenoid valve electrical connector.




6. Disconnect the purge line (3) from the purge solenoid valve.




7. Remove the wiring harness retainer.




8. Disconnect the throttle body electrical connector.




9. Remove the harness clip from the brace/bracket.
10. Remove the upper intake manifold brace stud (1), bolt (2), and brace.
11. Disconnect the positive crankcase valve (PCV) hose from the right bank camshaft cover.




12. Disconnect the barometric pressure sensor electrical connector.




13. Disconnect the intake manifold runner control solenoid electrical connector.




14. Disconnect the left bank ignition coil harness electrical connector.
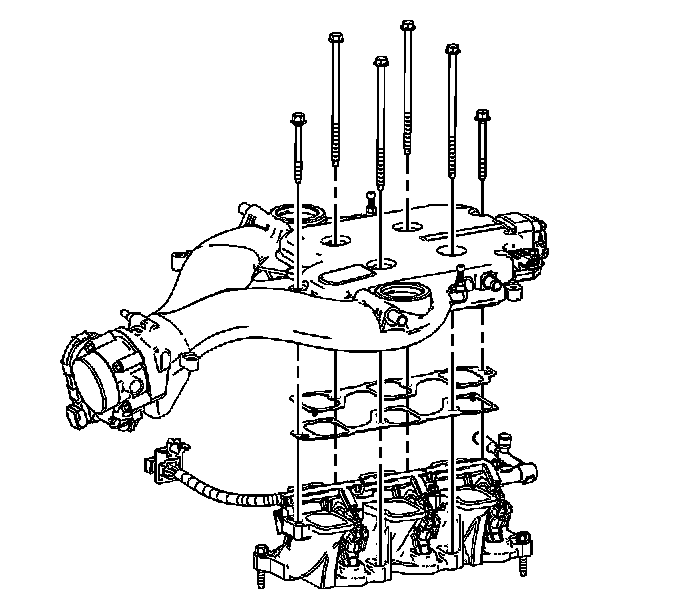
15. Remove the PCV line from the clip on the harness bracket.




16. Remove the left bank ignition coil wiring harness from the bracket.
17. Remove the injector harness bracket bolt and bracket.




18. Remove the upper intake manifold bolts. Some deflection of the cowl panel may be necessary to extract the right rear bolt.
19. Remove the upper intake manifold with the throttle body.
20. If the upper intake manifold is being replaced, disassemble the intake manifold.
21. Clean and inspect the intake manifold.

Installation Procedure

1. If the upper intake manifold is being replaced, assemble the intake manifold.




2. Install a NEW upper intake manifold gasket.
3. Install the upper intake manifold.

Notice: Refer to Fastener Notice.

Important: Tighten the intake manifold bolts in a circular pattern starting at the center (long bolts) and moving outward.

4. Install the upper intake manifold bolts.

Tighten the bolts to 23 N.m (17 lb ft).




5. Install the injector harness bracket and bolt.

Tighten the bolt to 10 N.m (89 lb in).

6. Install the left bank ignition coil wiring harness to the bracket.




7. Install the PCV line to the clip on the harness bracket.
8. Connect the left bank ignition coil harness electrical connector.




9. Connect the BARO sensor electrical connector.




10. Connect the intake manifold runner control solenoid electrical connector.
11. Connect the PCV hose to the right bank camshaft cover.




12. Install the upper intake manifold brace, bolt (2), and stud (1).

Tighten the bolts.

1. Tighten the bolt (2) to 65 N.m (48 lb ft).
2. Tighten the stud (1) to 10 N.m (89 lb in).





Notice: Ensure proper engagement of the wiring harness connector. The wiring harness connector must be installed straight onto the component connector and firmly seated. Visually inspect the connector to ensure that the connector latches are engaged and locked. Any damage to the connector or wiring must be repaired. Failure to follow this procedure can lead to an intermittent electrical connection, driveability concerns, and/or wiring harness or wiring harness connector damage or failure.

13. Connect the throttle body electrical connector.




14. Install the wiring harness retainer.




15. Connect the purge line (3) to the purge solenoid valve.




16. Connect the purge solenoid valve electrical connector.
17. Connect the brake booster vacuum hose to the intake manifold.




18. Install the air inlet duct.
19. Install the fuel injector sight shield.