Curiosii for ever!: Car repair manuals for everyone.

Yaw Rate Sensor: Service and Repair



Yaw Rate Sensor/Lateral Accelerometer Replacement
Removal Procedure





1. Turn OFF the ignition.
2. Remove the center console.
3. Disconnect the yaw rate sensor/lateral accelerometer sensor electrical connector.
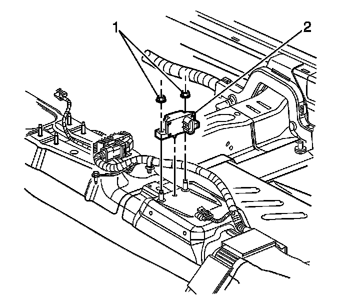
4. Remove the yaw rate sensor/lateral accelerometer sensor mounting nuts (1) from the mounting studs.
5. Remove the yaw rate sensor/lateral accelerometer sensor from the vehicle.

Installation Procedure
1. Connect the yaw rate sensor/lateral accelerometer sensor electrical connector.





2. Install the yaw rate sensor/lateral accelerometer sensor (2) to the vehicle.

3. Install the yaw rate sensor/lateral accelerometer sensor mounting nuts (1) to the mounting studs.
Tighten the yaw rate sensor/lateral accelerometer sensor mounting nuts to 9 Nm (80 inch lbs.).

Notice: Refer to Fastener Notice in Service Precautions.

4. Install the center console to the vehicle.
5. Perform the System Check-Vehicle. Refer to Diagnostic System Check - Vehicle.