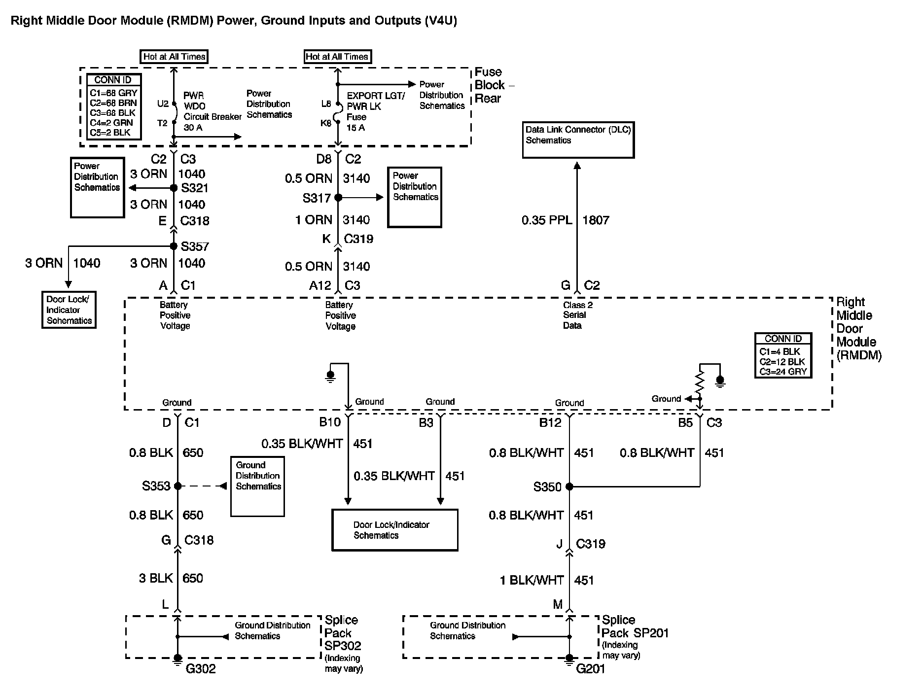
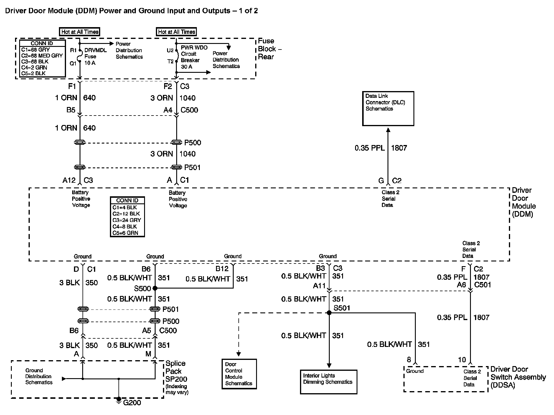
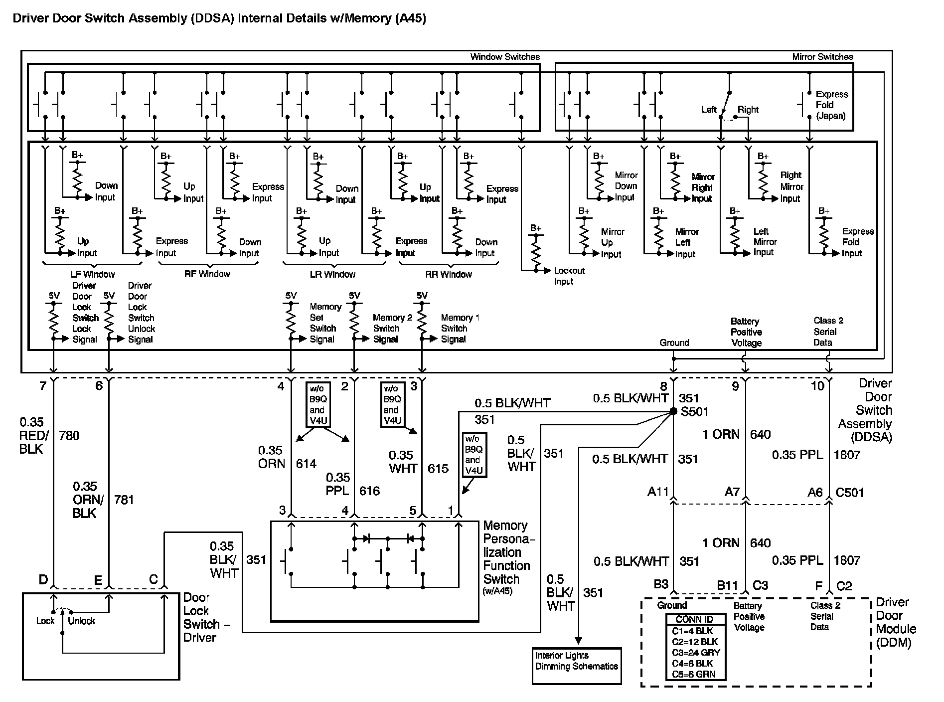
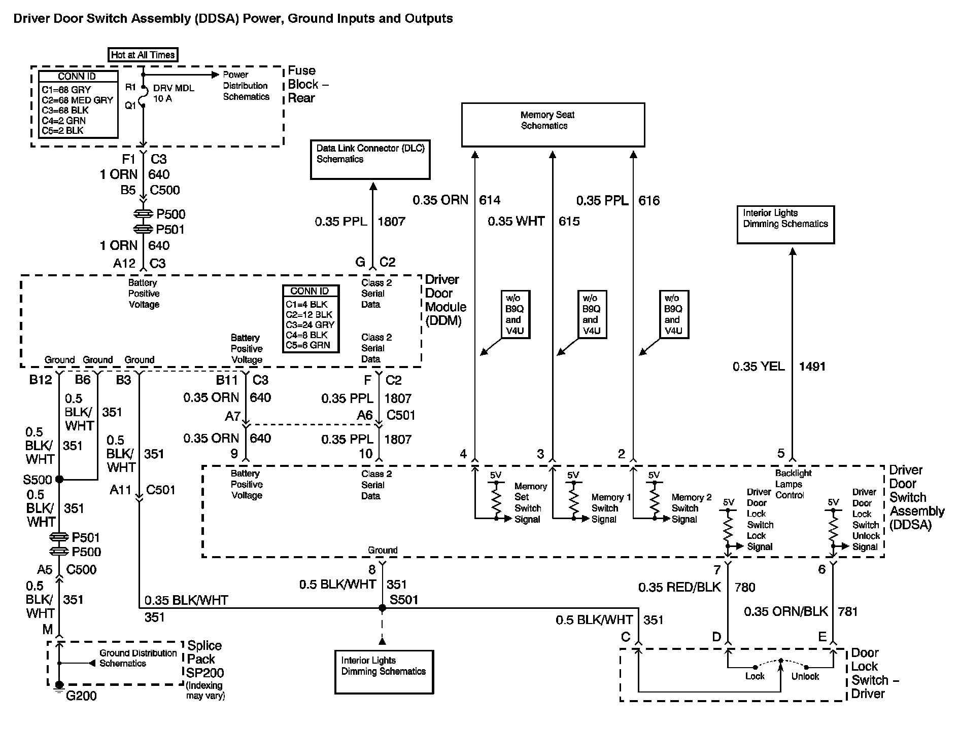
Door Control Module Diagrams
Door Control Module Diagram 1:
Door Control Module Diagram 2:
Door Control Module Diagram 3 (1 Of 2):
Door Control Module Diagram 3 (2 Of 2):
Door Control Module Diagram 4 (1 Of 2):
Door Control Module Diagram 4 (2 Of 2):
Door Control Module Diagram 5:
Door Control Module Diagram 6:
Door Control Module Diagram 7:
Door Control Module Diagram 8:
Locations: The locations for the Connectors, Grounds, Splices, and Grommets shown within these diagrams can be found via their numbers at Vehicle Locations. Locations