Curiosii for ever!
: Car repair manuals for everyone.
Home
>>
Cadillac
>>
2004
>>
XLR V8-4.6L VIN A
>>
Repair and Diagnosis
>>
Brakes and Traction Control
>>
Antilock Brakes / Traction Control Systems
>>
Electronic Brake Control Module
>>
Locations
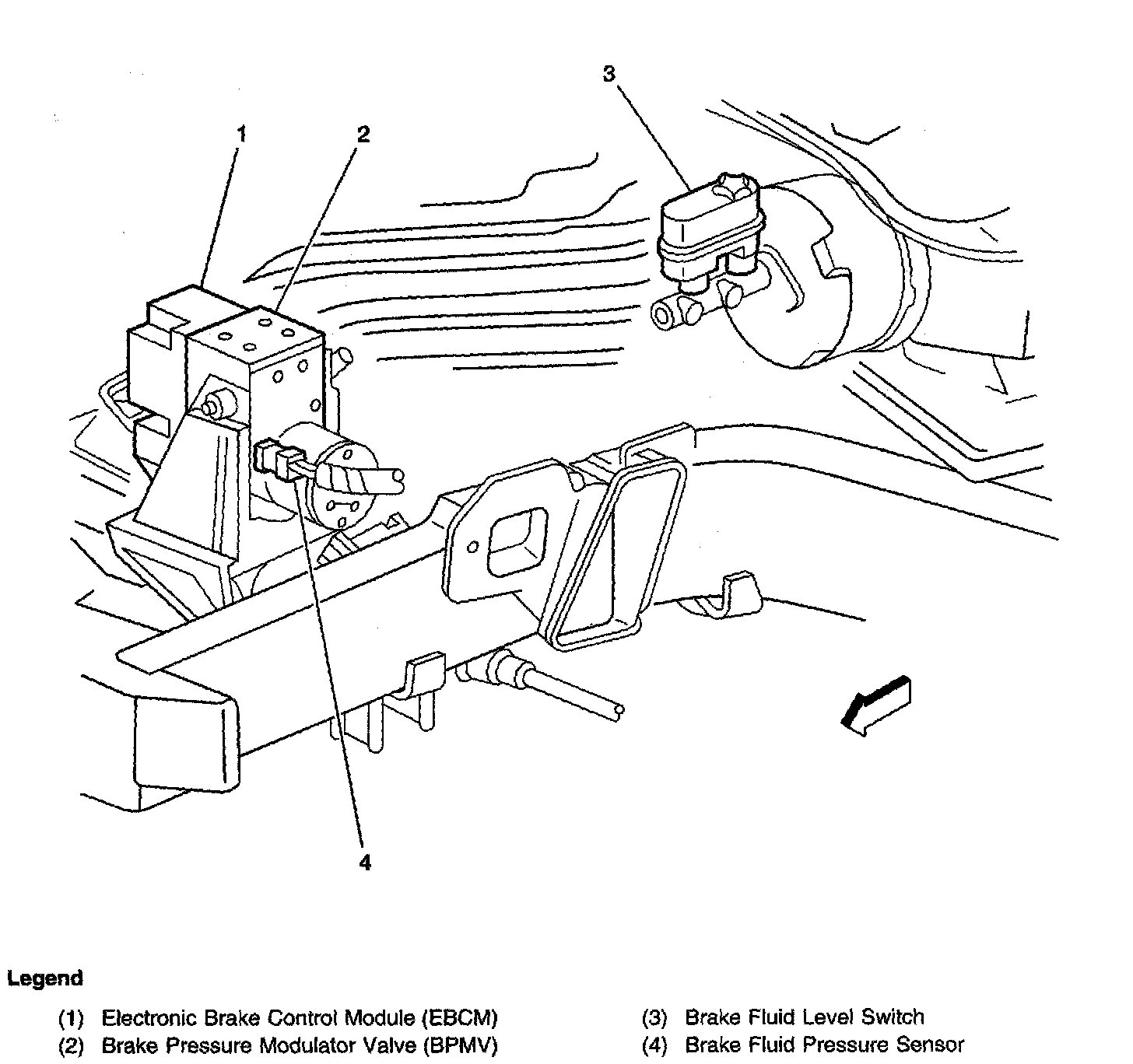
Electronic Brake Control Module: Locations