Steering Column Control Module Replacement
Steering Column Control Module ReplacementRemoval Procedure
Caution: Refer to SIR Caution in Service Precautions.
1. Disable the SIR system.
2. Remove the knee bolster.
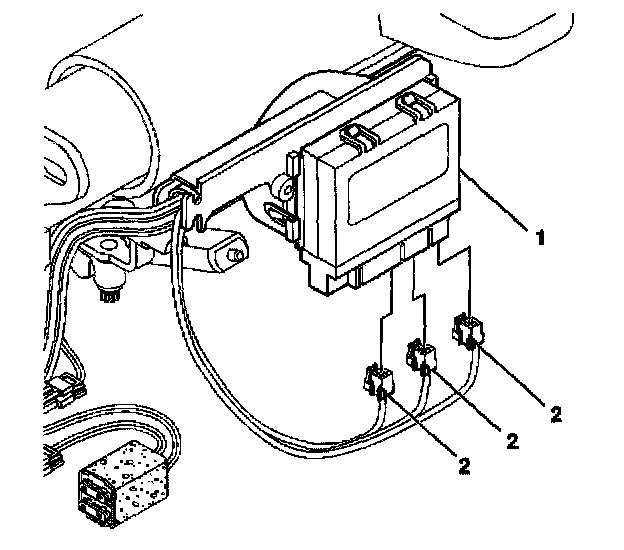
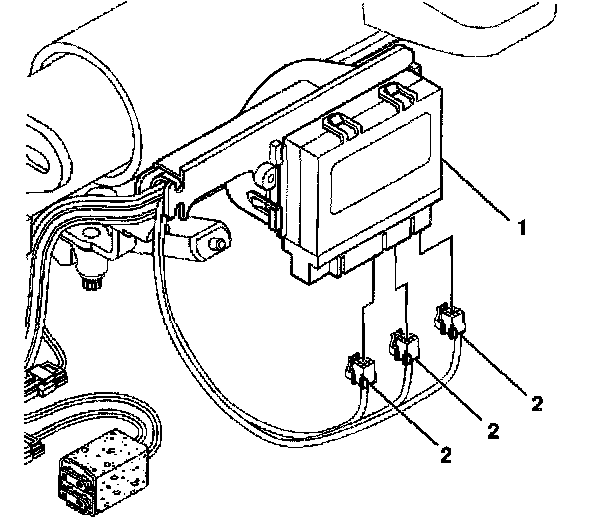
3. Disconnect the electrical connectors (2) on the steering column control module.
4. Remove the control module (2) from the wire harness shield (1) of the lower steering column by pulling the module outward to release the retaining clips and sliding the module downward.
Installation Procedure
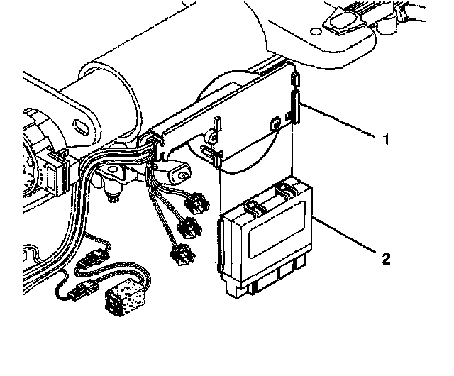
1. Install the control module (2) to the wire harness shield (1) of the lower steering column.
2. Connect the control module electrical connectors (2).
3. Install the knee bolster.
4. Enable the SIR system.
5. Program the steering column control module. Programming and Relearning