Curiosii for ever!: Car repair manuals for everyone.

Global Positioning System Module: Service and Repair

COMMUNICATION INTERFACE MODULE REPLACEMENT

REMOVAL PROCEDURE

IMPORTANT: The vehicle communication interface module (VCIM) has a specific set of unique numbers that tie the module to each vehicle. These numbers, the 10-digit station identification and the 11-digit electronic serial number, are used by the National Cellular Network and OnStar to identify the specific vehicle. Because these numbers are tied to the vehicle identification number of the vehicle, you must never exchange these parts with those of another vehicle.




1. Remove the rear compartment trim.
2. Remove the electrical component mounting bracket nuts (2).

NOTE: DO NOT completely remove the electrical component mounting bracket until the GPS antenna cable is removed from the cross car brace. Failure to do so may result in damage to the GPS connector.

3. Carefully pull the electrical component mounting bracket (1) away from the body, so that the cross car brace is visible.




4. Remove the GPS antenna cable (1) from the cross car brace.
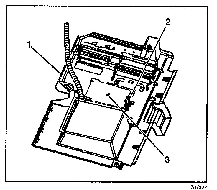
5. Place the electrical component mounting bracket (2) module side up in the rear compartment.




6. Release the vehicle communication interface module (VCIM) (3) retaining tab (2).
7. Slide the vehicle VCIM (3) out of the electrical component mounting bracket (1).
8. Disconnect the antenna and electrical connections from the VCIM (3).

INSTALLATION PROCEDURE




1. When replacing the VCIM, record the 11-digit electronic serial number (ESN) and the 10-digit station identification (STID) number from the label on the new VCIM (1).
2. Connect the antenna cable and electrical connections to the VCIM (1).
3. Slide the VCIM (1) into the electrical component mounting bracket (3).
4. Push in on the top of the VCIM (1) until an audible click is heard, indicating the retaining tab (2) has securely fastened the VCIM (1) to the electrical component mounting bracket (3).




5. Partially install the electrical component mounting bracket (1) to the vehicle body.
6. Attach the GPS antenna cable (1) to the cross car brace.




7. Install the electrical component mounting bracket (1) to the studs.

NOTE: Refer to Fastener Notice in Service Precautions.

8. Install the electrical component mounting bracket nuts (2).

Tighten
Tighten the nuts to 9 N.m (80 lb in).

9. Install the rear compartment trim.

IMPORTANT: After replacing the vehicle communication interface module, you must reconfigure the OnStar(R) system. Failure to reconfigure the system will result in an additional customer visit for repair. In addition, pressing and holding the white dot button on the keypad will NOT reset this version of the OnStar(R) system. This action will cause a DTC to set.

10. Reconfigure the OnStar(R) system. Refer to OnStar Reconfiguration. Programming and Relearning