Curiosii for ever!: Car repair manuals for everyone.

Air Injection Control Valve: Service and Repair

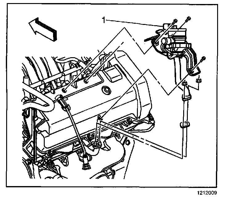
SECONDARY AIR INJECTION (AIR) SHUT-OFF VALVE REPLACEMENT - BANK 1

Removal Procedure




1. Disconnect the electrical connector from the secondary air injection (AIR) shut-off valve.




2. Remove the nut securing the intermediate hose/pipe to the AIR shut-off valve.
3. Disconnect the intermediate hose from the AIR shut-off valve.




4. Remove the 2 nuts securing the outlet pipe to the exhaust manifold.
5. Remove the 3 bolts securing the AIR shut-off valve to the cam cover.
Remove the AIR shut-off valve outlet pipe, and bracket from the engine.
Discard the gasket.
6. Remove the 2 nuts securing the outlet pipe and bracket to the AIR shut-off valve.
Discard the gasket.

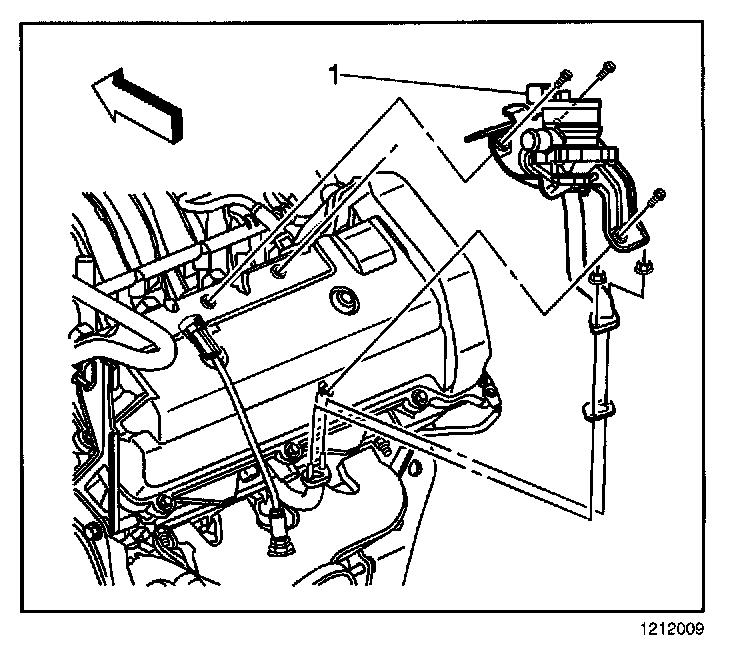
Installation Procedure




1. Position the secondary air injection (AIR) shut-off valve with a new outlet pipe gasket to the outlet pipe and bracket.

Note: Refer to Fastener Notice in Service Precautions.

2. Install the 2 nuts securing the outlet pipe and bracket to the AIR shut-off valve.

Tighten
Tighten the nuts to 9 Nm (80 lb in).

3. Position a new outlet pipe gasket to the exhaust manifold.
4. Position the AIR shut-off valve with the bracket to the cam cover and exhaust manifold.
5. Install the 3 bolts securing the AIR shut-off valve to the cam cover.

Tighten
Tighten the bolts to 9 Nm (80 lb in).

6. Install the 2 nuts securing the outlet pipe to the exhaust manifold.

Tighten
Tighten the nuts to 9 Nm (80 lb in).




7. Connect the intermediate hose to the AIR shut-off valve.

8. Install the nut securing the intermediate hose/pipe to the AIR shut-off valve.

Tighten
Tighten the nut to 9 Nm (80 lb in).




9. Connect the electrical connector to the AIR shut-off valve.