Curiosii for ever!: Car repair manuals for everyone.

Cruise Control Cable Replacement (With RPO Code V4U)

CRUISE CONTROL CABLE REPLACEMENT (WITH RPO CODE V4U)

REMOVAL PROCEDURE




1. Open the throttle by rotating the cable cam in order to remove the tension from the cruise control cable.
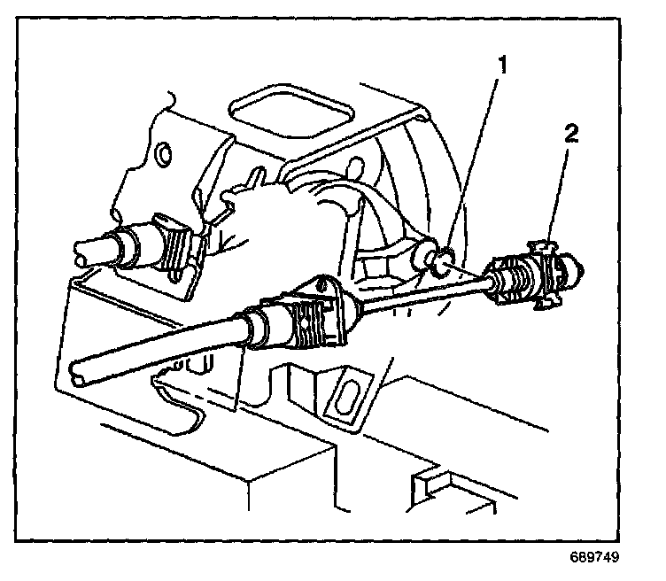
2. Hold the throttle cam open, slide the cruise cable fitting (2) off of the pin (1) on the throttle cam by pushing the cable fitting towards the throttle close direction.




3. Release the tab on the cable housing in order to remove the cable housing from the cable retainer bracket.
4. Disconnect the cruise control cable (3) from the cruise control module buckle (2).

IMPORTANT: Note the cable routing and retainer position for reference during installation.




5. Remove the cable clamps holding the cruise control cable (1) and the accelerator cable together.
6. Remove the cruise control cable (1) from the vehicle.

INSTALLATION PROCEDURE




1. Connect the electrical connector to the cruise control module (1).
2. Install the cruise control cable (3) to the cruise control module assembly buckle (2).
3. Snap the cruise control cable (3) into the cruise control module (1).

IMPORTANT: The cruise control cable does not require mechanical adjusting after the replacement. The cruise control module internally adjusts the cable. Refer to Cruise Control Description and Operation for the complete operational details.




4. Install the cruise control cable (2) to the engine bracket.
5. Verity that the tab on the cable is engaged.
6. Hold the throttle open and slide the cruise control cable fitting (2) onto the throttle cam pin (1).




7. Install the clamps around the cruise control cable (1) and the accelerator cable.