Curiosii for ever!: Car repair manuals for everyone.

System Specifications

Crankshaft Balancer Bolt
First Pass 50 Nm (37 ft. lbs.)
Final Pass +120 degrees

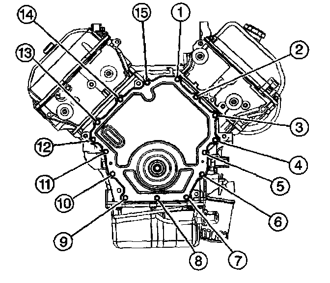
Front Cover Torque Sequence:





Front Cover Bolts 10 Nm (89 in. lbs.)
Secondary Camshaft Drive Chain Tensioner bolts 25 Nm (18 ft. lbs.)
Primary Camshaft Drive Chain Tensioner bolts 25 Nm (18 ft. lbs.)