Curiosii for ever!: Car repair manuals for everyone.

Vehicle Speed Sensor: Service and Repair

Vehicle Speed Sensor (VSS) Replacement

Removal Procedure
1. Raise the vehicle.





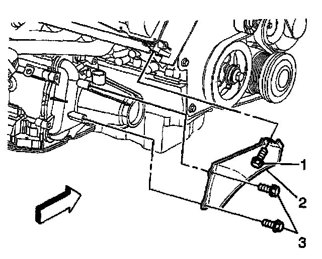
2. Remove the bolts (1, 3) securing the front transaxle brace (2) to the transaxle and right cylinder head.
3. Remove the electrical connector at the vehicle speed sensor.





4. Remove the retaining bolt (131) and the sensor (130). Twisting the sensor while pulling outward will aid in removal.

Installation Procedure





Notice: Refer to Fastener Notice in Service Precautions.

1. Install the vehicle speed sensor (130) and the retaining bolt (131). Install a new O-ring seal on sensor it necessary.
Tighten the bolt to 10 Nm (89 inch lbs.).
2. Install the electrical connector at the sensor.





3. Install the bolts (1, 3) securing the front transaxle brace (2) to the transaxle and right cylinder head.
4. Lower the vehicle.