Curiosii for ever!: Car repair manuals for everyone.

Compressor Replacement

COMPRESSOR REPLACEMENT

TOOLS REQUIRED
J 39400-A Halogen Leak Detector

REMOVAL PROCEDURE
1. Recover the refrigerant from the system. Refer to Refrigerant Recovery and Recharging.
2. Disconnect the negative battery cable.
3. Remove the accessory drive belt.
4. Raise and support the vehicle. Refer Vehicle Lifting.
5. Remove the right front tire.
6. Remove the front air deflector.
7. Remove the right fascia extension.
8. Remove the brake line retaining clips from the engine frame in order to allow the brake lines to move during removal of the A/C compressor.

IMPORTANT: Seal the compressor suction and discharge ports after the hoses are removed in order to keep contaminants from entering the compressor and oil from draining out of the compressor during removal.




9. Remove the discharge hose nut (2) from the compressor.
10. Remove the discharge hose (3) from the compressor.




11. Remove the suction hose nut (2) from the compressor.
12. Remove the suction hose (1) from the compressor.
13. Remove and discard the sealing washers from the discharge hose and the suction hose.




14. Disconnect the electrical connector from the compressor.




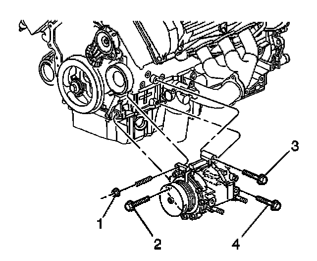
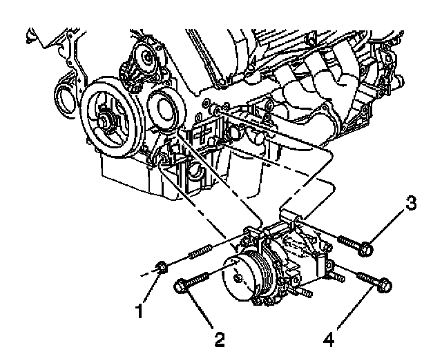
15. Remove the compressor mounting fasteners (1, 2, 3, 4).




16. Remove then compressor (2) mounting stud (1).




17. Rotate the compressor in order to allow the compressor to exit through the wheelhouse opening.
18. Remove the compressor from the vehicle.

IMPORTANT: If replacing the compressor, balance the compressor oil. Refer to Compressor Oil Balancing (LD8).

INSTALLATION PROCEDURE




1. Install the compressor through the wheelhouse opening.




2. Position the compressor (2) on the mounting surface.
3. Install the compressor mounting stud (1) through the appropriate compressor mounting boss.




4. Install the compressor mounting fasteners (1, 2, 3, 4) and hand tighten the fasteners.

NOTE: Refer to Fastener Notice in Service Precautions.

5. Tighten the fasteners in the following sequence:

Tighten
1. Tighten the compressor mounting stud (1) to 25 N.m (18 lb ft).
2. Tighten the compressor mounting stud nut (1) to 50 N.m (37 lb ft).
3. Tighten the upper rear compressor mounting bolt (3) to 50 N.m (37 lb ft).
4. Tighten the front compressor mounting bolt (2) to 50 N.m (37 lb ft).
5. Tighten the last lower rear compressor mounting bolt (4) to 25 N.m (18 lb ft).




6. Connect the electrical connector to the compressor.




7. Install new sealing washers to the discharge hose and the suction hose.
8. Install the suction hose (1) to the compressor.
9. Install the suction hose nut (2) to the compressor.

Tighten
Tighten the nut to 16 N.m (12 lb ft).




10. Install the discharge hose (3) to compressor.
11. Install the discharge hose nut (2) to the compressor.

Tighten
Tighten the nut to 16 N.m (12 lb ft).

12. Install the brake line retaining clips to the frame.
13. Install the accessory drive belt.
14. Install the fascia extension.
15. Install the front air deflector.
16. Reinstall the right front tire.
17. Lower the vehicle. Refer to Vehicle Lifting.
18. Connect the negative battery cable.
19. Recharge the A/C system. Refer to Refrigerant Recovery and Recharging.
20. Test the affected A/C joints for leaks using J 39400-A.