Curiosii for ever!: Car repair manuals for everyone.

Camshaft Position Sensor: Service and Repair

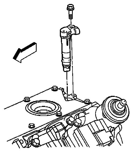
CAMSHAFT POSITION (CMP) SENSOR REPLACEMENT

REMOVAL PROCEDURE

CAUTION: Refer to Battery Disconnect Caution in Service Precautions.

1. Disconnect the negative battery cable.
2. Remove the intake manifold.
3. Remove the camshaft position (CMP) sensor electrical connector.

IMPORTANT: Clean the area around the CMP before removal in order to avoid debris from entering the engine.




4. Remove the CMP sensor retaining bolt.
5. Remove the CMP sensor.

INSTALLATION PROCEDURE




1. Install the CMP sensor.

NOTE: Refer to Fastener Notice in Service Precautions.

2. Install the CMP sensor retaining bolt.

Tighten
Tighten the CMP to 25 N.m (18 lb ft).

3. Connect the CMP sensor electrical connector.
4. Install the intake manifold.
5. Connect the negative battery cable.