Curiosii for ever!: Car repair manuals for everyone.

Transmission Support Replacement



Transmission Support Replacement

Removal Procedure

1. Raise and support the vehicle. Refer toLifting and Jacking the Vehicle .
2. Remove and support the exhaust from the catalytic converters. Refer toExhaust System Replacement (LA3, LY9) Exhaust System Replacement (LY7) Exhaust System Replacement (LS6) .




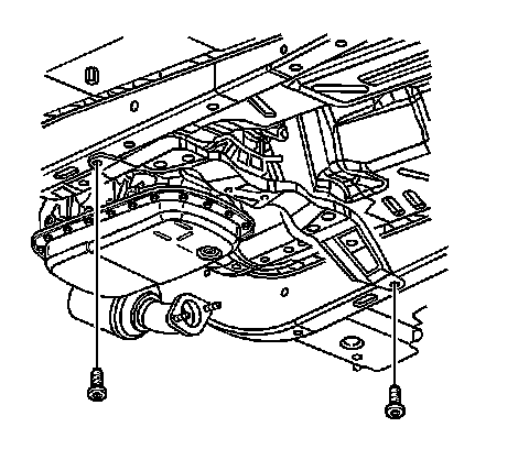
3. Remove the transmission mount lower mounting nuts.
4. Support the transmission with a screw jack and block of wood.




5. Remove the outer transmission mounting bolts.




6. Remove the inner transmission mounting bolts.




7. Remove the transmission support from the vehicle.



Installation Procedure





1. Install the transmission support to the vehicle.




2. Install the inner transmission support mounting bolts. Do not tighten at this time.





Notice: Refer toFastener Notice .

3. Install the outer transmission mounting bolts.

Tighten all the support bolts to 60 Nm (44 lb ft).

4. Remove the screw jack.




5. Install the transmission mount lower mounting nuts.

Tighten the nuts to 60 Nm (44 lb ft).

6. Install the exhaust system to the catalytic converters. Refer toExhaust System Replacement (LA3, LY9) Exhaust System Replacement (LY7) Exhaust System Replacement (LS6) .
7. Remove the support from the exhaust system.
8. Lower the vehicle.