Curiosii for ever!: Car repair manuals for everyone.

Crankshaft Position Sensor: Service and Repair

CRANKSHAFT POSITION (CKP) SENSOR REPLACEMENT

REMOVAL PROCEDURE




1. Turn the ignition OFF.
2. Raise and support the vehicle. Refer to Vehicle Lifting.
3. Reposition the wiring harness heat shield to obtain access.
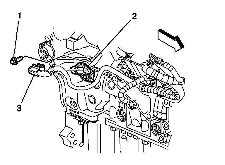
4. Disconnect the crankshaft position (CKP) electrical connector (3).




5. Remove the crankshaft sensor bolt.
6. Remove the crankshaft sensor.

INSTALLATION PROCEDURE




1. Install the crankshaft position sensor.

NOTE: Refer to Fastener Notice in Service Precautions.

2. Install the crankshaft position sensor bolt.

Tighten
Tighten the crankshaft position sensor bolt to 10 N.m (89 lb in).




3. Connect the CKP electrical connector (3).
4. Install the wiring harness heat shield to the oil level indicator tube.
5. Lower the vehicle.